等臂杠杆的加工工艺装备规程及钻Φ25大孔夹具设计含4张CAD图-版本3AutoCAD图档

图档名称为:等臂杠杆的加工工艺装备规程及钻Φ25大孔夹具设计含4张CAD图-版本3,属于设备部件,工器具分类,软件为AutoCAD, 图纸格式为dwg,pdf,可在线预览,可编辑,可供设计参考

加入收藏
模型参数

模型ID:10283390

模型大小:3.02M

软件版本: AutoCAD 2007

模型格式:dwg,pdf

是否可编辑:可修改,包括参数

上传时间:2025-08-11

图纸介绍:

下载模型
采蘋
作品: 0
粉丝: 0
文件列表
1. A钻φ25大孔夹具装配图.dwg
266 KB
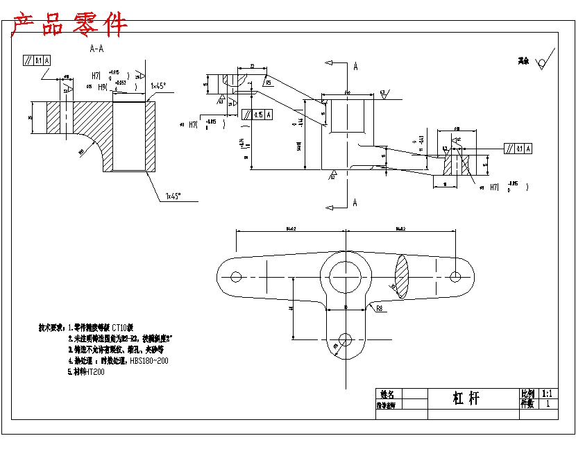
2. 产品零件.dwg
89.4 KB
3. 产品零件.jpg
148 KB
4. 加工工艺规程设计.doc
219 KB
5. 夹具设计部分.PNG
50.3 KB
6. 字数统计.PNG
16.6 KB
7. 工序卡.PNG
137 KB
8. 工序卡片.doc
281 KB
9. 工序卡片.doc
369 KB
10. 工艺卡及工序卡.doc
85.5 KB
11. 工艺工序卡.doc
311 KB
12. 工艺规程设计说明书.doc
1020 KB
13. 工艺过程卡片.doc
57.5 KB
14. 机械加工工序卡片.doc
367 KB
15. 机械加工工艺过程卡片.doc
70.5 KB
16. 机械加工工艺过程卡片.doc
72.5 KB
17. 机械加工工艺过程卡片.png
321 KB
18. 毛坯图.dwg
69.5 KB
19. 毛坯图.jpg
139 KB
20. 等臂杠杆的加工工艺装备规程及钻Φ25大孔夹具设计说明书-版本3.doc
555 KB
21. 翻译—基于事例推理的夹具设计研究与应用.doc
177 KB
22. 翻译—基于事例推理的夹具设计研究与应用.pdf
222 KB
23. 设计所包含文件.png
30.3 KB
24. 设计说明书.doc
93 KB
25. 设计说明书副本.doc
93 KB
26. 说明书前4页.pdf
109 KB
27. 钻φ25大孔夹具体.dwg
121 KB
28. 钻φ25大孔夹具体.jpg
86.1 KB
29. 钻φ25大孔夹具装配图.jpg
160 KB
30. 铣床杠杆工序卡片.doc
435 KB
31. 铣床杠杆工艺过程卡.doc
48.5 KB
32. 铣床等臂杠杆的机械加工工艺规程设计说明书.doc
182 KB
【等臂杠杆的加工工艺装备规程及钻Φ25大孔夹具设计含4张CAD图-版本3】相关作品
下载提示
×

下载该图档需要消耗20金币!

确认下载
-- 热门充值套餐 · 限时优惠 --
加载中