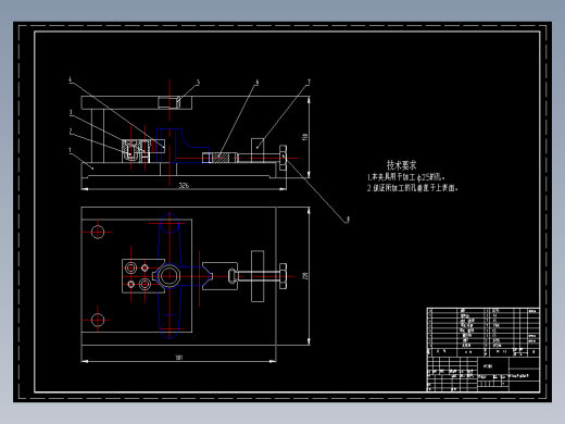
铣床等臂杠杆加工工艺及钻φ8孔夹具设计【含三维SolidWorks】AutoCAD,SolidWorks,stp 3D模型

机械图纸名称为:铣床等臂杠杆加工工艺及钻φ8孔夹具设计【含三维SolidWorks】,属于机械设备,机加工设备分类,软件为AutoCAD,SolidWorks,stp, 三维模型格式为sldprt,sldasm,dwg,可在线预览,可编辑,可供设计参考

加入收藏
模型参数

模型ID:10298603

模型大小:2.28M

软件版本: AutoCAD 2016,SolidWorks,stp

模型格式:sldprt,sldasm,dwg

是否可编辑:可修改,包括参数

上传时间:2025-11-03

图纸介绍:

下载模型
作品: 299
粉丝: 0
文件列表
1. 11_GB_FASTENER_NUT_SNC1 M18-N_None.sldprt
96.9 KB
2. 12_GB_FASTENER_NUT_SNC1 M18-N_None.sldprt
31.7 KB
3. 7-钻8孔【三维】.png
14.3 KB
4. dingweixiao.SLDPRT
49.2 KB
5. ganggan.SLDPRT
302 KB
6. gongjian.SLDPRT
196 KB
7. jiajuasm-baozhatu.SLDASM
298 KB
8. jiajuasm-baozhatu.STP
1.03 MB
9. jiajuasm.STP
1.03 MB
10. jiajuasm.sldasm
278 KB
11. jiajuti -1.SLDPRT
162 KB
12. jiajuti.SLDPRT
162 KB
13. kaikoudianquan_None.sldprt
24.3 KB
14. tao.SLDPRT
63 KB
15. zuanmoban.SLDPRT
86.2 KB
16. zuantao.SLDPRT
68.1 KB
17. zuantaoluos.SLDPRT
56.3 KB
18. ~$jiajuasm-baozhatu.SLDASM
3 B
19. 夹具体图.dwg
53.8 KB
20. 工序卡.doc
258 KB
21. 工艺过程卡.doc
54.5 KB
22. 毛坯图(3).dwg
61.2 KB
23. 设计杠杆的工艺规程及钻Ф8孔机械制造课程设计说明书.doc
310 KB
24. 钻直径8夹具装配图.dwg
105 KB
25. 零件图(5).dwg
65.4 KB
【铣床等臂杠杆加工工艺及钻φ8孔夹具设计【含三维SolidWorks】】相关作品
下载提示
×

下载该图档需要消耗10金币!

确认下载
-- 热门充值套餐 · 限时优惠 --
加载中