等臂杠杆的加工工艺及钻2-Ф8H7孔夹具设计含非标7张CAD图-版本6AutoCAD图档

图档名称为:等臂杠杆的加工工艺及钻2-Ф8H7孔夹具设计含非标7张CAD图-版本6,属于设备部件,工器具分类,软件为AutoCAD, 图纸格式为dwg,pdf,可在线预览,可编辑,可供设计参考

加入收藏
模型参数

模型ID:10283389

模型大小:2.77M

软件版本: AutoCAD 2007

模型格式:dwg,pdf

是否可编辑:可修改,包括参数

上传时间:2025-08-11

图纸介绍:

下载模型
四野星辰
作品: 0
粉丝: 0
文件列表
1. 0夹具装配图.dwg
142 KB
2. 加工工艺规程设计.doc
219 KB
3. 外文翻译.doc
238 KB
4. 外文翻译原文.pdf
229 KB
5. 夹具体.dwg
109 KB
6. 夹具体.gif
13.1 KB
7. 夹具装配图.gif
22.8 KB
8. 夹具设计部分.png
80.3 KB
9. 字数统计.PNG
11.1 KB
10. 字数统计.PNG
11.1 KB
11. 工序卡.doc
268 KB
12. 工序卡.png
146 KB
13. 工序卡片.doc
369 KB
14. 工艺卡及工序卡.doc
85.5 KB
15. 工艺规程设计说明书.doc
1020 KB
16. 工艺过程卡.doc
54.5 KB
17. 心轴.dwg
104 KB
18. 心轴.gif
12.2 KB
19. 机械加工工序卡片.doc
367 KB
20. 机械加工工艺过程卡片.doc
70.5 KB
21. 机械加工工艺过程卡片.doc
72.5 KB
22. 机械加工工艺过程卡片.png
317 KB
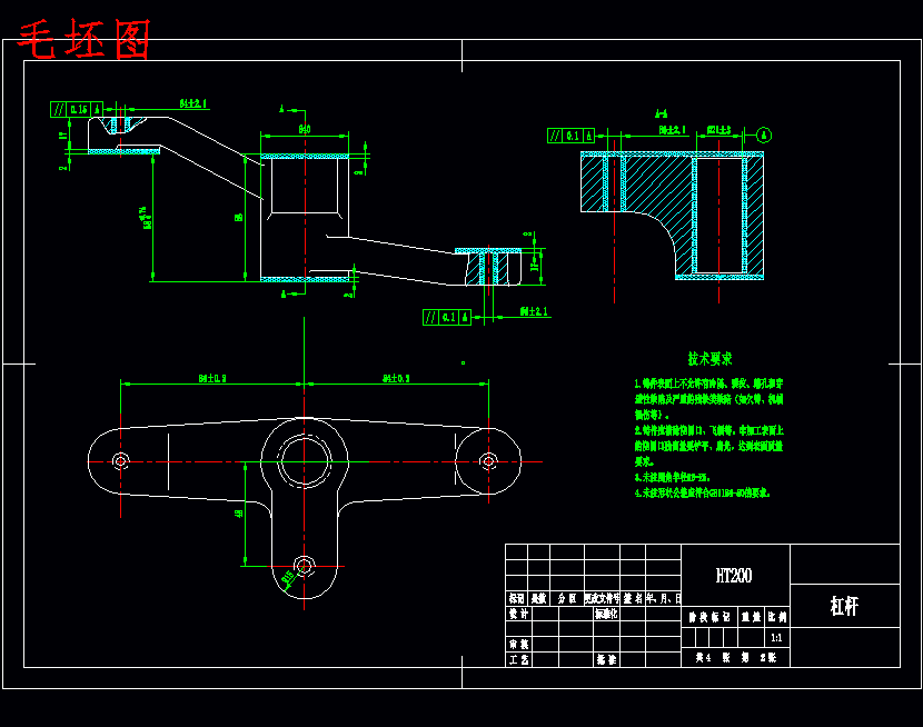
23. 毛坯图.dwg
77.3 KB
24. 毛坯图.gif
17.6 KB
25. 立柱板.dwg
101 KB
26. 立柱板.gif
10.9 KB
27. 等臂杠杆的加工工艺及钻2-Ф8H7孔夹具设计说明书-版本6.doc
524 KB
28. 设计所包含文件.png
33.3 KB
29. 设计杠杆的工艺规程及钻2-Ф8H7孔机械制造课程设计说明书.doc
310 KB
30. 设计说明书.doc
310 KB
31. 说明书前4页.pdf
109 KB
32. 钻模板.dwg
103 KB
33. 钻模板.gif
12.9 KB
34. 铣床杠杆工序卡片.doc
435 KB
35. 铣床杠杆工艺过程卡.doc
48.5 KB
36. 铣床等臂杠杆的机械加工工艺规程设计说明书.doc
182 KB
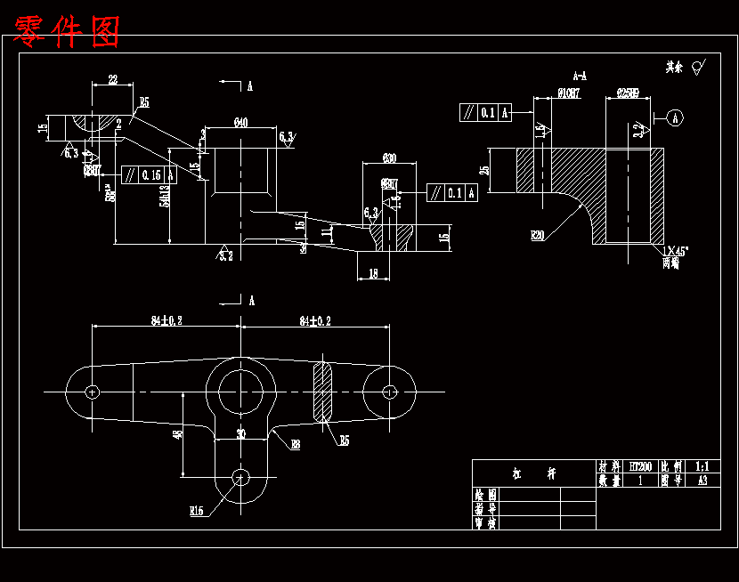
37. 零件图.dwg
101 KB
38. 零件图.gif
15 KB
【等臂杠杆的加工工艺及钻2-Ф8H7孔夹具设计含非标7张CAD图-版本6】相关作品
下载提示
×

下载该图档需要消耗20金币!

确认下载
-- 热门充值套餐 · 限时优惠 --
加载中