等臂杠杆的钻Φ8孔夹具设计及加工工艺装备规程含4张CAD图-版本7AutoCAD图档

图档名称为:等臂杠杆的钻Φ8孔夹具设计及加工工艺装备规程含4张CAD图-版本7,属于设备部件,工器具分类,软件为AutoCAD, 图纸格式为dwg,pdf,可在线预览,可编辑,可供设计参考

加入收藏
模型参数

模型ID:10283405

模型大小:2.27M

软件版本: AutoCAD 2004

模型格式:dwg,pdf

是否可编辑:可修改,包括参数

上传时间:2025-08-11

图纸介绍:

下载模型
作品: 300
粉丝: 0
文件列表
1. 加工工艺规程设计.doc
219 KB
2. 夹具装配图.dwg
83.6 KB
3. 夹具装配图.gif
20.5 KB
4. 夹具设计部分.doc
169 KB
5. 夹具设计部分.jpg
107 KB
6. 字数统计.PNG
16 KB
7. 定位螺钉.DWG
42.2 KB
8. 定位螺钉.gif
13.4 KB
9. 工序卡.jpg
214 KB
10. 工序卡片.doc
369 KB
11. 工艺卡及工序卡.doc
85.5 KB
12. 工艺卡片.doc
308 KB
13. 工艺规程设计说明书.doc
1020 KB
14. 机械加工工序卡片.doc
367 KB
15. 机械加工工艺过程卡片.doc
70.5 KB
16. 机械加工工艺过程卡片.doc
72.5 KB
17. 机械加工工艺过程卡片.png
317 KB
18. 杠杆零件图.dwg
126 KB
19. 杠杆零件图.gif
14.1 KB
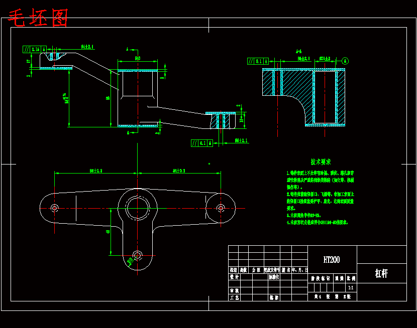
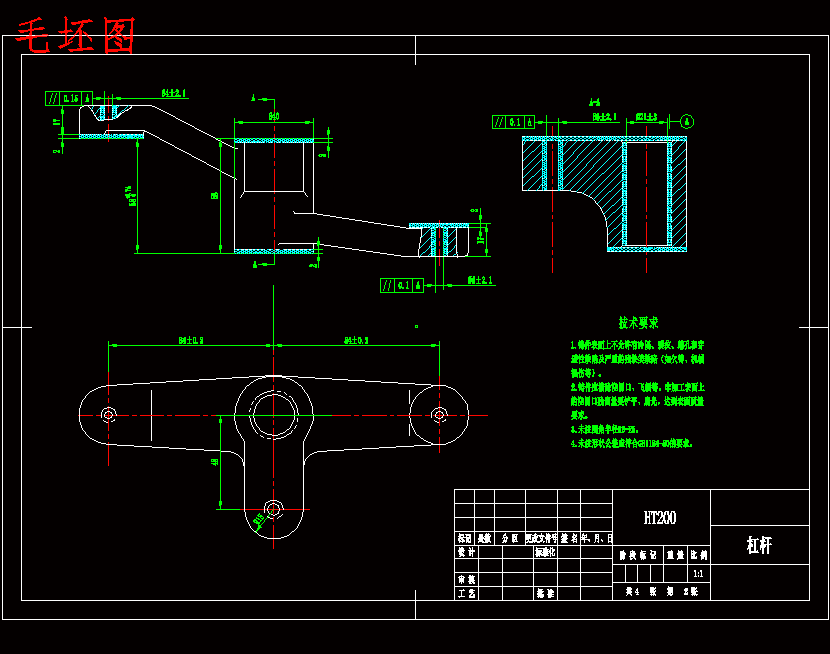
20. 毛坯图.dwg
77.3 KB
21. 毛坯图.gif
17.6 KB
22. 等臂杠杆的钻Φ8孔夹具设计及加工工艺装备规程说明书-版本7.doc
678 KB
23. 设计心得体会.doc
17 KB
24. 设计所包含文件.jpg
41.6 KB
25. 设计说明书.doc
809 KB
26. 说明书前4页.pdf
113 KB
27. 铣床杠杆工序卡片.doc
435 KB
28. 铣床杠杆工艺过程卡.doc
48.5 KB
29. 铣床等臂杠杆的机械加工工艺规程设计说明书.doc
182 KB
【等臂杠杆的钻Φ8孔夹具设计及加工工艺装备规程含4张CAD图-版本7】相关作品
下载提示
×

下载该图档需要消耗20金币!

确认下载
-- 热门充值套餐 · 限时优惠 --
加载中