等臂杠杆的铣Ф40上端面夹具设计及加工工艺装备规程含4张CAD图-版本3AutoCAD图档

图档名称为:等臂杠杆的铣Ф40上端面夹具设计及加工工艺装备规程含4张CAD图-版本3,属于设备部件,工器具分类,软件为AutoCAD, 图纸格式为dwg,可在线预览,可编辑,可供设计参考

加入收藏
模型参数

模型ID:10283393

模型大小:1.91M

软件版本: AutoCAD 2004

模型格式:dwg

是否可编辑:可修改,包括参数

上传时间:2025-08-11

图纸介绍:

下载模型
清淮
作品: 0
粉丝: 0
文件列表
1. A夹具装配图.dwg
81.8 KB
2. 加工工艺规程设计.doc
219 KB
3. 夹具体.dwg
47.7 KB
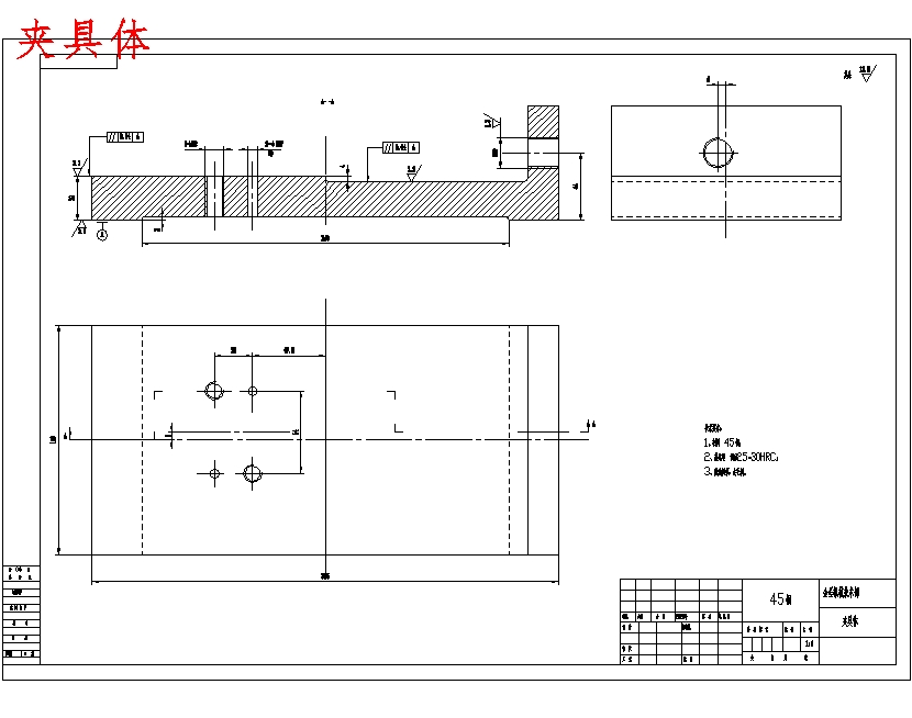
4. 夹具体.jpg
136 KB
5. 夹具装配图.jpg
130 KB
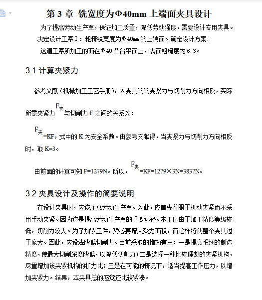
6. 夹具设计部分.PNG
26.1 KB
7. 字数统计.PNG
18.5 KB
8. 工序卡.PNG
136 KB
9. 工序卡片.doc
461 KB
10. 工艺卡及工序卡.doc
85.5 KB
11. 工艺规程设计说明书.doc
1020 KB
12. 机械加工工序卡片.doc
367 KB
13. 机械加工工艺过程卡片.doc
132 KB
14. 机械加工工艺过程卡片.doc
72.5 KB
15. 机械加工工艺过程卡片.png
319 KB
16. 毛坯图.dwg
61.2 KB
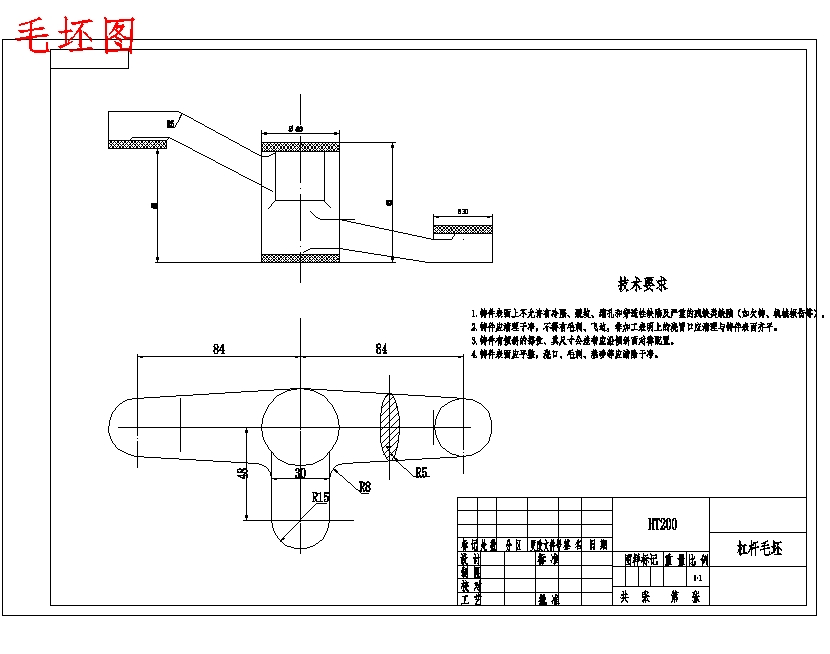
17. 毛坯图.jpg
134 KB
18. 等臂杠杆的铣Ф40上端面夹具设计及加工工艺装备规程说明书-版本3.doc
482 KB
19. 设计所包含文件.png
23.8 KB
20. 设计说明书.doc
479 KB
21. 零件图.dwg
79.8 KB
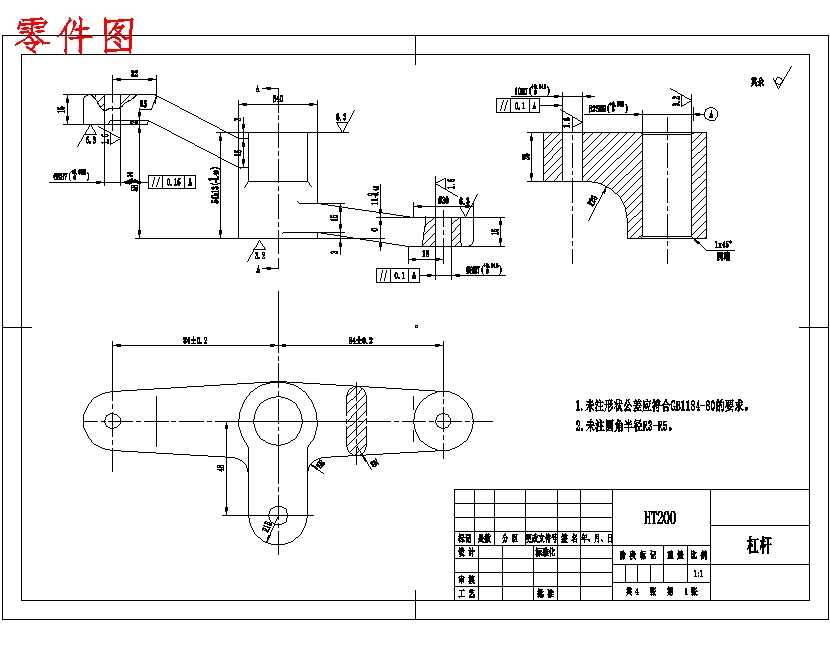
22. 零件图.jpg
166 KB
【等臂杠杆的铣Ф40上端面夹具设计及加工工艺装备规程含4张CAD图-版本3】相关作品
滚动更载更多~
提示
×

下载该图档需要消耗20金币!

确认下载
加载中