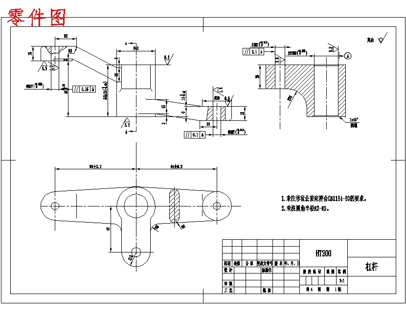
等臂杠杆的加工工艺规程及钻Φ10H7孔夹具设计含4张CAD图-版本1AutoCAD图档

图档名称为:等臂杠杆的加工工艺规程及钻Φ10H7孔夹具设计含4张CAD图-版本1,属于设备部件,工器具分类,软件为AutoCAD, 图纸格式为dwg,pdf,可在线预览,可编辑,可供设计参考

加入收藏
模型参数

模型ID:10283402

模型大小:2.57M

软件版本: AutoCAD 2004

模型格式:dwg,pdf

是否可编辑:可修改,包括参数

上传时间:2025-08-11

图纸介绍:

下载模型
三生烟火
作品: 0
粉丝: 0
文件列表
1. A夹具零件图.dwg
127 KB
2. 加工工艺规程设计.doc
219 KB
3. 夹具装配图.dwg
144 KB
4. 夹具装配图.exb
143 KB
5. 夹具装配图.jpg
164 KB
6. 夹具设计部分.PNG
25.1 KB
7. 夹具零件图.exb
110 KB
8. 夹具零件图.jpg
171 KB
9. 字数统计.PNG
18.6 KB
10. 工序卡.PNG
137 KB
11. 工序卡片.doc
369 KB
12. 工艺卡及工序卡.doc
85.5 KB
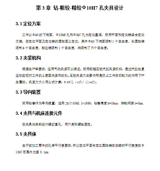
13. 工艺规程设计说明书.doc
1020 KB
14. 机械加工工序卡片.doc
367 KB
15. 机械加工工艺过程卡片.doc
27 KB
16. 机械加工工艺过程卡片.doc
72.5 KB
17. 机械加工工艺过程卡片.png
320 KB
18. 毛坯图.dwg
78.7 KB
19. 毛坯图.exb
57.5 KB
20. 毛坯图.jpg
114 KB
21. 等臂杠杆的加工工艺规程及钻Φ10H7孔夹具设计说明书-版本1.doc
480 KB
22. 设计所包含文件.jpg
41.2 KB
23. 设计说明书.doc
60.5 KB
24. 说明书前4页.pdf
110 KB
25. 过程卡.doc
71 KB
26. 铣床杠杆工序卡片.doc
435 KB
27. 铣床杠杆工艺过程卡.doc
48.5 KB
28. 铣床等臂杠杆的机械加工工艺规程设计说明书.doc
182 KB
29. 零件图.dwg
87.6 KB
30. 零件图.exb
58.2 KB
31. 零件图.jpg
166 KB
32. 零件的机械加工工艺卡片.doc
50.5 KB
【等臂杠杆的加工工艺规程及钻Φ10H7孔夹具设计含4张CAD图-版本1】相关作品
滚动更载更多~
提示
×

下载该图档需要消耗20金币!

确认下载
加载中