后钢板弹簧吊耳的钻Φ30孔夹具设计及加工工艺装备规程含4张CAD图AutoCAD图档

图档名称为:后钢板弹簧吊耳的钻Φ30孔夹具设计及加工工艺装备规程含4张CAD图,属于设备部件,工器具分类,软件为AutoCAD, 图纸格式为dwg,可在线预览,可编辑,可供设计参考

加入收藏
模型参数

模型ID:10329373

模型大小:2.62M

软件版本: AutoCAD 2004

模型格式:dwg

是否可编辑:可修改,包括参数

上传时间:2025-12-02

图纸介绍:

下载模型
作品: 280
粉丝: 0
文件列表
1. 吊耳零件图.dwg
90.4 KB
2. 吊耳零件图.jpg
174 KB
3. 后钢板弹簧吊耳的钻Φ30孔夹具设计及加工工艺装备规程说明书.doc
1.67 MB
4. 夹具设计部分.PNG
139 KB
5. 字数统计.PNG
19.9 KB
6. 字数统计.PNG
19.9 KB
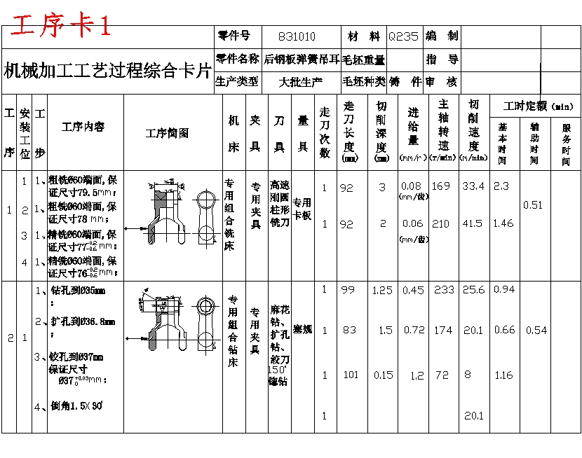
7. 工序卡1.DWG
83.1 KB
8. 工序卡1.jpg
266 KB
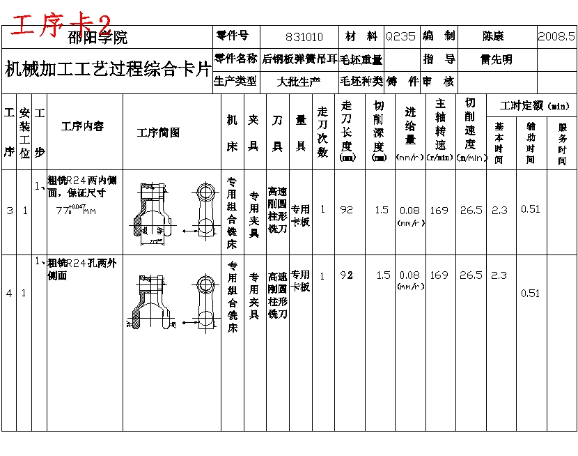
9. 工序卡2.DWG
96.8 KB
10. 工序卡2.jpg
231 KB
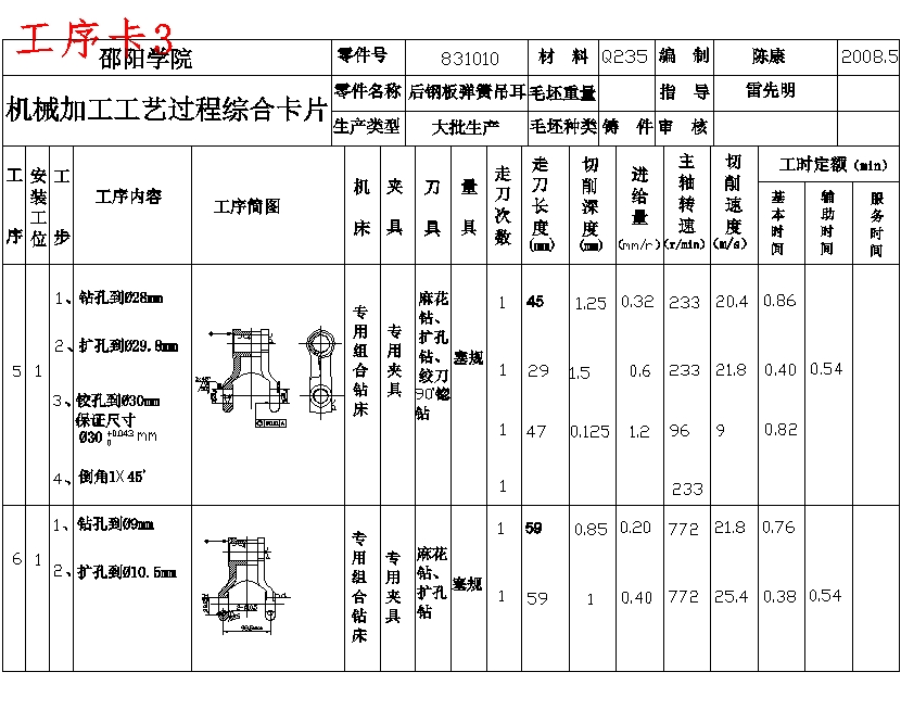
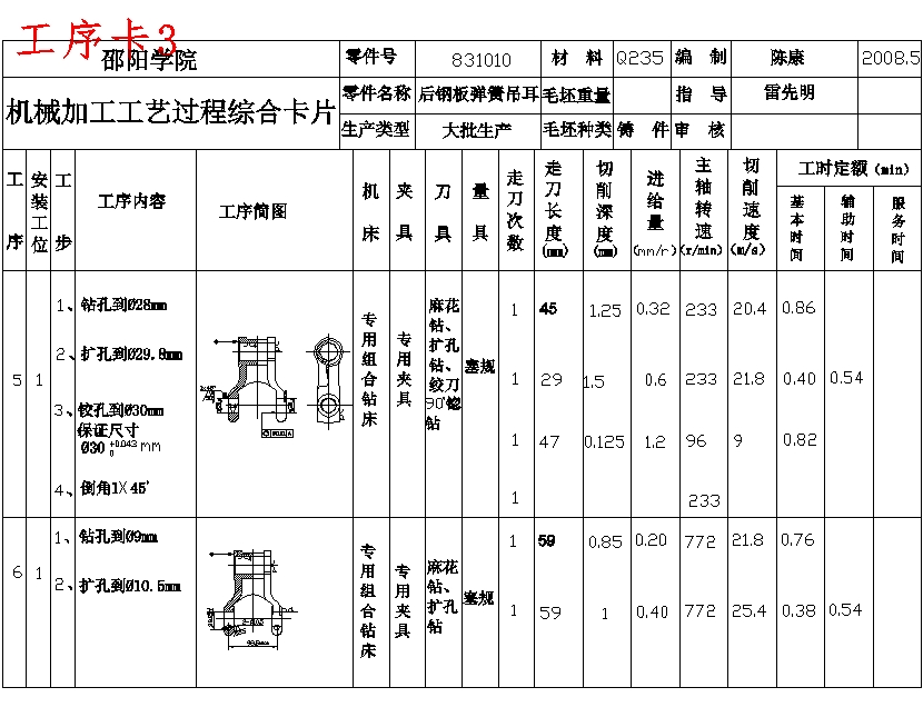
11. 工序卡3.DWG
97.5 KB
12. 工序卡3.jpg
249 KB
13. 工序卡4.DWG
90.3 KB
14. 工序卡4.jpg
204 KB
15. 摘要部分.PNG
10.7 KB
16. 文献综述.doc
124 KB
17. 机械加工工艺过程卡片.dwg
50.2 KB
18. 机械加工工艺过程卡片.jpg
287 KB
19. 毛坯图.dwg
65.7 KB
20. 毛坯图.jpg
109 KB
21. 设计所包含文件.jpg
37.5 KB
22. 设计目录.PNG
39.9 KB
23. 钻Φ30孔夹具体零件图.dwg
109 KB
24. 钻Φ30孔夹具体零件图.jpg
136 KB
25. 钻Φ30孔夹具装配图.dwg
137 KB
26. 钻Φ30孔夹具装配图.jpg
226 KB
【后钢板弹簧吊耳的钻Φ30孔夹具设计及加工工艺装备规程含4张CAD图】相关作品
下载提示
×

下载该图档需要消耗20金币!

确认下载
-- 热门充值套餐 · 限时优惠 --
加载中