等臂杠杆的钻Φ8孔夹具设计及加工工艺装备规程含4张CAD图-版本3AutoCAD图档

图档名称为:等臂杠杆的钻Φ8孔夹具设计及加工工艺装备规程含4张CAD图-版本3,属于设备部件,工器具分类,软件为AutoCAD, 图纸格式为dwg,pdf,可在线预览,可编辑,可供设计参考

加入收藏
模型参数

模型ID:10283401

模型大小:3.23M

软件版本: AutoCAD

模型格式:dwg,pdf

是否可编辑:可修改,包括参数

上传时间:2025-08-11

图纸介绍:

下载模型
踏歌行
作品: 0
粉丝: 0
文件列表
1. 0A1夹具装配图.dwg
134 KB
2. A1-夹具装配图.jpg
174 KB
3. A1夹具体零件图.dwg
84.1 KB
4. A1夹具体零件图.jpg
125 KB
5. A3杠杆毛坯图.dwg
62.6 KB
6. A3杠杆毛坯图.jpg
145 KB
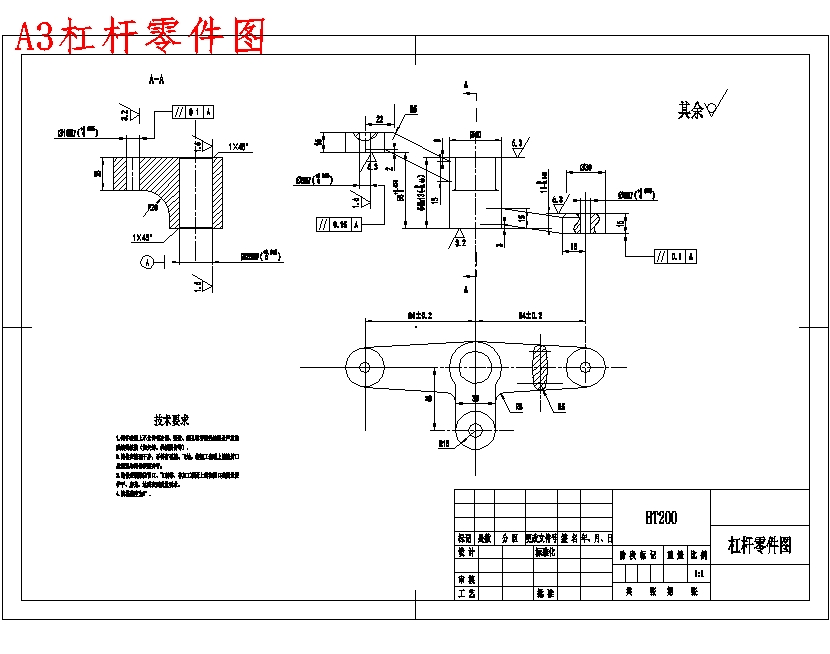
7. A3杠杆零件图.dwg
86.5 KB
8. A3杠杆零件图.jpg
159 KB
9. 二维图纸.pdf
557 KB
10. 加工工艺规程设计.doc
219 KB
11. 夹具体零件图.exb
105 KB
12. 夹具装配图.exb
121 KB
13. 夹具设计部分.PNG
52.7 KB
14. 字数统计.PNG
21.8 KB
15. 工序卡.PNG
144 KB
16. 工序卡片.doc
370 KB
17. 工艺卡及工序卡.doc
237 KB
18. 工艺规程设计说明书.doc
1020 KB
19. 机械加工工序卡片.doc
367 KB
20. 机械加工工序卡片.doc
72 KB
21. 机械加工工艺过程卡片.doc
72.5 KB
22. 机械加工工艺过程卡片.doc
76 KB
23. 机械加工工艺过程卡片.png
347 KB
24. 机械加工工艺过程综合卡片.doc
53.5 KB
25. 杠杆毛坯图.exb
95.5 KB
26. 杠杆零件图.exb
107 KB
27. 等臂杠杆的钻Φ8孔夹具设计及加工工艺装备规程说明书.doc
508 KB
28. 设计所包含文件.png
29.2 KB
29. 说明书A.doc
25.5 KB
30. 说明书B.doc
346 KB
31. 说明书前4页.pdf
196 KB
32. 铣床杠杆工序卡片.doc
435 KB
33. 铣床杠杆工艺过程卡.doc
48.5 KB
34. 铣床等臂杠杆的机械加工工艺规程设计说明书.doc
182 KB
【等臂杠杆的钻Φ8孔夹具设计及加工工艺装备规程含4张CAD图-版本3】相关作品
滚动更载更多~
提示
×

下载该图档需要消耗20金币!

确认下载
加载中