CA6140车床831009杠杆的钻Φ25孔专用夹具设计及加工工艺装备规程含7张CAD图-版本1AutoCAD,SolidWorks图档

图档名称为:CA6140车床831009杠杆的钻Φ25孔专用夹具设计及加工工艺装备规程含7张CAD图-版本1,属于设备部件,工器具分类,软件为AutoCAD,SolidWorks, 图纸格式为pdf,dwg,sldprt,可在线预览,可编辑,可供设计参考

加入收藏
模型参数

模型ID:10328391

模型大小:11.56M

软件版本: AutoCAD 2010,SolidWorks

模型格式:pdf,dwg,sldprt

是否可编辑:可修改,包括参数

上传时间:2025-12-02

图纸介绍:

下载模型
作品: 308
粉丝: 1
文件列表
1. A0打印.PDF
1.43 MB
2. A0过程、工序卡片终稿.dwg
135 KB
3. A钻Φ25孔夹具装配图.dwg
115 KB
4. A钻Φ25孔夹具装配图.jpg
221 KB
5. CA6140车床831009杠杆的钻Φ25孔专用夹具设计及加工工艺装备规程说明书.doc
1.48 MB
6. ganggan.SLDPRT
384 KB
7. ~$论文正文.docx
162 B
8. 二维图.pdf
1.89 MB
9. 任务书.docx
18 KB
10. 参考设计说明书-若不要请删除.doc
1.74 MB
11. 外文文献翻译.doc
130 KB
12. 夹具设计说明书.doc
220 KB
13. 夹具设计部分.PNG
113 KB
14. 夹紧元件-A型光面压块.dwg
47.2 KB
15. 夹紧元件-A型光面压块.jpg
104 KB
16. 字数统计.PNG
14.2 KB
17. 字数统计.PNG
14.2 KB
18. 定位元件-V形块.dwg
57 KB
19. 定位元件-V形块.jpg
125 KB
20. 工序卡-版本2.doc
360 KB
21. 工序卡.doc
56.5 KB
22. 工艺卡.doc
38.5 KB
23. 工艺卡1.dwg
55.8 KB
24. 工艺卡1.dwg
55.9 KB
25. 工艺卡1.jpg
243 KB
26. 工艺卡2.dwg
54.3 KB
27. 工艺卡2.dwg
54.9 KB
28. 工艺卡2.jpg
252 KB
29. 工艺卡3.dwg
52.2 KB
30. 工艺卡3.dwg
52.2 KB
31. 工艺卡3.jpg
246 KB
32. 工艺卡4.dwg
53 KB
33. 工艺卡4.dwg
56.5 KB
34. 工艺卡4.jpg
240 KB
35. 工艺卡5.dwg
52.6 KB
36. 工艺卡5.dwg
56.7 KB
37. 工艺卡5.jpg
253 KB
38. 工艺卡6.dwg
54.6 KB
39. 工艺卡6.dwg
55.4 KB
40. 工艺卡6.jpg
241 KB
41. 工艺卡7.dwg
55.7 KB
42. 工艺卡7.dwg
56.9 KB
43. 工艺卡7.jpg
239 KB
44. 工艺规程设计说明书.doc
1.78 MB
45. 工艺过程卡-版本2.doc
42 KB
46. 开题报告.docx
33.1 KB
47. 文献综述.doc
20.5 KB
48. 机械加工工艺过程卡片.dwg
46.6 KB
49. 机械加工工艺过程卡片.dwg
47.7 KB
50. 机械加工工艺过程卡片.jpg
259 KB
51. 毛坯.SLDPRT
307 KB
52. 毛坯图.DWG
78.8 KB
53. 毛坯图.dwg
107 KB
54. 毛坯图.dwg
55.1 KB
55. 毛坯图.jpg
146 KB
56. 毛坯图1.dwg
71.9 KB
57. 毛坯图2.dwg
52.2 KB
58. 毛坯图3.dwg
40.6 KB
59. 设计任务书.doc
14 KB
60. 设计所包含文件.png
45.7 KB
61. 设计说明书-版本1.doc
813 KB
62. 说明书-版本2.doc
1.45 MB
63. 说明书-版本3.doc
665 KB
64. 说明书.doc
1.26 MB
65. 说明书.docx
210 KB
66. 说明书前5页.pdf
203 KB
67. 过程卡与工序卡-word版本.doc
392 KB
68. 过程卡与工序卡-版本1.doc
392 KB
69. 钻Φ25孔夹具体.dwg
85.7 KB
70. 钻Φ25孔夹具体.jpg
131 KB
71. 钻套.dwg
50.7 KB
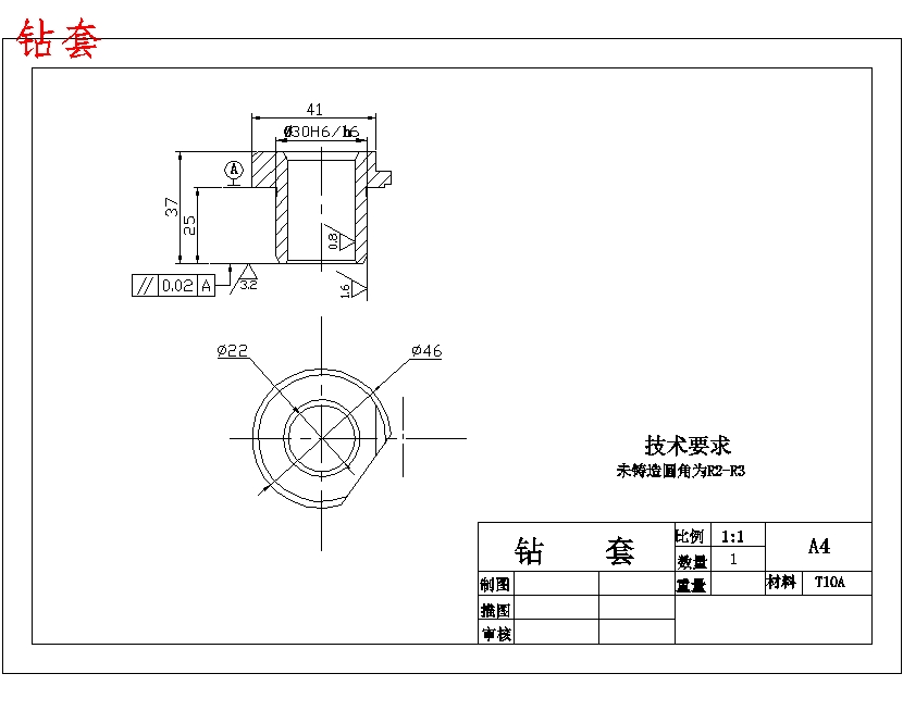
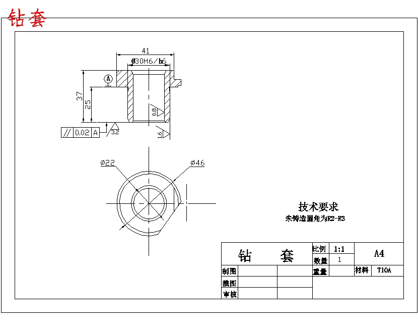
72. 钻套.jpg
100 KB
73. 零件图-副本.dwg
82.1 KB
74. 零件图.DWG
99.8 KB
75. 零件图.dwg
100 KB
76. 零件图.dwg
75.2 KB
77. 零件图.dwg
78.9 KB
78. 零件图.dwg
82.5 KB
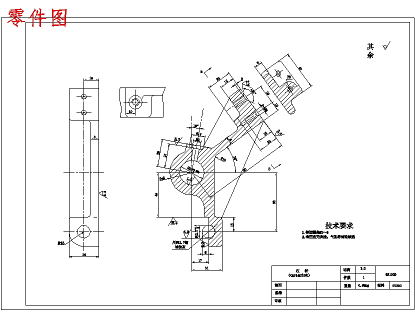
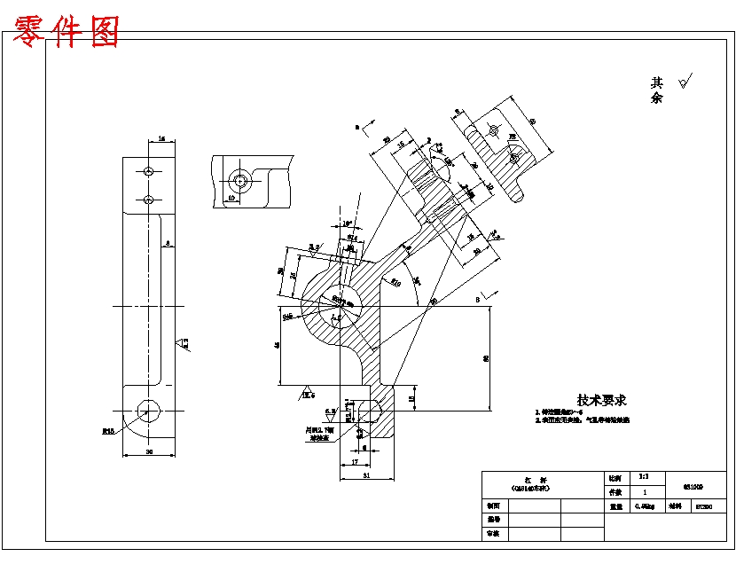
79. 零件图.jpg
149 KB
【CA6140车床831009杠杆的钻Φ25孔专用夹具设计及加工工艺装备规程含7张CAD图-版本1】相关作品
下载提示
×

下载该图档需要消耗50金币!

确认下载
-- 热门充值套餐 · 限时优惠 --
加载中