插入耳环的铣键槽夹具设计及加工工艺装备规程含非标6张CAD图AutoCAD图档

图档名称为:插入耳环的铣键槽夹具设计及加工工艺装备规程含非标6张CAD图,属于服饰装扮,装扮分类,软件为AutoCAD, 图纸格式为dwg,pdf,可在线预览,可编辑,可供设计参考

加入收藏
模型参数

模型ID:10329215

模型大小:3.09M

软件版本: AutoCAD 2004

模型格式:dwg,pdf

是否可编辑:可修改,包括参数

上传时间:2025-12-02

图纸介绍:

下载模型
浮生
作品: 0
粉丝: 0
文件列表
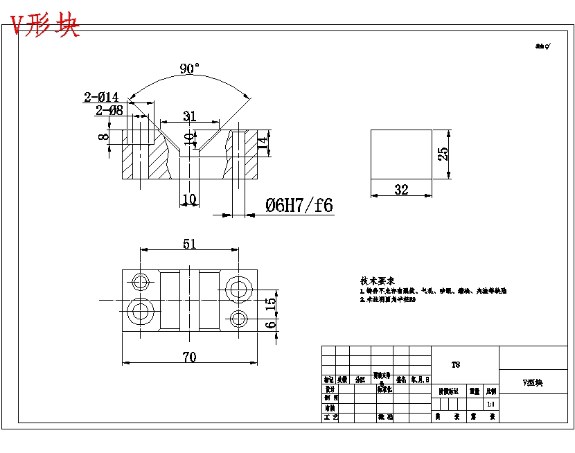
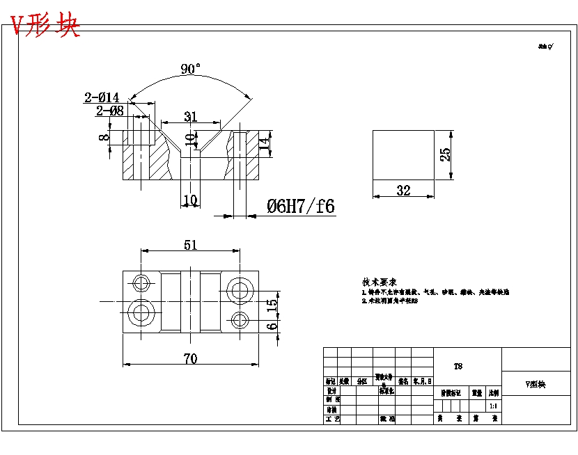
1. V形块.dwg
58.3 KB
2. V形块.jpg
126 KB
3. desktop.ini
118 B
4. ~$论文正文.docx
162 B
5. 夹具体.dwg
101 KB
6. 夹具体.jpg
170 KB
7. 夹具装配图.dwg
123 KB
8. 夹具装配图.jpg
244 KB
9. 夹具设计部分.PNG
46.5 KB
10. 字数统计.PNG
19 KB
11. 字数统计.PNG
19 KB
12. 工序卡.PNG
124 KB
13. 工艺过程卡、工序卡.doc
1 MB
14. 工艺过程卡片.doc
105 KB
15. 插入耳环.DWG
104 KB
16. 插入耳环.jpg
245 KB
17. 插入耳环毛坯图.dwg
814 KB
18. 插入耳环毛坯图.jpg
149 KB
19. 插入耳环的铣键槽夹具设计及加工工艺装备规程.doc
1.42 MB
20. 直角对刀块.dwg
52.8 KB
21. 直角对刀块.jpg
94.1 KB
22. 设计所包含文件.jpg
65.3 KB
23. 说明书前5页.pdf
224 KB
24. 过程卡.PNG
58.7 KB
【插入耳环的铣键槽夹具设计及加工工艺装备规程含非标6张CAD图】相关作品
滚动更载更多~
提示
×

下载该图档需要消耗10金币!

确认下载
加载中