D0729-2500型剪板机刀架结构设计+CAD+说明书==903129=250AutoCAD图档

图档名称为:D0729-2500型剪板机刀架结构设计+CAD+说明书==903129=250,属于机械设备,钢结构支架分类,软件为AutoCAD, 图纸格式为pdf,dwg,可在线预览,可编辑,可供设计参考

加入收藏
模型参数

模型ID:10367605

模型大小:2.59M

软件版本: AutoCAD 2010

模型格式:pdf,dwg

是否可编辑:可修改,包括参数

上传时间:2026-01-13

图纸介绍:

下载模型
作品: 274
粉丝: 0
文件列表
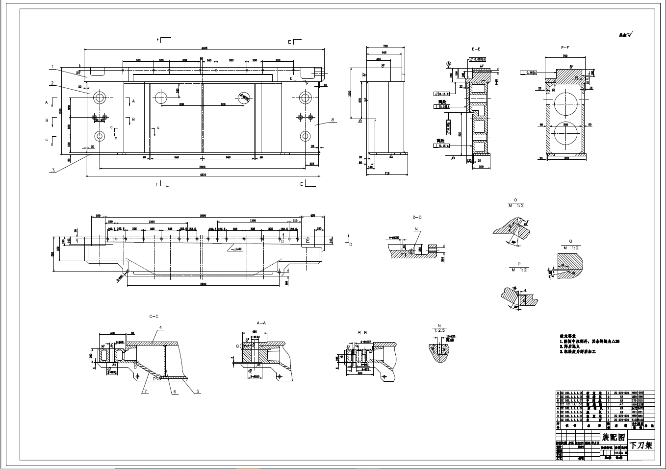
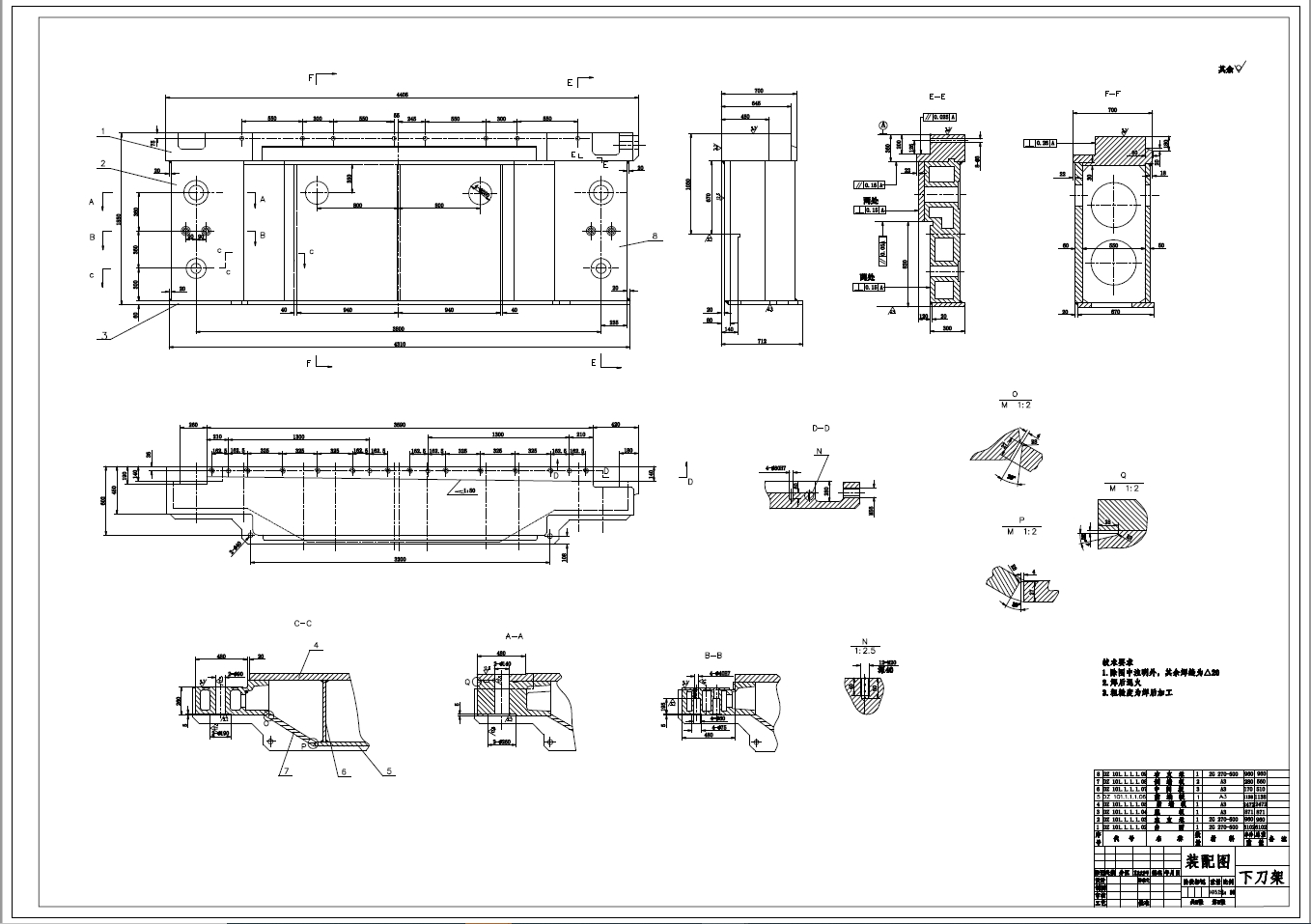
1. 下刀架A0.PDF
364 KB
2. 下刀架A0.dwg
361 KB
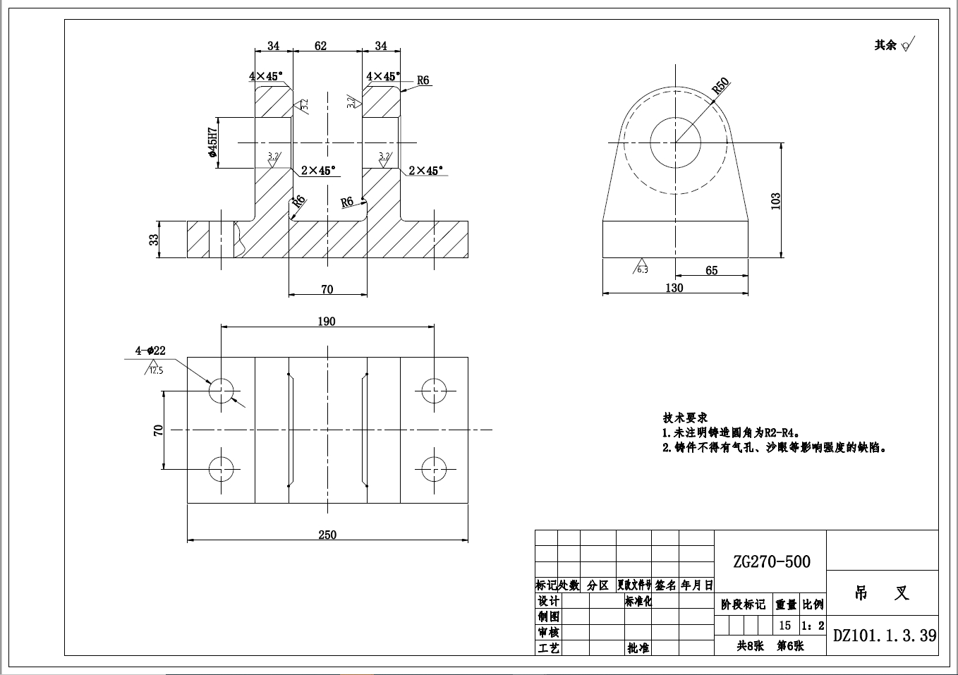
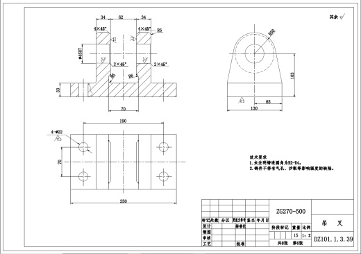
3. 吊叉A3.PDF
204 KB
4. 吊叉A3.dwg
216 KB
5. 微信截图_20240630182914.png
244 KB
6. 微信截图_20240630182922.png
173 KB
7. 微信截图_20240630182935.png
239 KB
8. 微信截图_20240630182939.png
226 KB
9. 说明书.doc
1.5 MB
10. 说明书.pdf
447 KB
【D0729-2500型剪板机刀架结构设计+CAD+说明书==903129=250】相关作品
下载提示
×

下载该图档需要消耗20金币!

确认下载
-- 热门充值套餐 · 限时优惠 --
加载中