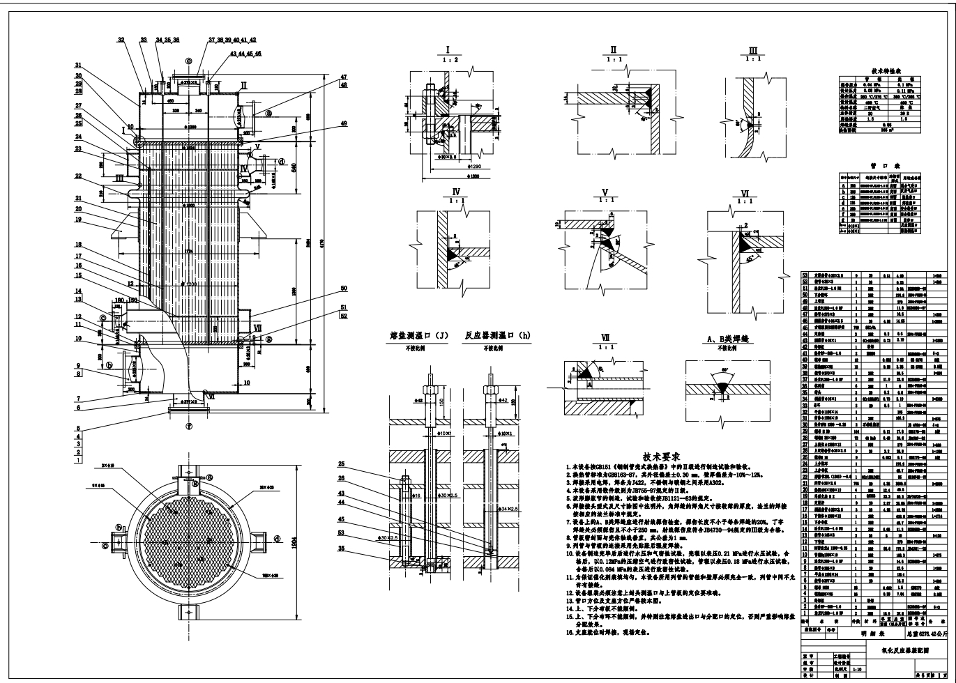
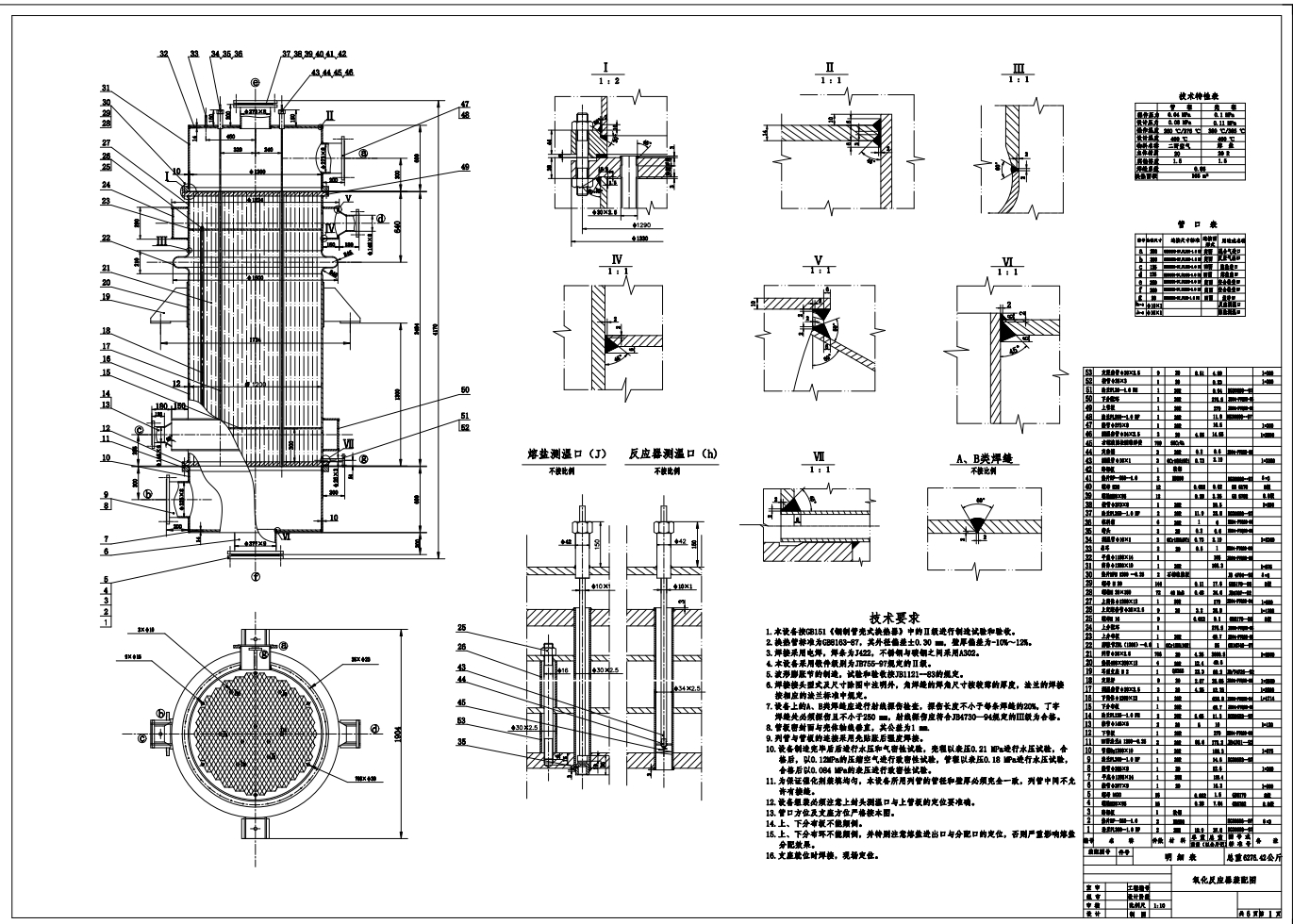
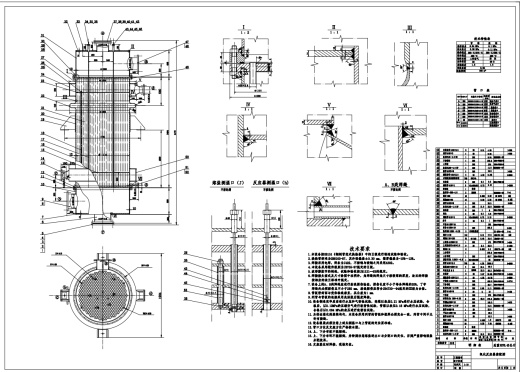
化工氧化反应器结构设计CAD+说明书AutoCAD图档

图档名称为:化工氧化反应器结构设计CAD+说明书,属于机械设备,钢结构支架分类,软件为AutoCAD, 图纸格式为dwg,可在线预览,可编辑,可供设计参考

加入收藏
模型参数

模型ID:10305443

模型大小:2.42M

软件版本: AutoCAD 2000

模型格式:dwg

是否可编辑:可修改,包括参数

上传时间:2025-11-09

图纸介绍:

下载模型
菁菁
作品: 0
粉丝: 0
文件列表
1. 上分布板.dwg
417 KB
2. 下筒体.dwg
478 KB
3. 填料箱体.dwg
431 KB
4. 微信截图_20240104171802.png
499 KB
5. 微信截图_20240104171813.png
400 KB
6. 微信截图_20240104171819.png
294 KB
7. 微信截图_20240104171824.png
427 KB
8. 氧化反应器.dwg
668 KB
9. 氧化反应器说明书.doc
1.44 MB
10. 筛孔环.dwg
468 KB
【化工氧化反应器结构设计CAD+说明书】相关作品
滚动更载更多~
提示
×

下载该图档需要消耗20金币!

确认下载
加载中