D0728-2500mm剪板机刀架结构设计+CAD+说明书==1107006=250AutoCAD图档

图档名称为:D0728-2500mm剪板机刀架结构设计+CAD+说明书==1107006=250,属于机械设备,钢结构支架分类,软件为AutoCAD, 图纸格式为dwg,pdf,可在线预览,可编辑,可供设计参考

加入收藏
模型参数

模型ID:10367252

模型大小:8.06M

软件版本: AutoCAD 2004

模型格式:dwg,pdf

是否可编辑:可修改,包括参数

上传时间:2026-01-12

图纸介绍:

下载模型
作品: 276
粉丝: 0
文件列表
1. 上刀架部装图A0.dwg
113 KB
2. 下刀架部装图A0.PDF
178 KB
3. 下刀架部装图A0.dwg
173 KB
4. 任务书.PDF
257 KB
5. 任务书.docx
17.1 KB
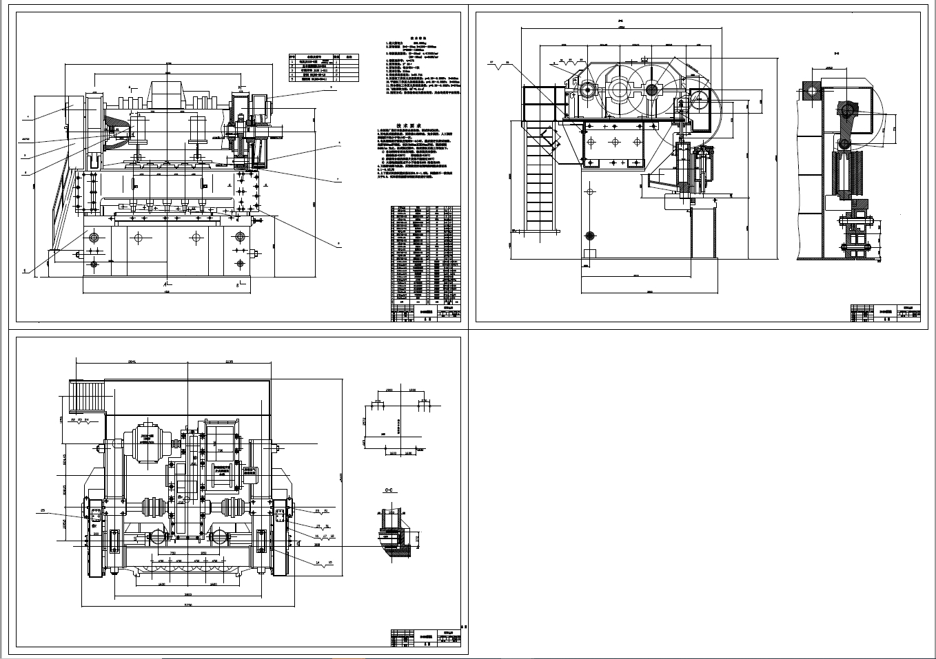
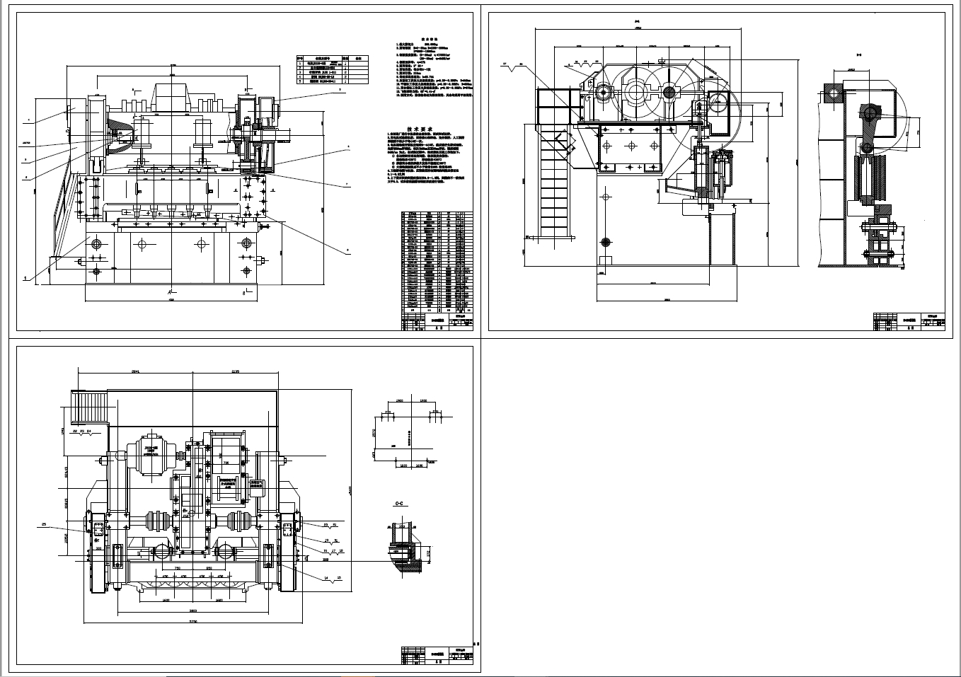
6. 剪板机总装图.PDF
725 KB
7. 剪板机总装图.dwg
332 KB
8. 剪板机总装图视图1.PDF
117 KB
9. 剪板机总装图视图1.dwg
144 KB
10. 剪板机总装图视图2.PDF
567 KB
11. 剪板机总装图视图2.dwg
140 KB
12. 剪板机总装图视图3.PDF
118 KB
13. 剪板机总装图视图3.dwg
130 KB
14. 吊叉A3.PDF
61.4 KB
15. 吊叉A3.dwg
53.1 KB
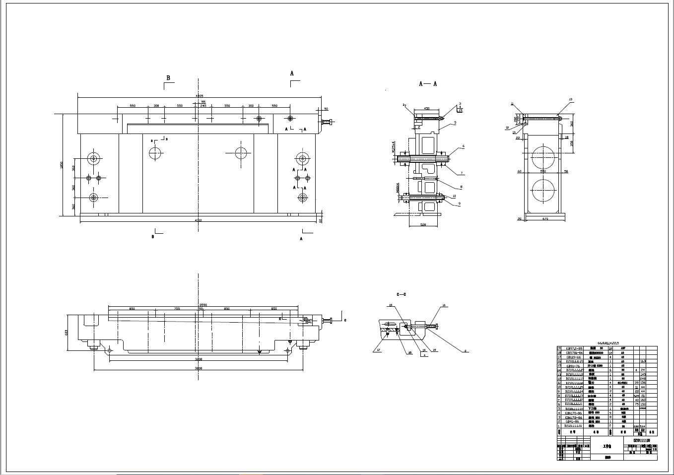
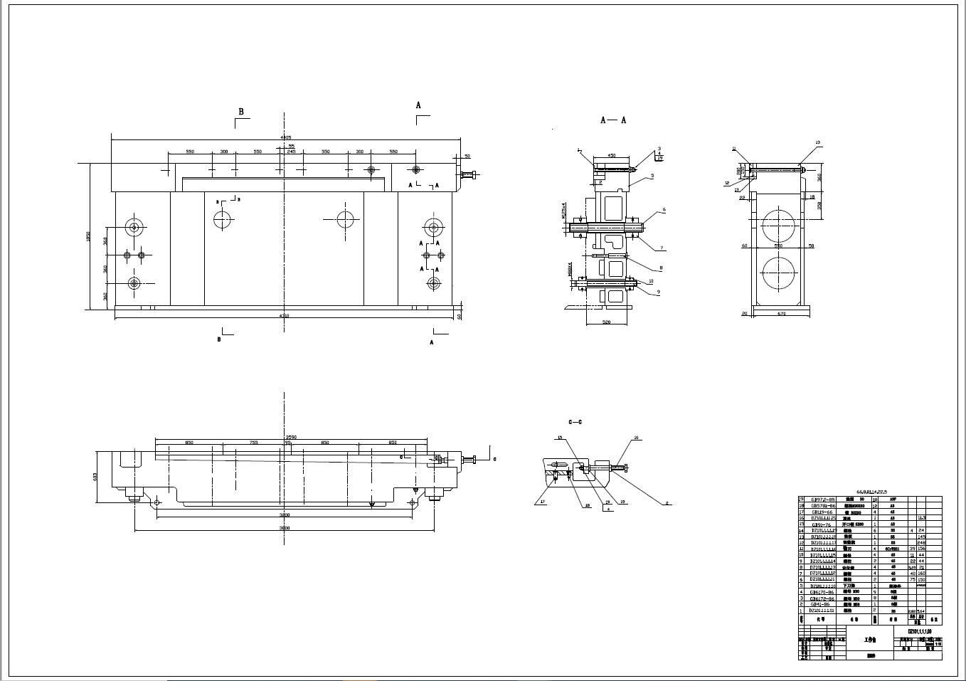
16. 工作台.PDF
127 KB
17. 工作台.dwg
136 KB
18. 微信截图_20240630182827.png
309 KB
19. 微信截图_20240630182834.png
166 KB
20. 微信截图_20240630182838.png
210 KB
21. 微信截图_20240630182850.png
319 KB
22. 微信截图_20240630182854.png
217 KB
23. 打印原稿.pdf
3.86 MB
24. 说明书.docx
659 KB
25. 说明书.pdf
995 KB
【D0728-2500mm剪板机刀架结构设计+CAD+说明书==1107006=250】相关作品
下载提示
×

下载该图档需要消耗20金币!

确认下载
-- 热门充值套餐 · 限时优惠 --
加载中