D0745-FDM型3D打印机机械结构设计+CAD+说明书==1032265=250AutoCAD图档

图档名称为:D0745-FDM型3D打印机机械结构设计+CAD+说明书==1032265=250,属于数码电器,其它电器分类,软件为AutoCAD, 图纸格式为pdf,dwg,可在线预览,可编辑,可供设计参考

加入收藏
模型参数

模型ID:10365117

模型大小:6.87M

软件版本: AutoCAD 2007

模型格式:pdf,dwg

是否可编辑:可修改,包括参数

上传时间:2026-01-10

图纸介绍:

下载模型
作品: 298
粉丝: 0
文件列表
1. FDM3D打印机部分装配图二A0.PDF
196 KB
2. FDM3D打印机部分装配图二A0.dwg
1.26 MB
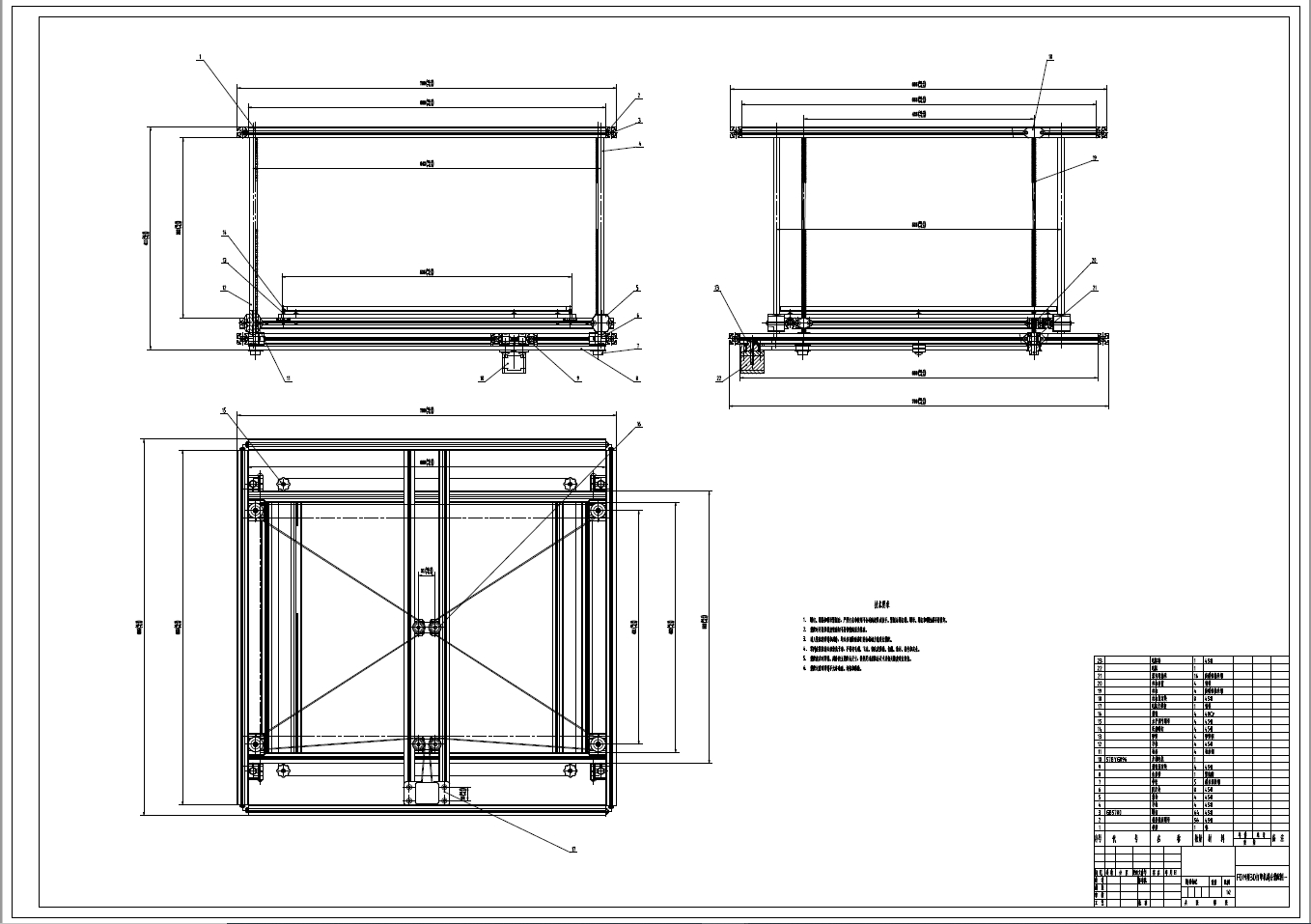
3. FDM型3D打印机总装图A0.PDF
330 KB
4. FDM型3D打印机总装图A0.dwg
1.14 MB
5. FDM型3D打印机部分装配图一A0.PDF
264 KB
6. FDM型3D打印机部分装配图一A0.dwg
1010 KB
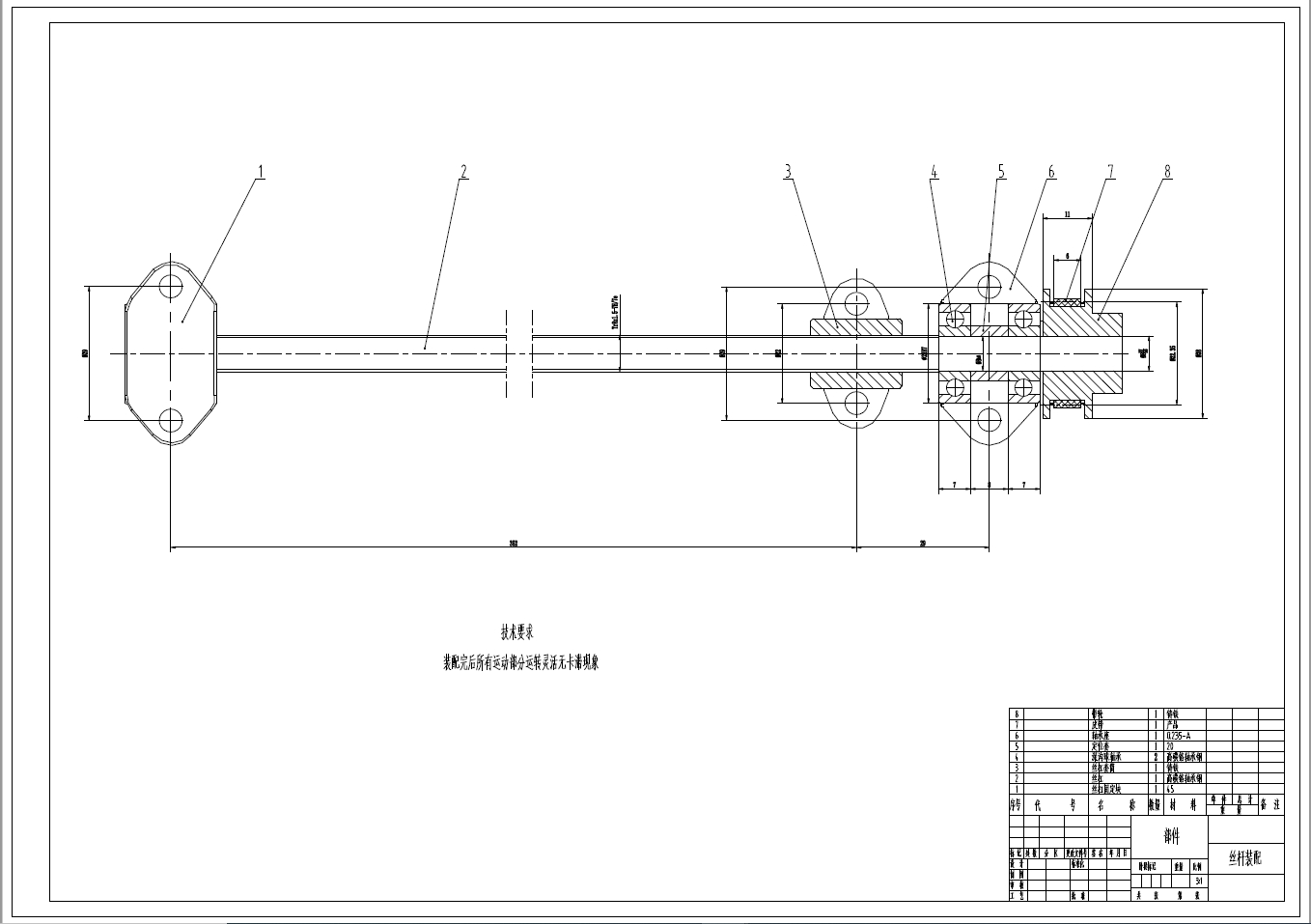
7. 丝杆装配.PDF
43.7 KB
8. 丝杆装配.dwg
350 KB
9. 喷头.DWG
319 KB
10. 喷头.PDF
24.8 KB
11. 喷头本体改.PDF
32.5 KB
12. 喷头本体改.dwg
337 KB
13. 喷头装配.PDF
83.6 KB
14. 喷头装配.dwg
423 KB
15. 导柱.PDF
25.7 KB
16. 导柱.dwg
316 KB
17. 微信截图_20240630185656.png
205 KB
18. 微信截图_20240630185715.png
217 KB
19. 微信截图_20240630185719.png
151 KB
20. 微信截图_20240630185723.png
149 KB
21. 微信截图_20240630185727.png
155 KB
22. 微信截图_20240630185730.png
167 KB
23. 挤出头A2.PDF
75 KB
24. 挤出头A2.dwg
450 KB
25. 设计说明书.docx
1.12 MB
26. 设计说明书.pdf
1.01 MB
27. 轴套A4.PDF
21.5 KB
28. 轴套A4.dwg
418 KB
【D0745-FDM型3D打印机机械结构设计+CAD+说明书==1032265=250】相关作品
下载提示
×

下载该图档需要消耗20金币!

确认下载
-- 热门充值套餐 · 限时优惠 --
加载中