变速叉的铣宽7侧面夹具设计及加工工艺装备含4张CAD图AutoCAD图档

图档名称为:变速叉的铣宽7侧面夹具设计及加工工艺装备含4张CAD图,属于设备部件,工器具分类,软件为AutoCAD, 图纸格式为dwg,可在线预览,可编辑,可供设计参考

加入收藏
模型参数

模型ID:10360134

模型大小:1.55M

软件版本: AutoCAD 2004

模型格式:dwg

是否可编辑:可修改,包括参数

上传时间:2025-12-31

图纸介绍:

下载模型
作品: 289
粉丝: 0
文件列表
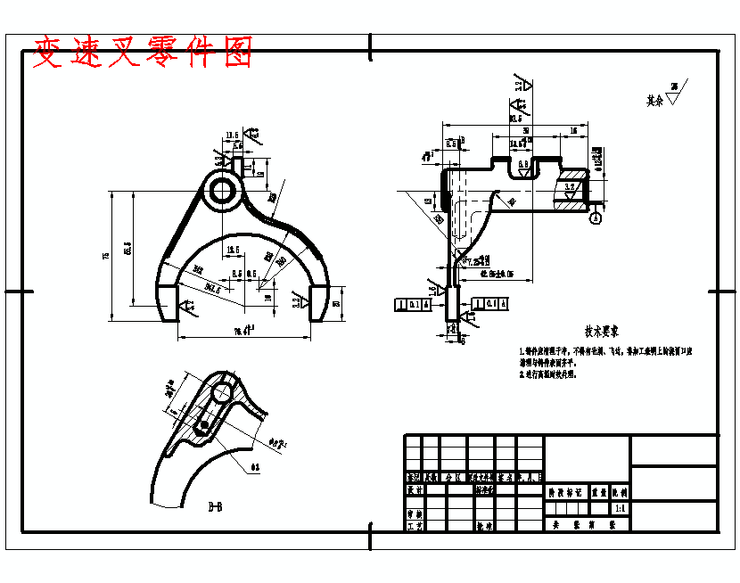
1. 变速叉零件图.dwg
82.8 KB
2. 变速叉零件图.gif
16.4 KB
3. 夹具体零件图.dwg
80.5 KB
4. 夹具体零件图.gif
11.2 KB
5. 夹具装配图.dwg
104 KB
6. 夹具装配图.gif
16.5 KB
7. 夹具设计部分.JPG
356 KB
8. 字数.JPG
70.6 KB
9. 字数.JPG
70.6 KB
10. 工序卡片1.doc
43.5 KB
11. 工序卡片10.doc
47 KB
12. 工序卡片2.doc
43.5 KB
13. 工序卡片3.doc
44 KB
14. 工序卡片4.doc
45 KB
15. 工序卡片5.doc
44 KB
16. 工序卡片6.doc
45 KB
17. 工序卡片7.doc
45 KB
18. 工序卡片8.doc
45 KB
19. 工序卡片9.doc
45 KB
20. 工艺过程卡.doc
49.5 KB
21. 毛坯图.dwg
86.9 KB
22. 毛坯图.gif
15.2 KB
23. 设计所包含文件.JPG
23.6 KB
24. 说明书-变速叉的铣宽7侧面夹具设计及加工工艺装备.doc
444 KB
25. 说明书前三页.JPG
462 KB
26. 过程卡.JPG
157 KB
【变速叉的铣宽7侧面夹具设计及加工工艺装备含4张CAD图】相关作品
下载提示
×

下载该图档需要消耗20金币!

确认下载
-- 热门充值套餐 · 限时优惠 --
加载中