CA6140车床手柄座831015的钻Φ5.5孔夹具设计及加工工艺装备-气动夹紧含4张CAD图AutoCAD图档

图档名称为:CA6140车床手柄座831015的钻Φ5.5孔夹具设计及加工工艺装备-气动夹紧含4张CAD图,属于设备部件,液压气动元件分类,软件为AutoCAD, 图纸格式为dwg,pdf,可在线预览,可编辑,可供设计参考

加入收藏
模型参数

模型ID:10336491

模型大小:4.94M

软件版本: AutoCAD 2004

模型格式:dwg,pdf

是否可编辑:可修改,包括参数

上传时间:2025-12-10

图纸介绍:

下载模型
作品: 278
粉丝: 0
文件列表
1. A夹具装配图.dwg
97.1 KB
2. A夹具装配图.jpg
194 KB
3. C6410车床手柄座设计说明书.doc
753 KB
4. CA6140车床手柄座毛坯图-版本2.dwg
61.4 KB
5. CA6140车床手柄座毛坯图-版本2.jpg
158 KB
6. CA6140车床手柄座的钻Φ5.5孔夹具设计及加工工艺开题报告.doc
126 KB
7. CA6140车床手柄座的钻Φ5.5孔夹具设计及加工工艺说明书.doc
671 KB
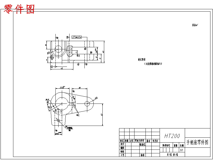
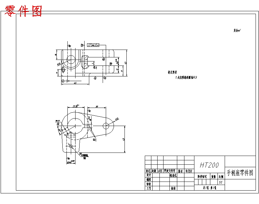
8. CA6140车床手柄座零件图..dwg
119 KB
9. 中期报告.doc
37 KB
10. 加工过程卡.PNG
47.6 KB
11. 外文.pdf
765 KB
12. 外文文献译文 2.doc
1.47 MB
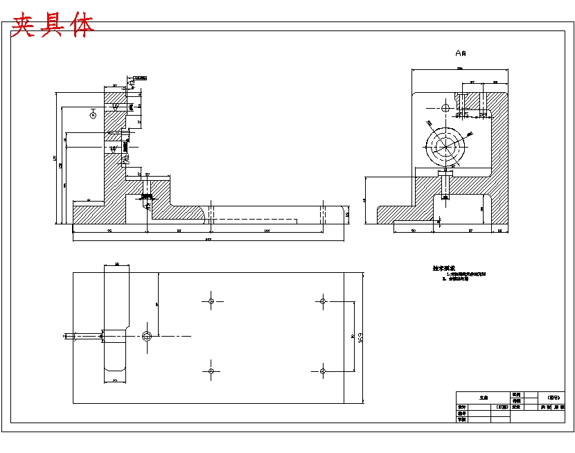
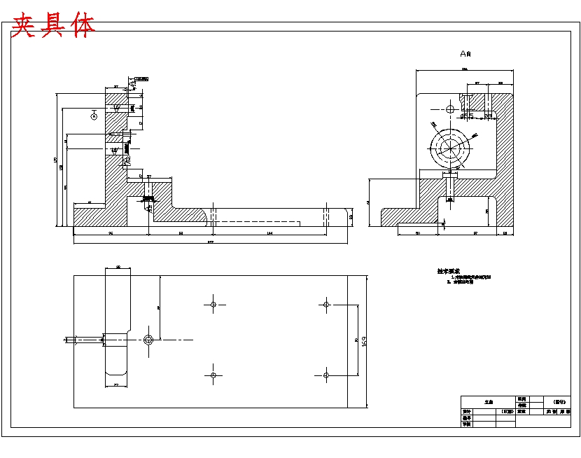
13. 夹具体.dwg
111 KB
14. 夹具体.jpg
134 KB
15. 夹具设计部分.PNG
34 KB
16. 字数统计.PNG
20.2 KB
17. 字数统计.PNG
20.2 KB
18. 工序卡 (1).dwg
46.6 KB
19. 工序卡 (10).dwg
50.1 KB
20. 工序卡 (3).dwg
47.8 KB
21. 工序卡 (4).dwg
50.3 KB
22. 工序卡 (5).dwg
49.6 KB
23. 工序卡 (6).dwg
49.5 KB
24. 工序卡 (7).dwg
49.6 KB
25. 工序卡 (8).dwg
49.6 KB
26. 工序卡 (9).dwg
49.3 KB
27. 工序卡(2).dwg
47.8 KB
28. 工序卡.PNG
151 KB
29. 工艺卡封皮.doc
11 KB
30. 工艺过程卡.doc
48 KB
31. 手柄座工艺工序卡.doc
9.53 MB
32. 手柄座工艺过程卡.doc
67.5 KB
33. 手柄座毛坯图.dwg
57.4 KB
34. 手柄座毛坯图.jpg
123 KB
35. 手柄座毛胚图.dwg
56 KB
36. 手柄座零件图.dwg
78.4 KB
37. 手柄座零件图.jpg
129 KB
38. 摘要.doc
17 KB
39. 摘要部分.PNG
40.8 KB
40. 设计所包含文件.jpg
176 KB
41. 设计目录.PNG
58.9 KB
42. 过程、工序卡片.doc
1.47 MB
43. 钻直径5.5夹具体.dwg
104 KB
44. 钻直径5.5装配图.dwg
95.4 KB
45. 零件图.dwg
61.7 KB
46. 零件图.jpg
114 KB
【CA6140车床手柄座831015的钻Φ5.5孔夹具设计及加工工艺装备-气动夹紧含4张CAD图】相关作品
下载提示
×

下载该图档需要消耗20金币!

确认下载
-- 热门充值套餐 · 限时优惠 --
加载中