支架的钻、攻丝M10夹具设计及加工工艺装备含4张CAD图AutoCAD图档

图档名称为:支架的钻、攻丝M10夹具设计及加工工艺装备含4张CAD图,属于机械设备,钢结构支架分类,软件为AutoCAD, 图纸格式为dwg,可在线预览,可编辑,可供设计参考

加入收藏
模型参数

模型ID:10359982

模型大小:2.02M

软件版本: AutoCAD 2004

模型格式:dwg

是否可编辑:可修改,包括参数

上传时间:2025-12-31

图纸介绍:

下载模型
文件列表
1. 1字数.JPG
56.3 KB
2. 2摘要.JPG
130 KB
3. 3设计所包含文件.JPG
25.4 KB
4. 4目录.JPG
117 KB
5. 5夹具设计部分.JPG
331 KB
6. 6过程卡.JPG
202 KB
7. 7工序卡.JPG
574 KB
8. 字数.JPG
56.3 KB
9. 工艺过程卡.doc
31.5 KB
10. 支架.dwg
86.1 KB
11. 支架.gif
14.2 KB
12. 机械加工工序卡片.doc
549 KB
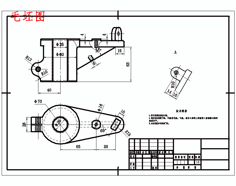
13. 毛坯图.dwg
61.4 KB
14. 毛坯图.gif
15.6 KB
15. 说明书-支架的加工工艺规程及钻、攻丝M10的夹具设计.doc
624 KB
16. 钻、攻M10夹具体零件图.dwg
34.4 KB
17. 钻、攻M10夹具体零件图.gif
13.5 KB
18. 钻、攻M10装配图.dwg
62.2 KB
19. 钻、攻M10装配图.gif
16.9 KB
【支架的钻、攻丝M10夹具设计及加工工艺装备含4张CAD图】相关作品
下载提示
×

下载该图档需要消耗20金币!

确认下载
-- 热门充值套餐 · 限时优惠 --
加载中