轴承座的铣底面夹具设计及加工工艺含4张CAD图AutoCAD图档

图档名称为:轴承座的铣底面夹具设计及加工工艺含4张CAD图,属于设备部件,传动部件分类,软件为AutoCAD, 图纸格式为dwg,可在线预览,可编辑,可供设计参考

加入收藏
模型参数

模型ID:10329378

模型大小:2.91M

软件版本: AutoCAD 2004

模型格式:dwg

是否可编辑:可修改,包括参数

上传时间:2025-12-02

图纸介绍:

下载模型
九重宫阙
作品: 0
粉丝: 0
文件列表
1. A2-夹具体.dwg
61.6 KB
2. A2-夹具体.jpg
74.4 KB
3. A2-夹具装配图.dwg
60.8 KB
4. A2-夹具装配图.jpg
122 KB
5. A4-毛坯图.dwg
71.4 KB
6. A4-毛坯图.jpg
159 KB
7. A4-零件图.dwg
77.4 KB
8. A4-零件图.jpg
148 KB
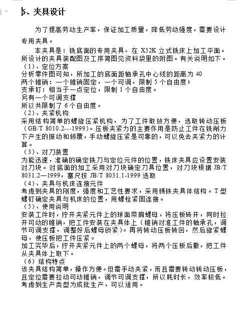
9. 夹具设计部分.PNG
27.3 KB
10. 字数统计.PNG
22.7 KB
11. 字数统计.PNG
22.7 KB
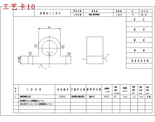
12. 工艺卡10.dwg
72 KB
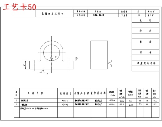
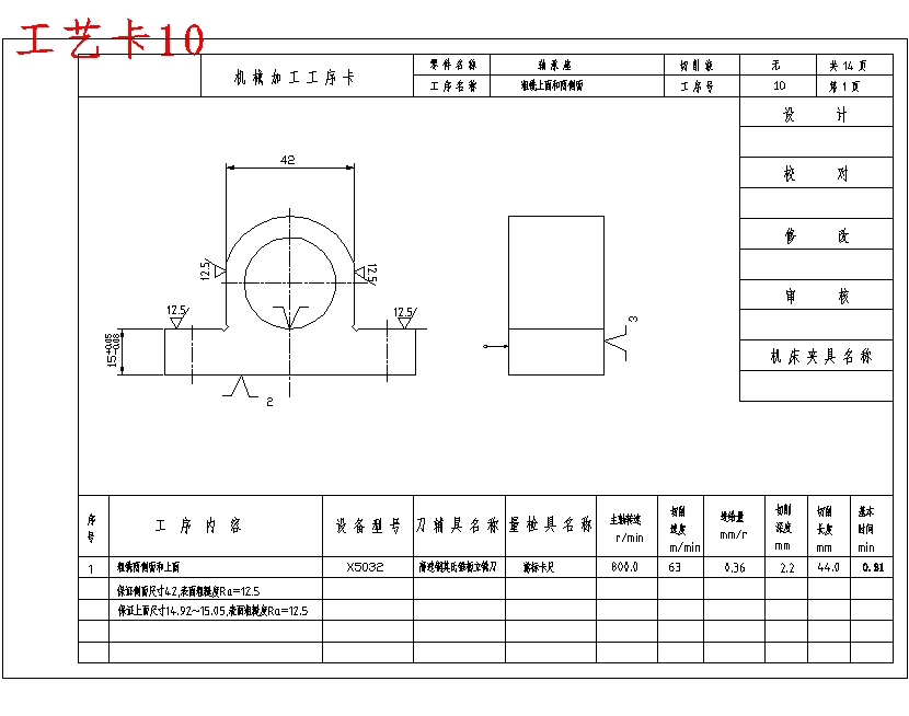
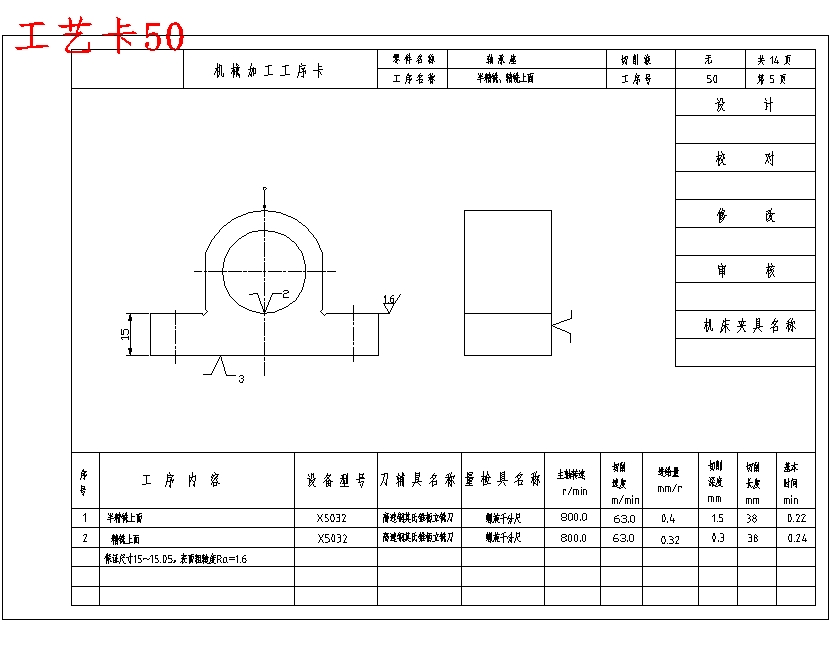
13. 工艺卡10.jpg
141 KB
14. 工艺卡100.dwg
62.6 KB
15. 工艺卡100.jpg
148 KB
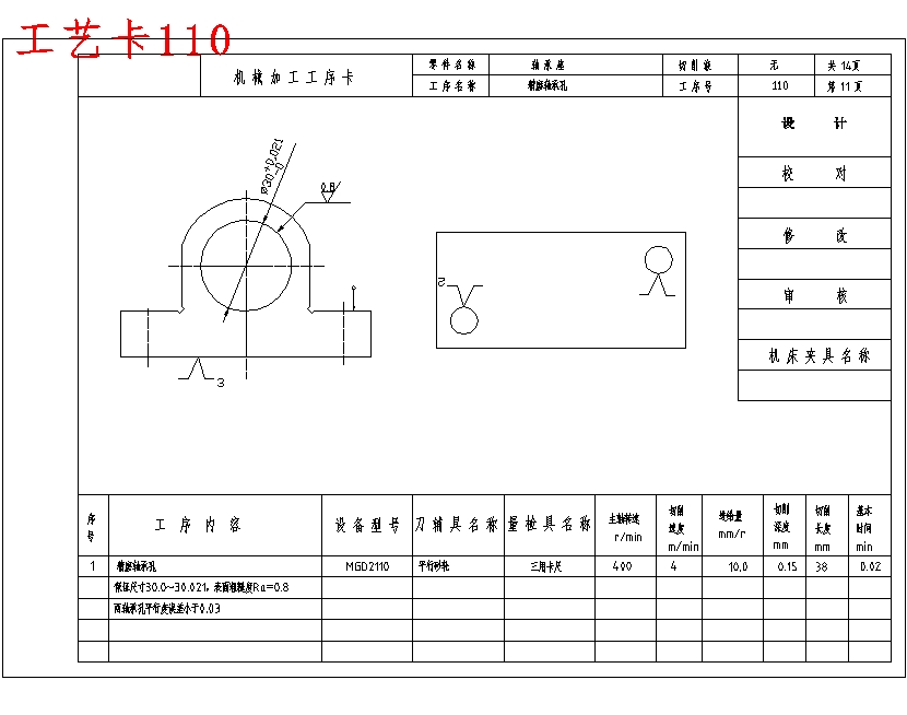
16. 工艺卡110.dwg
61.7 KB
17. 工艺卡110.jpg
139 KB
18. 工艺卡120.dwg
54.2 KB
19. 工艺卡120.jpg
114 KB
20. 工艺卡130.dwg
55.1 KB
21. 工艺卡130.jpg
120 KB
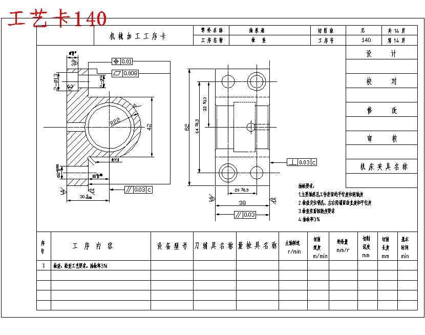
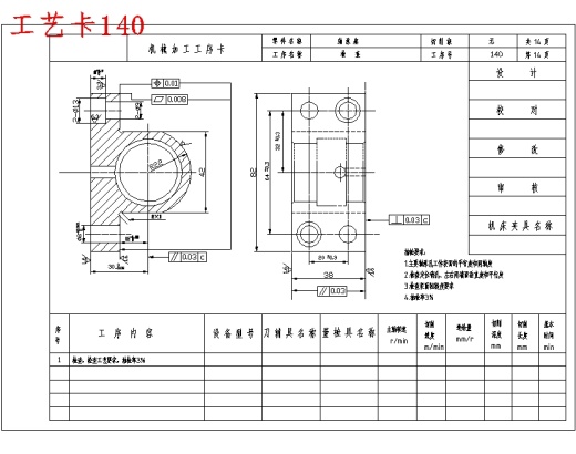
22. 工艺卡140.dwg
82.5 KB
23. 工艺卡140.jpg
196 KB
24. 工艺卡20.dwg
62.9 KB
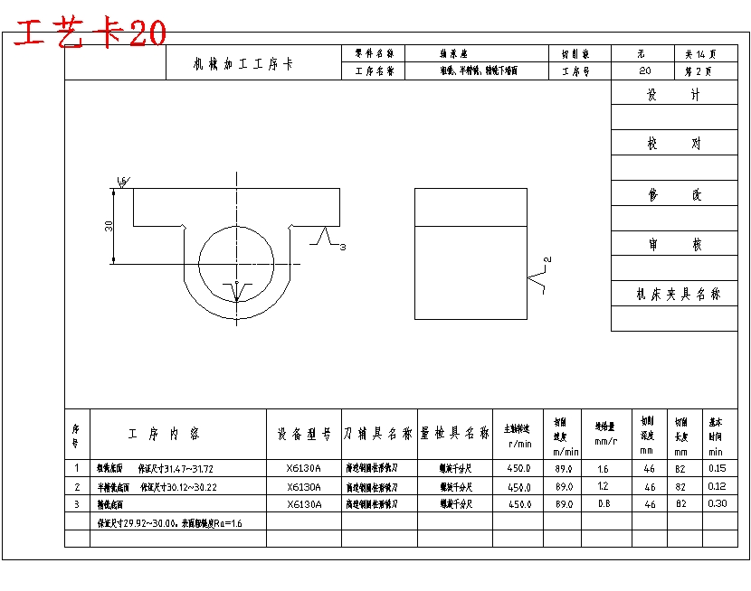
25. 工艺卡20铣底面.jpg
152 KB
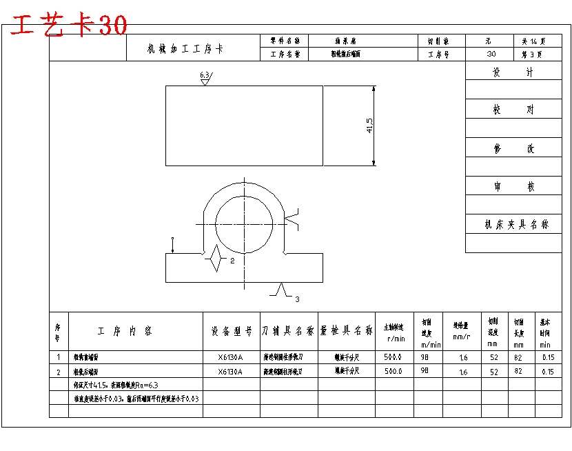
26. 工艺卡30.dwg
60.4 KB
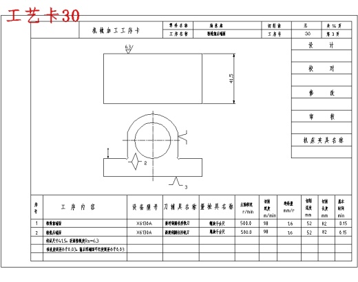
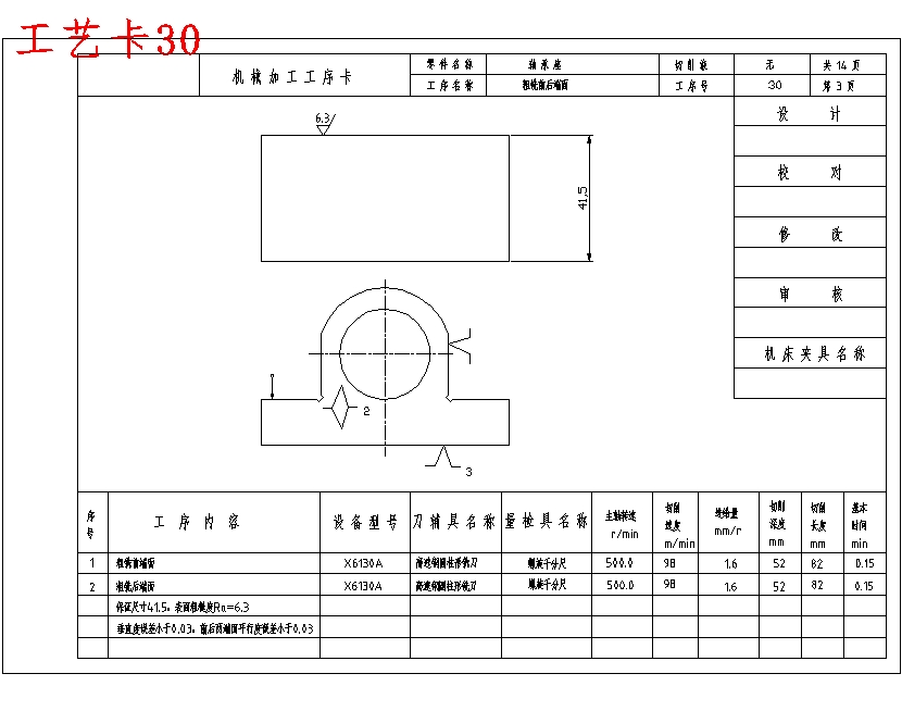
27. 工艺卡30.jpg
143 KB
28. 工艺卡40.dwg
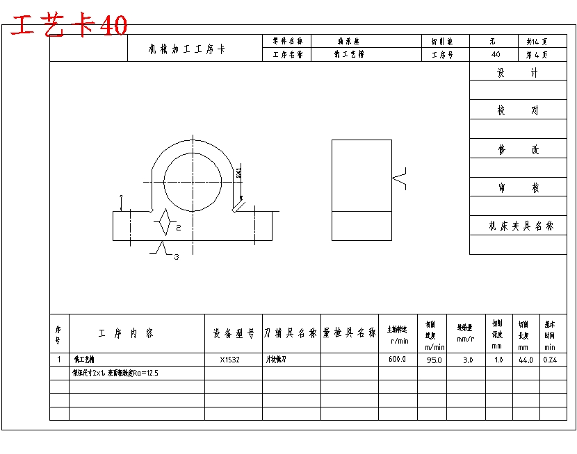
58.9 KB
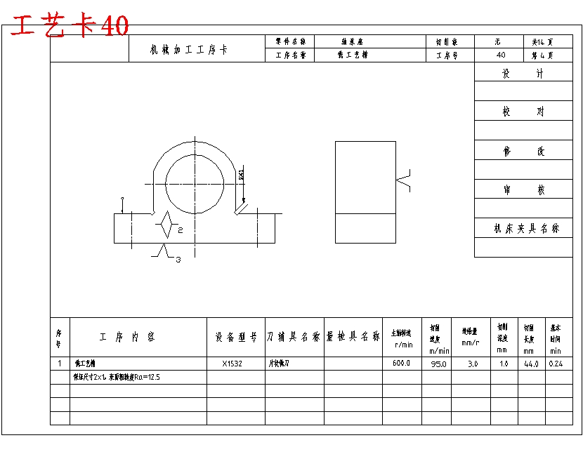
29. 工艺卡40.jpg
129 KB
30. 工艺卡50.dwg
59.3 KB
31. 工艺卡50.jpg
141 KB
32. 工艺卡60.dwg
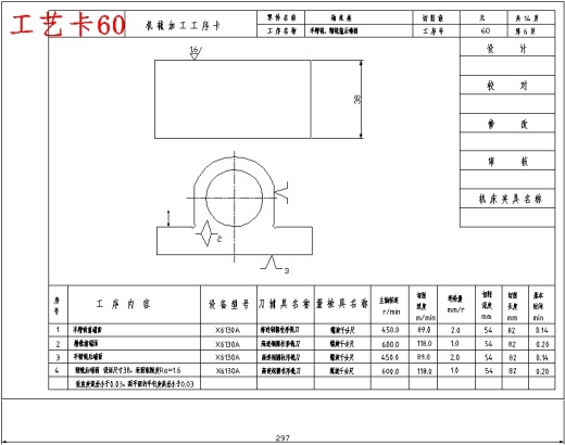
60.9 KB
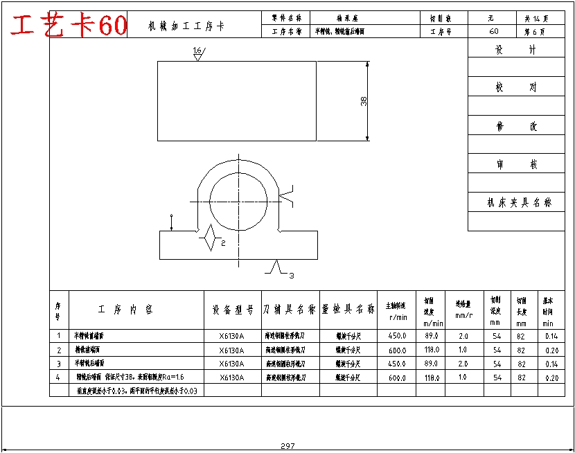
33. 工艺卡60.jpg
168 KB
34. 工艺卡70.dwg
63.6 KB
35. 工艺卡70.jpg
149 KB
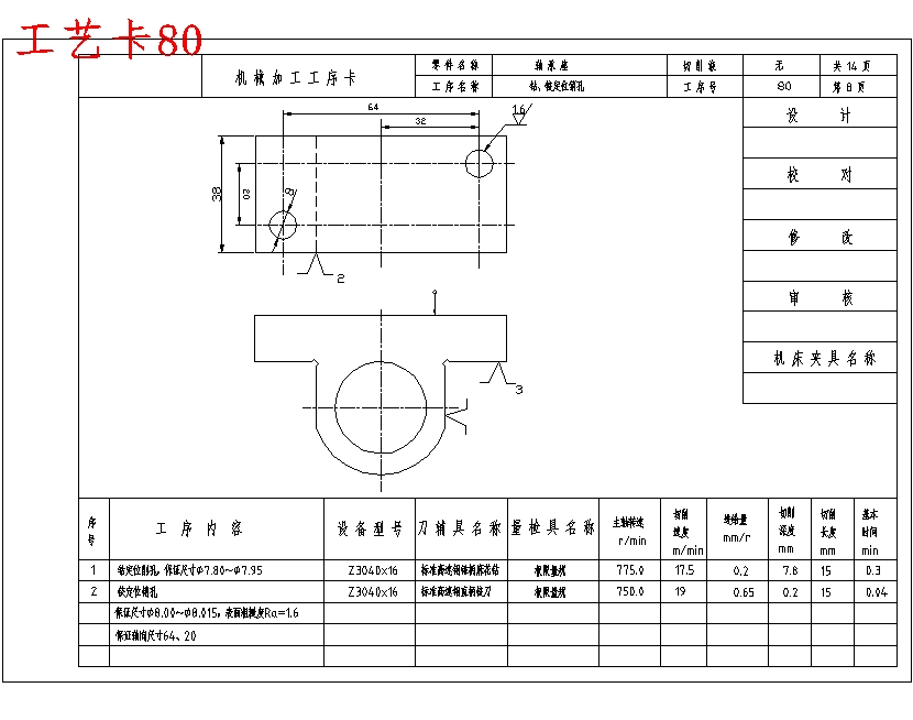
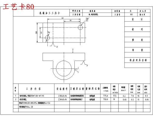
36. 工艺卡80.dwg
61.8 KB
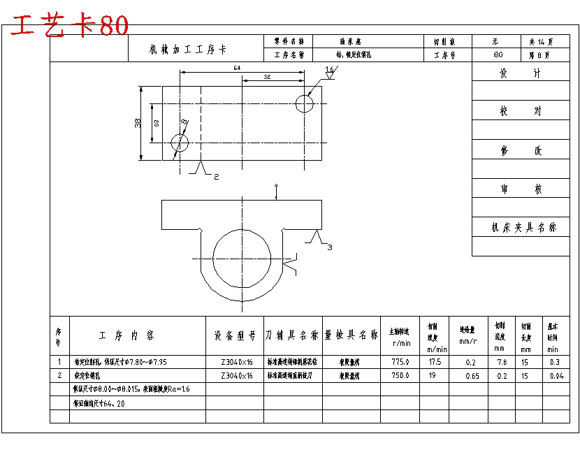
37. 工艺卡80.jpg
159 KB
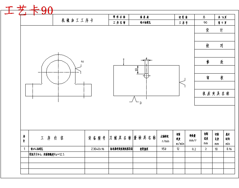
38. 工艺卡90.dwg
63.2 KB
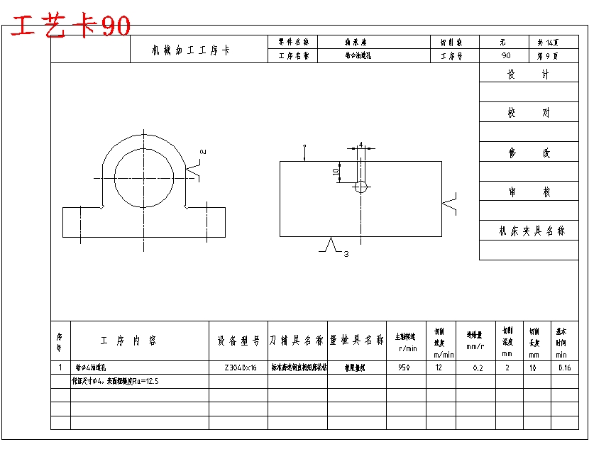
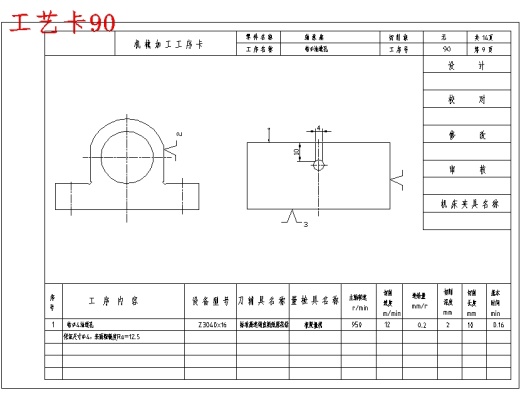
39. 工艺卡90.jpg
133 KB
40. 工艺卡片.doc
92.7 KB
41. 摘要部分.PNG
15.5 KB
42. 机械加工工艺过程卡.doc
35.5 KB
43. 设计所包含文件.jpg
234 KB
44. 设计目录.PNG
11.5 KB
45. 轴承座的铣底面夹具设计及加工工艺说明书.doc
174 KB
46. 过程卡.PNG
29 KB
【轴承座的铣底面夹具设计及加工工艺含4张CAD图】相关作品
滚动更载更多~
提示
×

下载该图档需要消耗20金币!

确认下载
加载中