焊接用机械手设计【五自由度】-优秀设计AutoCAD图档

图档名称为:焊接用机械手设计【五自由度】-优秀设计,属于机械设备,智能装置分类,软件为AutoCAD, 图纸格式为dwg,可在线预览,可编辑,可供设计参考

加入收藏
模型参数

模型ID:10320843

模型大小:7.74M

软件版本: AutoCAD 2010

模型格式:dwg

是否可编辑:可修改,包括参数

上传时间:2025-11-24

图纸介绍:

下载模型
作品: 292
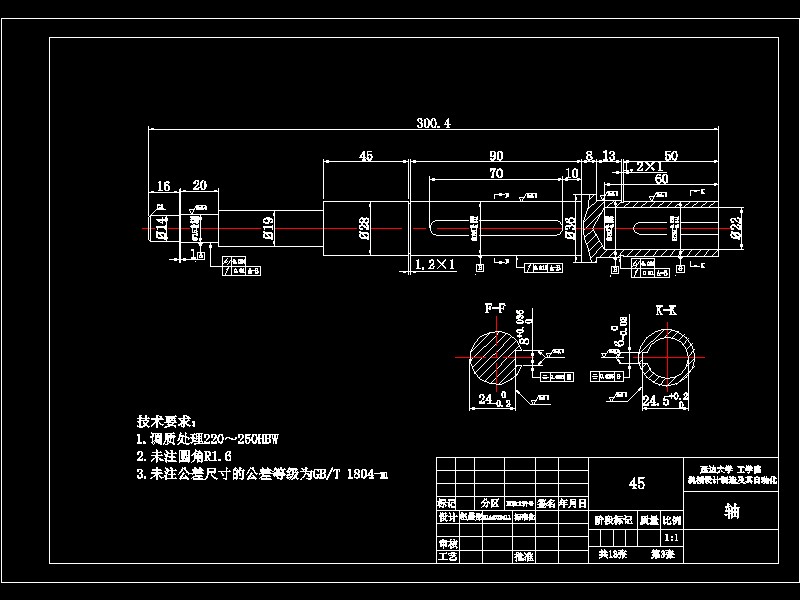
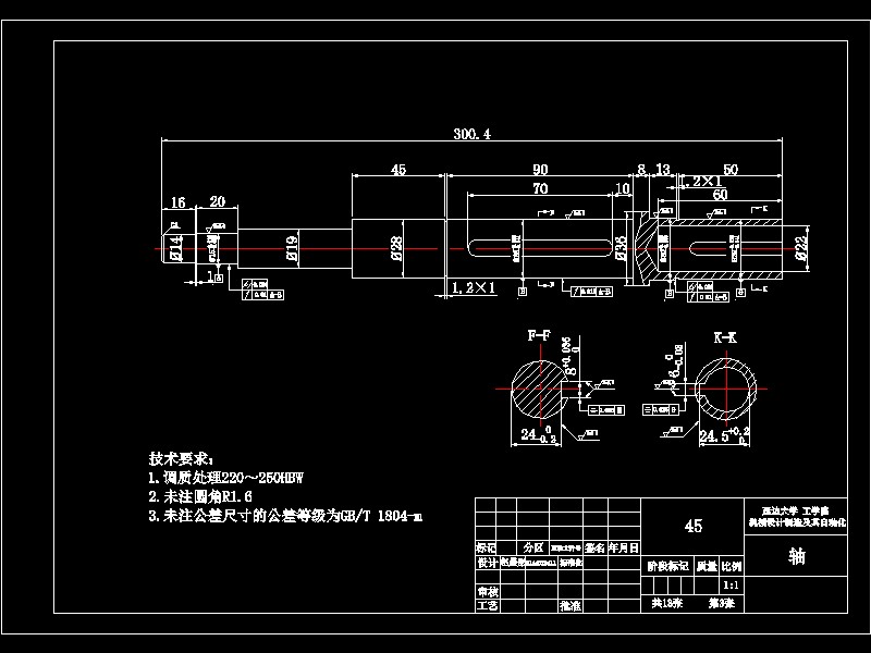
粉丝: 0
文件列表
1. 1-零件图-链轮-A4.dwg
89.6 KB
2. 1-零件图-链轮-A4.jpg
64.7 KB
3. 10-零件图-不规则壳体-A2.dwg
91 KB
4. 10-零件图-不规则壳体-A2.jpg
103 KB
5. 11-部装图-谐波齿轮减速器-A1.dwg
137 KB
6. 11-部装图-谐波齿轮减速器-A1.jpg
127 KB
7. 12-部装图-手腕-A1.dwg
189 KB
8. 12-部装图-手腕-A1.jpg
125 KB
9. 13-总装图-A0.dwg
440 KB
10. 13-总装图-A0.jpg
172 KB
11. 2-零件图-液压缸体-A4.dwg
82 KB
12. 2-零件图-液压缸体-A4.jpg
68.3 KB
13. 3-零件图-轴-A3.dwg
95.9 KB
14. 3-零件图-轴-A3.jpg
82.5 KB
15. 4-零件图-小臂根部-A3.dwg
83.8 KB
16. 4-零件图-小臂根部-A3.jpg
89.7 KB
17. 5-零件图-法兰-A3.dwg
82.9 KB
18. 5-零件图-法兰-A3.jpg
88.6 KB
19. 6-零件图-套筒-A3.dwg
86.1 KB
20. 6-零件图-套筒-A3.jpg
106 KB
21. 7-零件图-大臂-A3.dwg
98.5 KB
22. 7-零件图-大臂-A3.jpg
84.7 KB
23. 8-零件图-底座-A3.dwg
88 KB
24. 8-零件图-底座-A3.jpg
91.2 KB
25. 9-零件图-回转体-A3.dwg
94.4 KB
26. 9-零件图-回转体-A3.jpg
38.8 KB
27. 图纸总汇.dwg
1.06 MB
28. 文件.jpg
28.2 KB
29. 答辩PPT.pptx
4.08 MB
30. 说明书.docx
741 KB
31. 说明书.jpg
63.4 KB
【焊接用机械手设计【五自由度】-优秀设计】相关作品
下载提示
×

下载该图档需要消耗20金币!

确认下载
-- 热门充值套餐 · 限时优惠 --
加载中