钻孔组合机床设计【优秀含CAD图纸】AutoCAD图档

图档名称为:钻孔组合机床设计【优秀含CAD图纸】,属于机械设备,机加工设备分类,软件为AutoCAD, 图纸格式为dwg,可在线预览,可编辑,可供设计参考

加入收藏
模型参数

模型ID:10269180

模型大小:1.25M

软件版本: AutoCAD 2004

模型格式:dwg

是否可编辑:可修改,包括参数

上传时间:2025-07-12

图纸介绍:

下载模型
作品: 301
粉丝: 0
文件列表
1. Drawing1.dwg.dwg
54 KB
2. QQ截图20160709101626.png
33.9 KB
3. QQ截图20160709101637.png
14.2 KB
4. QQ截图20160709101643.png
69.8 KB
5. QQ截图20160709101700.png
9.36 KB
6. QQ截图20160709101705.png
25.8 KB
7. QQ截图20160709101710.png
18.4 KB
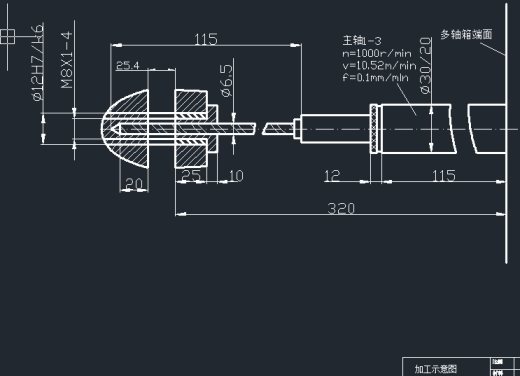
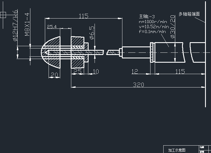
8. 加工示意.dwg
54.3 KB
9. 多轴箱原始依据图.dwg
34.7 KB
10. 多轴箱装配图.dwg
165 KB
11. 多轴箱装配图2.dwg
165 KB
12. 夹具.dwg
65 KB
13. 夹具图.dwg
31.9 KB
14. 工作记录及成绩评定册.doc
271 KB
15. 左主轴箱装配图.dwg
165 KB
16. 机床总装配图.dwg
101 KB
17. 翻译和原文.doc
58 KB
18. 联系尺寸总图.dwg
86.3 KB
19. 被加工零件工序图.dwg
64.8 KB
20. 钻孔组合机床设计.doc
904 KB
【钻孔组合机床设计【优秀含CAD图纸】】相关作品
下载提示
×

下载该图档需要消耗20金币!

确认下载
-- 热门充值套餐 · 限时优惠 --
加载中