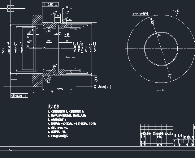
HSG焊接式连接液压缸结构设计【优秀含CAD图纸】AutoCAD图档

图档名称为:HSG焊接式连接液压缸结构设计【优秀含CAD图纸】,属于设备部件,液压气动元件分类,软件为AutoCAD, 图纸格式为dwg,可在线预览,可编辑,可供设计参考

加入收藏
模型参数

模型ID:10269021

模型大小:1.13M

软件版本: AutoCAD 2007

模型格式:dwg

是否可编辑:可修改,包括参数

上传时间:2025-07-12

图纸介绍:

下载模型
作品: 280
粉丝: 0
文件列表
1. QQ截图20160709150120.png
9.67 KB
2. QQ截图20160709150123.png
12.8 KB
3. QQ截图20160709150128.png
9.42 KB
4. 全部图纸.dwg
261 KB
5. 设计说明书.doc
1.45 MB
【HSG焊接式连接液压缸结构设计【优秀含CAD图纸】】相关作品
下载提示
×

下载该图档需要消耗20金币!

确认下载
-- 热门充值套餐 · 限时优惠 --
加载中