E1041-摆动活塞式发动机的结构设计 CAD+说明书AutoCAD图档

图档名称为:E1041-摆动活塞式发动机的结构设计 CAD+说明书,属于交通运输,车辆相关分类,软件为AutoCAD, 图纸格式为dwg,可在线预览,可编辑,可供设计参考

加入收藏
模型参数

模型ID:10283454

模型大小:2.16M

软件版本: AutoCAD 2004

模型格式:dwg

是否可编辑:可修改,包括参数

上传时间:2025-08-13

图纸介绍:

下载模型
饮朝露
作品: 0
粉丝: 0
文件列表
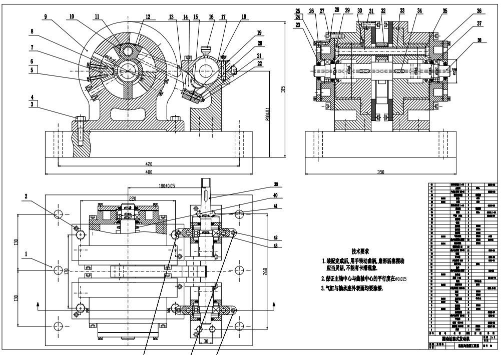
1. A0-装配图.dwg
339 KB
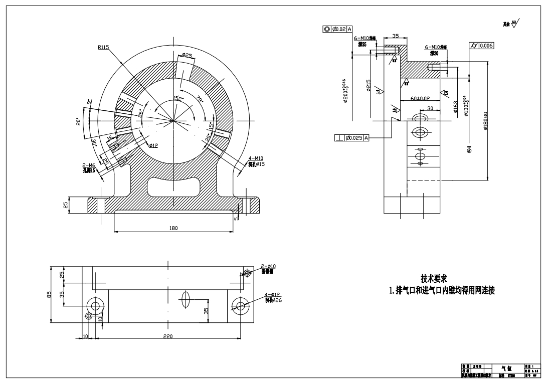
2. A1-气缸.dwg
95.3 KB
3. A2-后端盖.dwg
39.4 KB
4. A2-扇形活塞.dwg
47.4 KB
5. A2-曲轴.dwg
51 KB
6. A2-气缸端盖.dwg
52.9 KB
7. A3-主轴.dwg
56 KB
8. A3-楔形块.dwg
48.8 KB
9. A3-轴承座.dwg
68.6 KB
10. A3-轴承端盖3=.dwg
42.4 KB
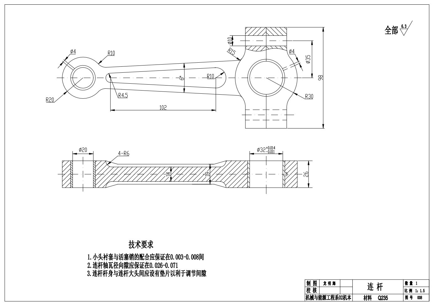
11. A3-连杆.dwg
78.9 KB
12. 任务书.doc
33.5 KB
13. 封面.doc
29 KB
14. 开题报告书.doc
39.5 KB
15. 微信截图_20240320185036.png
294 KB
16. 微信截图_20240320185047.png
156 KB
17. 微信截图_20240320185056.png
114 KB
18. 微信截图_20240320185101.png
190 KB
19. 微信截图_20240320185114.png
158 KB
20. 微信截图_20240320230439.png
313 KB
21. 最新封面及目录.doc
33 KB
22. 英文翻译.doc
39.5 KB
23. 说明书.doc
562 KB
24. 进度考核表.doc
31.5 KB
【E1041-摆动活塞式发动机的结构设计 CAD+说明书】相关作品
下载提示
×

下载该图档需要消耗20金币!

确认下载
-- 热门充值套餐 · 限时优惠 --
加载中