五孔矩形垫片的冲压模具设计及成形工艺-冲孔落料级进模含13张CAD图AutoCAD图档

图档名称为:五孔矩形垫片的冲压模具设计及成形工艺-冲孔落料级进模含13张CAD图,属于设备部件,模具类分类,软件为AutoCAD, 图纸格式为dwg,pdf,可在线预览,可编辑,可供设计参考

加入收藏
模型参数

模型ID:10403983

模型大小:2.7M

软件版本: AutoCAD 2004

模型格式:dwg,pdf

是否可编辑:可修改,包括参数

上传时间:2026-04-02

图纸介绍:

下载模型
文件列表
1. 1字数.JPG
84.8 KB
2. 2摘要.JPG
141 KB
3. 3设计所包含文件.jpg
61.6 KB
4. 4目录.JPG
284 KB
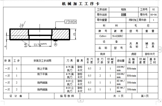
5. 5凹模过程卡.JPG
162 KB
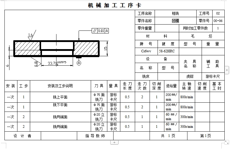
6. 6凹模工序卡.JPG
187 KB
7. A2凸模固定板.dwg
77 KB
8. A2凸模固定板.gif
12.9 KB
9. A3上模座.dwg
92.6 KB
10. A3上模座.gif
13.1 KB
11. A3下模座.dwg
63.9 KB
12. A3下模座.gif
14.9 KB
13. A3凹模.dwg
57.2 KB
14. A3凹模.gif
9.14 KB
15. A3模柄.dwg
63.3 KB
16. A3模柄.gif
11.7 KB
17. A4外形凸模.dwg
51.4 KB
18. A4外形凸模.gif
11.8 KB
19. A4大孔凸模.dwg
51.4 KB
20. A4大孔凸模.gif
10.4 KB
21. A4导套.dwg
61.2 KB
22. A4导套.gif
13.4 KB
23. A4导料板.dwg
54.2 KB
24. A4导料板.gif
10.9 KB
25. A4导柱.dwg
50.5 KB
26. A4导柱.gif
11 KB
27. A4导正销.dwg
54.8 KB
28. A4导正销.gif
9.83 KB
29. A4小凸模.dwg
52.6 KB
30. A4小凸模.gif
10.2 KB
31. A工件图.JPG
85.9 KB
32. A工件图.JPG
85.9 KB
33. A装配图.dwg
113 KB
34. A装配图.gif
16.9 KB
35. Y50简介-五孔矩形垫片的冲压模具设计及成形工艺-冲孔落料级进模含13张CAD图.pdf
1.1 MB
36. 中期检查表.doc
23.5 KB
37. 任务书.doc
16.5 KB
38. 字数.JPG
84.8 KB
39. 封面.doc
13 KB
40. 摘要.doc
28 KB
41. 机械加工工艺卡.doc
36.5 KB
42. 机械加工工艺过程卡.doc
25.5 KB
43. 目录.docx
16.3 KB
44. 评语.doc
17.5 KB
45. 说明书-五孔矩形垫片的冲压模具设计及成形工艺-冲孔落料级进模.doc
446 KB
【五孔矩形垫片的冲压模具设计及成形工艺-冲孔落料级进模含13张CAD图】相关作品
下载提示
×

下载该图档需要消耗20金币!

确认下载
-- 热门充值套餐 · 限时优惠 --
加载中