壳体、多格盒的注塑模具设计-注射模含6张CAD图AutoCAD图档

图档名称为:壳体、多格盒的注塑模具设计-注射模含6张CAD图,属于设备部件,模具类分类,软件为AutoCAD, 图纸格式为dwg,pdf,可在线预览,可编辑,可供设计参考

加入收藏
模型参数

模型ID:10403566

模型大小:2.47M

软件版本: AutoCAD 2004

模型格式:dwg,pdf

是否可编辑:可修改,包括参数

上传时间:2026-04-01

图纸介绍:

下载模型
文件列表
1. 1字数.JPG
68.5 KB
2. 2摘要.JPG
86.2 KB
3. 3型芯及型腔过程卡.JPG
423 KB
4. 4设计所包含文件.JPG
136 KB
5. 5目录.JPG
305 KB
6. 6A塑件图.JPG
105 KB
7. A塑件图.JPG
105 KB
8. A注塑模装配图.dwg
115 KB
9. A注塑模装配图.gif
23.5 KB
10. C50简介-壳体、多格盒的注塑模具设计-注射模含6张CAD图.pdf
1.15 MB
11. 中期检查表.doc
24 KB
12. 任务书.doc
17 KB
13. 型腔.dwg
62.7 KB
14. 型腔.gif
14.4 KB
15. 型芯固定板.dwg
58.7 KB
16. 型芯固定板.gif
11.2 KB
17. 字数.JPG
68.5 KB
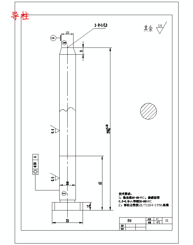
18. 导柱.dwg
52.2 KB
19. 导柱.gif
12.8 KB
20. 小型芯.dwg
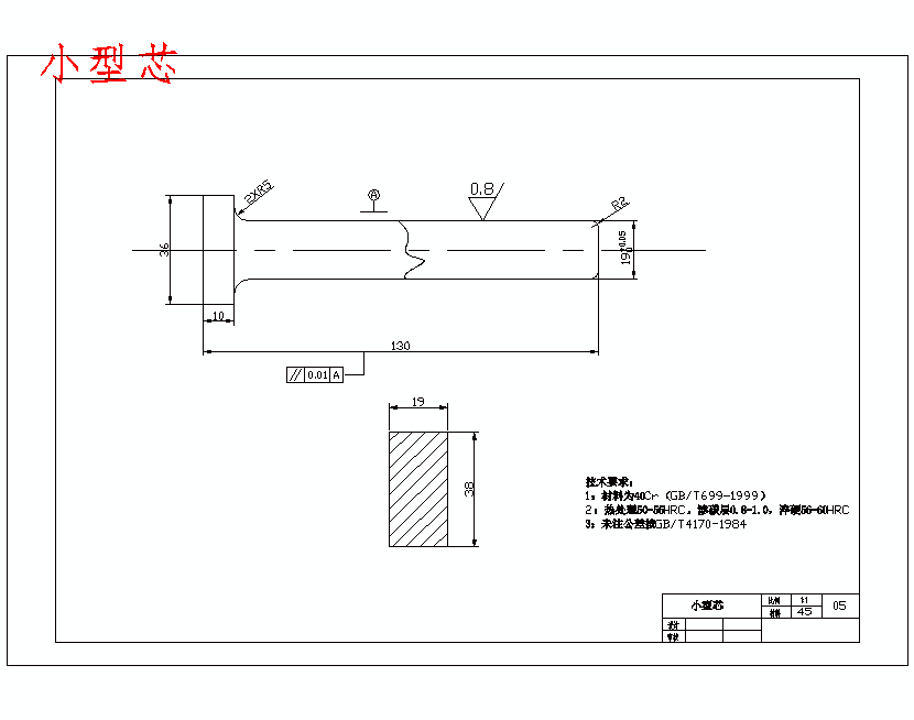
51.3 KB
21. 小型芯.gif
8.9 KB
22. 工艺卡.doc
48 KB
23. 开提报告-壳体、多格盒的注塑模具设计.doc
26 KB
24. 推杆.dwg
49.3 KB
25. 推杆.gif
11.8 KB
26. 摘要.doc
17 KB
27. 查图清单.doc
12.5 KB
28. 目录.doc
19.5 KB
29. 说明书-壳体、多格盒的注塑模具设计.doc
382 KB
【壳体、多格盒的注塑模具设计-注射模含6张CAD图】相关作品
下载提示
×

下载该图档需要消耗10金币!

确认下载
-- 热门充值套餐 · 限时优惠 --
加载中