飞锤支架的车外圆及孔夹具设计及加工工艺装备含非标7张CAD图AutoCAD图档

图档名称为:飞锤支架的车外圆及孔夹具设计及加工工艺装备含非标7张CAD图,属于机械设备,钢结构支架分类,软件为AutoCAD, 图纸格式为dwg,pdf,可在线预览,可编辑,可供设计参考

加入收藏
模型参数

模型ID:10400215

模型大小:1.94M

软件版本: AutoCAD 2004

模型格式:dwg,pdf

是否可编辑:可修改,包括参数

上传时间:2026-03-29

图纸介绍:

下载模型
文件列表
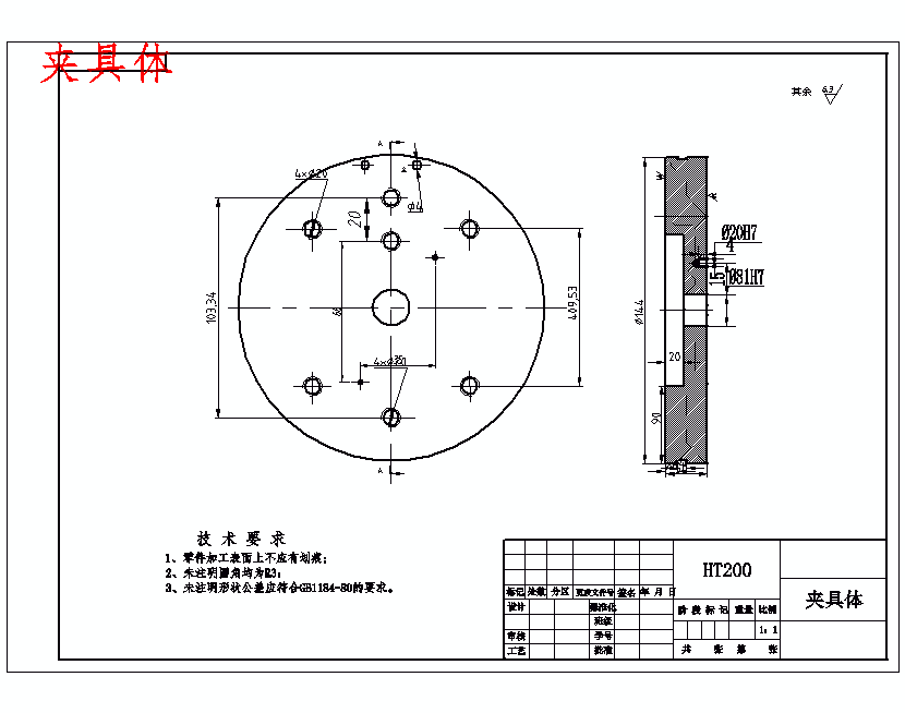
1. 夹具体.dwg
65 KB
2. 夹具体.gif
14.8 KB
3. 夹具装配图.dwg
121 KB
4. 夹具装配图.gif
21.9 KB
5. 字数.JPG
56.7 KB
6. 字数.JPG
56.7 KB
7. 工序卡.JPG
686 KB
8. 工艺综合过程卡片.dwg
222 KB
9. 工艺综合过程卡片.gif
24.1 KB
10. 摘要.JPG
110 KB
11. 毛坯图.dwg
62.3 KB
12. 毛坯图.gif
16.6 KB
13. 目录.JPG
164 KB
14. 移动压板.dwg
56.9 KB
15. 移动压板.gif
11.3 KB
16. 翻译-中文译文.doc
36 KB
17. 翻译-外文原文.pdf
68.9 KB
18. 设计所包含文件.JPG
38.7 KB
19. 说明书-飞锤支架的车外圆及孔夹具设计及加工工艺装备.doc
574 KB
20. 过渡盘.dwg
61.3 KB
21. 过渡盘.gif
15.2 KB
22. 过程卡.JPG
237 KB
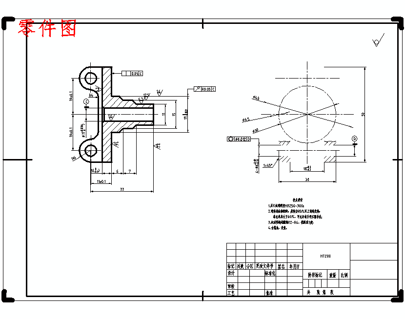
23. 零件图.dwg
71 KB
24. 零件图.gif
14.1 KB
25. 飞锤支架工序卡片.doc
461 KB
26. 飞锤支架工艺过程卡片.doc
32.5 KB
【飞锤支架的车外圆及孔夹具设计及加工工艺装备含非标7张CAD图】相关作品
下载提示
×

下载该图档需要消耗10金币!

确认下载
-- 热门充值套餐 · 限时优惠 --
加载中