离合器接合叉的车φ25外圆夹具设计及加工工艺装备含非标5张CAD图AutoCAD图档

图档名称为:离合器接合叉的车φ25外圆夹具设计及加工工艺装备含非标5张CAD图,属于设备部件,工器具分类,软件为AutoCAD, 图纸格式为dwg,可在线预览,可编辑,可供设计参考

加入收藏
模型参数

模型ID:10339943

模型大小:3.25M

软件版本: AutoCAD 2004

模型格式:dwg

是否可编辑:可修改,包括参数

上传时间:2025-12-13

图纸介绍:

下载模型
作品: 266
粉丝: 1
文件列表
1. 加工工序卡.doc
251 KB
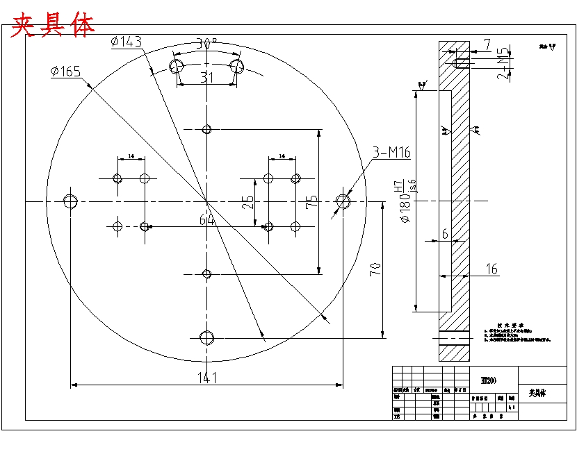
2. 夹具体.dwg
74.9 KB
3. 夹具体.jpg
168 KB
4. 夹具设计部分.PNG
85.3 KB
5. 字数统计.PNG
14 KB
6. 字数统计.PNG
14 KB
7. 工序卡.PNG
109 KB
8. 毛坯图.dwg
61 KB
9. 毛坯图.jpg
105 KB
10. 离合器接合叉的车φ25外圆夹具设计及加工工艺装备说明书.doc
513 KB
11. 离合器接合叉车φ25外圆夹具装配图.dwg
1.88 MB
12. 离合器接合叉车φ25外圆夹具装配图.jpg
268 KB
13. 设计所包含文件.jpg
30.9 KB
14. 设计目录.PNG
28.3 KB
15. 过渡盘.dwg
60.5 KB
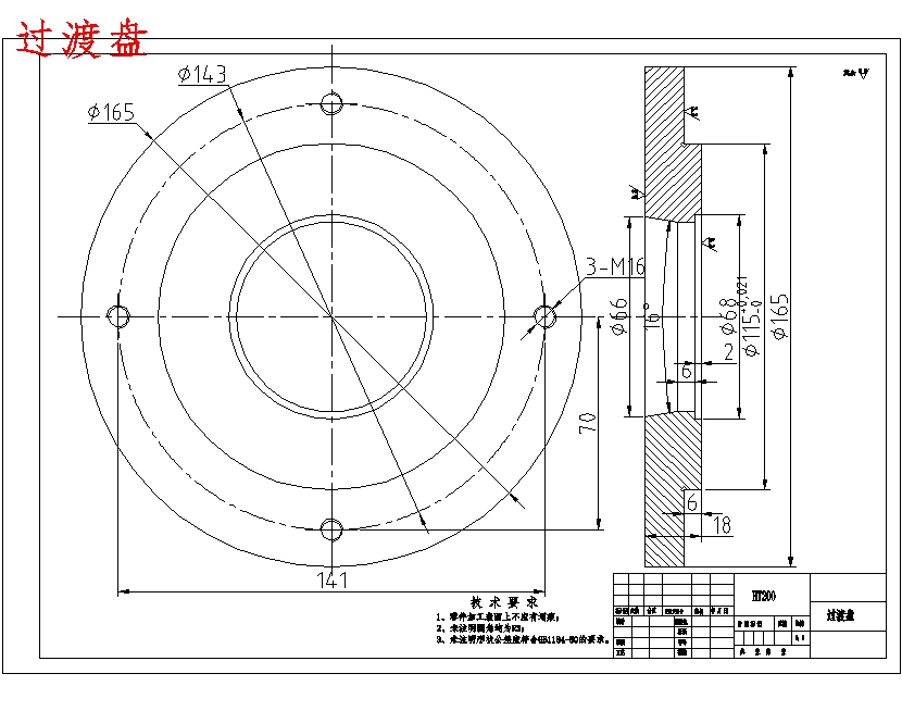
16. 过渡盘.jpg
200 KB
17. 过程卡.PNG
34.3 KB
18. 过程卡片.doc
40.5 KB
19. 零件分析.PNG
66.7 KB
20. 零件图.dwg
167 KB
21. 零件图.jpg
176 KB
【离合器接合叉的车φ25外圆夹具设计及加工工艺装备含非标5张CAD图】相关作品
下载提示
×

下载该图档需要消耗20金币!

确认下载
-- 热门充值套餐 · 限时优惠 --
加载中