D1456-半自动钻床设计glut==1028766=250AutoCAD图档

图档名称为:D1456-半自动钻床设计glut==1028766=250,属于机械设备,机加工设备分类,软件为AutoCAD, 图纸格式为pdf,dwg,可在线预览,可编辑,可供设计参考

加入收藏
模型参数

模型ID:10374009

模型大小:4.3M

软件版本: AutoCAD 2013

模型格式:pdf,dwg

是否可编辑:可修改,包括参数

上传时间:2026-02-19

图纸介绍:

下载模型
作品: 285
粉丝: 0
文件列表
1. 0微信截图_20240625210400.png
117 KB
2. 1.jpg
29 KB
3. 11.jpg
48.4 KB
4. 12.jpg
19.2 KB
5. 2.jpg
19 KB
6. 3.jpg
43.7 KB
7. 4.jpg
35.6 KB
8. 5.jpg
59.7 KB
9. plot.log
1.09 KB
10. 减速.jpg
23.6 KB
11. 半自动钻床设计说明书.doc
791 KB
12. 半自动钻床设计说明书.pdf
976 KB
13. 夹紧凸轮.bak
55.4 KB
14. 夹紧凸轮.dwg
55.6 KB
15. 夹紧凸轮.jpg
45.5 KB
16. 夹紧凸轮.pdf
16.9 KB
17. 夹紧运动规律.jpg
10.4 KB
18. 定位凸轮.bak
60.8 KB
19. 定位凸轮.dwg
60.8 KB
20. 定位凸轮.jpg
39.3 KB
21. 定位凸轮.pdf
18 KB
22. 定位运动规律.jpg
11.9 KB
23. 开题报告-半自动钻床.docx
1.44 MB
24. 微信截图_20240625210417.png
220 KB
25. 曲柄滑块.jpg
59.2 KB
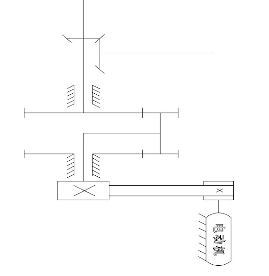
26. 机构总图.jpg
61.4 KB
27. 机构总图.pdf
67.8 KB
28. 机构简图带框.PDF
1.22 KB
29. 机构简图带框.bak
95.7 KB
30. 机构简图带框.dwg
102 KB
31. 机构简图无图框.bak
93.4 KB
32. 机构简图无图框.bmp
1.83 MB
33. 机构简图无图框.dwg
93.4 KB
34. 机构简图无图框.jpg
40 KB
35. 机构简图无图框.pdf
1.22 KB
36. 说明书.jpg
78.5 KB
37. 进刀凸轮.bak
41.9 KB
38. 进刀凸轮.dwg
55.2 KB
39. 进刀凸轮.jpg
46 KB
40. 进刀凸轮.pdf
20.5 KB
41. 进刀运动规律.jpg
10.9 KB
42. 送料运动规律.jpg
9.79 KB
下载提示
×

下载该图档需要消耗10金币!

确认下载
-- 热门充值套餐 · 限时优惠 --
加载中