卧式半自动组合机床液压系统设计AutoCAD,SolidWorks 3D模型

机械图纸名称为:卧式半自动组合机床液压系统设计,属于机械设备,机加工设备分类,软件为AutoCAD,SolidWorks, 三维模型格式为sldprt,dwg,sldasm,可在线预览,可编辑,可供设计参考

加入收藏
模型参数

模型ID:10401323

模型大小:13.39M

软件版本: AutoCAD 2016,SolidWorks

模型格式:sldprt,dwg,sldasm

是否可编辑:可修改,包括参数

上传时间:2026-03-30

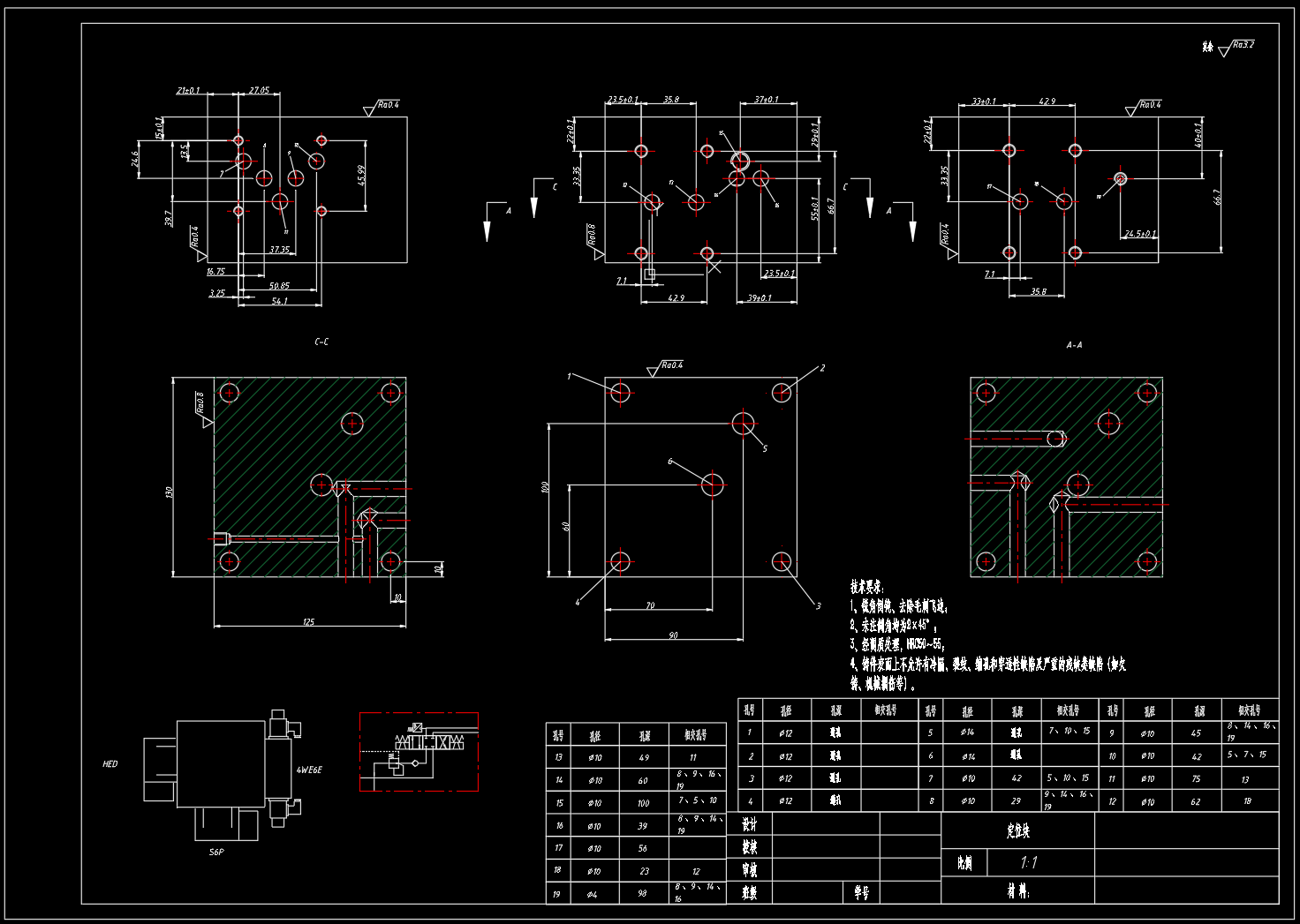
图纸介绍:

下载模型
文件列表
1. 10.png
104 KB
2. 11.png
158 KB
3. 12.png
201 KB
4. 3.png
234 KB
5. 4.png
525 KB
6. 5.png
174 KB
7. 6.png
46.5 KB
8. 7.png
131 KB
9. 8.png
136 KB
10. 9.png
30.6 KB
11. 主运动块.SLDPRT
522 KB
12. 主运动块.SLDPRT
522 KB
13. 主运动块图.SLDDRW
508 KB
14. 主运动块图.SLDDRW
508 KB
15. 卧式半自动组合机床-主运动块(方向调速块)-A0.dwg
220 KB
16. 卧式半自动组合机床-压力块-A0.dwg
245 KB
17. 卧式半自动组合机床-夹紧块-A0.dwg
203 KB
18. 卧式半自动组合机床-定位块-A0.dwg
217 KB
19. 卧式半自动组合机床-液压系统原理图-A3.dwg
184 KB
20. 卧式半自动组合机床-液压系统设计说明书.docx
1.56 MB
21. 卧式半自动组合机床-液压缸工况图-A3.dwg
136 KB
22. 卧式半自动组合机床-液压集成回路-A3.dwg
185 KB
23. 卧式半自动组合机床-负载图和速度图-A3.dwg
161 KB
24. 压力块.SLDDRW
134 KB
25. 压力块.SLDDRW
134 KB
26. 压力块.SLDPRT
372 KB
27. 压力块.SLDPRT
372 KB
28. 夹紧块.SLDDRW
293 KB
29. 夹紧块.SLDDRW
293 KB
30. 夹紧块.SLDPRT
411 KB
31. 夹紧块.SLDPRT
411 KB
32. 定位块.SLDDRW
237 KB
33. 定位块.SLDDRW
237 KB
34. 定位块.SLDPRT
497 KB
35. 定位块.SLDPRT
520 KB
36. 底板块.SLDPRT
251 KB
37. 底板块.SLDPRT
251 KB
38. 液压块总成.SLDASM
544 KB
39. 液压块总成.SLDASM
544 KB
40. 顶盖.SLDDRW
285 KB
41. 顶盖.SLDDRW
285 KB
42. 顶盖.SLDPRT
297 KB
43. 顶盖.SLDPRT
297 KB
44. 顶盖1.SLDDRW
120 KB
45. 顶盖1.SLDDRW
120 KB
46. 顶盖及测压块.SLDPRT
80.5 KB
47. 顶盖及测压块.SLDPRT
80.5 KB
【卧式半自动组合机床液压系统设计】相关作品
下载提示
×

下载该图档需要消耗50金币!

确认下载
-- 热门充值套餐 · 限时优惠 --
加载中