左支架前刹车凸轮的钻3-Φ13孔夹具设计及加工工艺装备含3张CAD图AutoCAD图档

图档名称为:左支架前刹车凸轮的钻3-Φ13孔夹具设计及加工工艺装备含3张CAD图,属于设备部件,工器具分类,软件为AutoCAD, 图纸格式为pdf,dwg,可在线预览,可编辑,可供设计参考

加入收藏
模型参数

模型ID:10401774

模型大小:3.55M

软件版本: AutoCAD 2004

模型格式:pdf,dwg

是否可编辑:可修改,包括参数

上传时间:2026-03-31

图纸介绍:

下载模型
作品: 274
粉丝: 0
文件列表
1. X50简介-左支架前刹车凸轮的钻3-Φ13孔夹具设计及加工工艺装备含3张CAD图.pdf
1.49 MB
2. 夹具体.dwg
145 KB
3. 夹具体.png
12 KB
4. 夹具设计部分.JPG
319 KB
5. 字数.JPG
62.4 KB
6. 字数.JPG
62.4 KB
7. 工序简图.dwg
59.3 KB
8. 工艺过程卡片.doc
50.5 KB
9. 左支架前刹车凸轮毛坯图.dwg
81.9 KB
10. 左支架前刹车凸轮毛坯图.png
16.2 KB
11. 左支架前刹车凸轮的钻3-Φ13孔夹具设计及加工工艺装备说明书.doc
905 KB
12. 左支架前刹车凸轮零件图样图.png
181 KB
13. 左支架前刹车凸轮零件图样图.png
181 KB
14. 摘要.JPG
93.1 KB
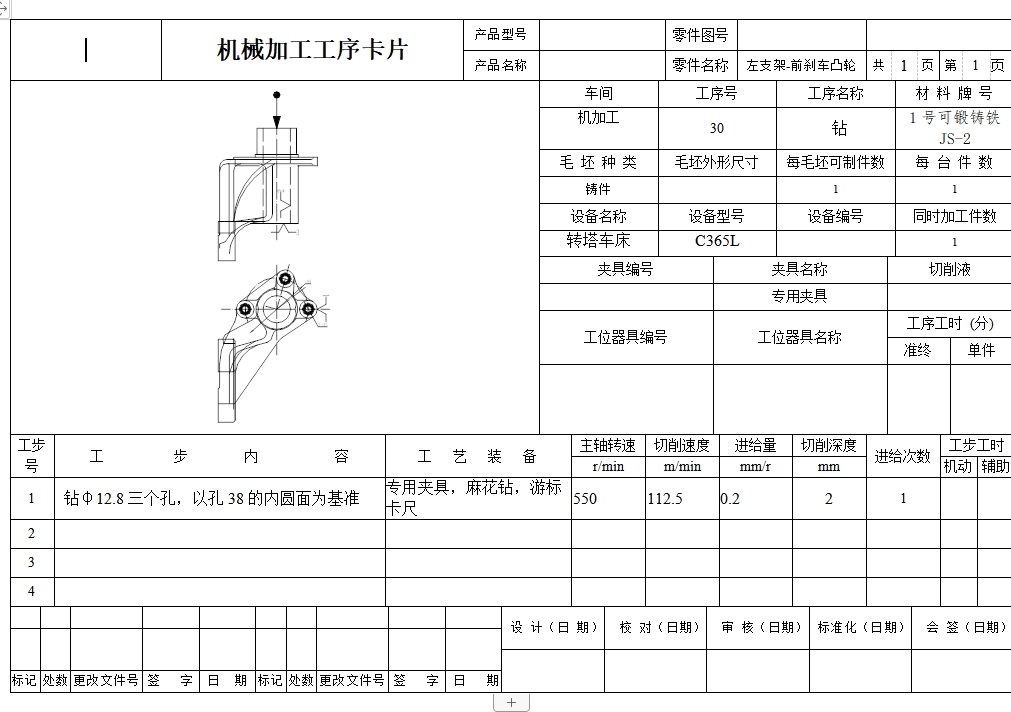
15. 机械加工工序卡片30.doc
82.5 KB
16. 目录.JPG
225 KB
17. 被加工工序.JPG
245 KB
18. 设计所包含文件.jpg
102 KB
19. 过程卡.JPG
233 KB
20. 钻3-Φ13孔夹具装配图.dwg
179 KB
21. 钻3-Φ13孔夹具装配图.png
17.8 KB
【左支架前刹车凸轮的钻3-Φ13孔夹具设计及加工工艺装备含3张CAD图】相关作品
下载提示
×

下载该图档需要消耗10金币!

确认下载
-- 热门充值套餐 · 限时优惠 --
加载中