川崎rs025n六轴工业机器人三维模型资料AutoCAD,stp图档

图档名称为:川崎rs025n六轴工业机器人三维模型资料,属于机械设备,智能装置分类,软件为AutoCAD,stp, 图纸格式为pdf,可在线预览,可编辑,可供设计参考

加入收藏
模型参数

模型ID:10353891

模型大小:14.78M

软件版本: AutoCAD,stp

模型格式:pdf

是否可编辑:可修改,包括参数

上传时间:2025-12-25

图纸介绍:

下载模型
野蔓
作品: 0
粉丝: 0
文件列表
1. 1_RS025N-A.dxf
10.5 MB
2. RS025N-A-C.pdf
700 KB
3. RS025N-AC01.stp
23.9 MB
4. RS025N-Installation_and_Connection_Manual-C-1.pdf
1.4 MB
5. 参数表.jpg
111 KB
6. 实物图.jpg
15.8 KB
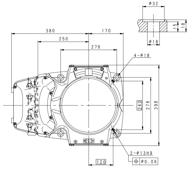
7. 机器人底座图.jpg
79.5 KB
8. 法兰图.jpg
69.2 KB
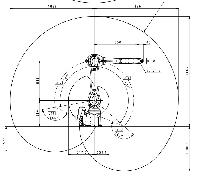
9. 运动区域图.jpg
60.3 KB
【川崎rs025n六轴工业机器人三维模型资料】相关作品
下载提示
×

下载该图档需要消耗50金币!

确认下载
-- 热门充值套餐 · 限时优惠 --
加载中