川崎rs080n六轴工业机器人三维模型资料AutoCAD,stp图档

图档名称为:川崎rs080n六轴工业机器人三维模型资料,属于机械设备,智能装置分类,软件为AutoCAD,stp, 图纸格式为pdf,可在线预览,可编辑,可供设计参考

加入收藏
模型参数

模型ID:10312937

模型大小:9.99M

软件版本: AutoCAD,stp

模型格式:pdf

是否可编辑:可修改,包括参数

上传时间:2025-11-17

图纸介绍:

下载模型
枕烟岚
作品: 0
粉丝: 0
文件列表
1. RS080N-A001 EN.dxf
4.16 MB
2. RS080N-B001.stp
18.8 MB
3. RS系列.pdf
4.33 MB
4. re080n实物图.jpg
23.1 KB
5. rs080n规格书.pdf
1.22 MB
6. 三维图.jpg
32.2 KB
7. 工具法兰图.jpg
53.2 KB
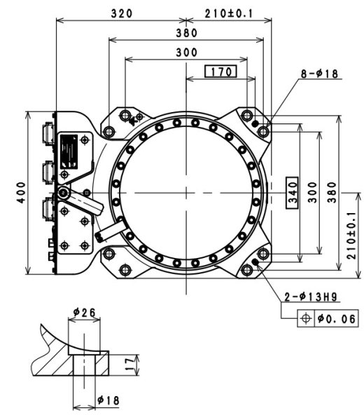
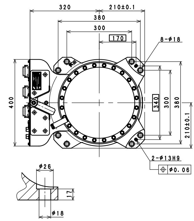
8. 机器人底座图.jpg
76.6 KB
9. 运动区域图.jpg
91.2 KB
【川崎rs080n六轴工业机器人三维模型资料】相关作品
滚动更载更多~
提示
×

下载该图档需要消耗30金币!

确认下载
加载中