KUKA KR10_R900-2六轴工业机器人模型资料parasolid 3D模型

机械图纸名称为:KUKA KR10_R900-2六轴工业机器人模型资料,属于机械设备,智能装置分类,软件为parasolid, 三维模型格式为pdf,x_t,可在线预览,可编辑,可供设计参考

加入收藏
模型参数

模型ID:10324301

模型大小:9.74M

软件版本: parasolid

模型格式:pdf,x_t

是否可编辑:可修改,包括参数

上传时间:2025-11-28

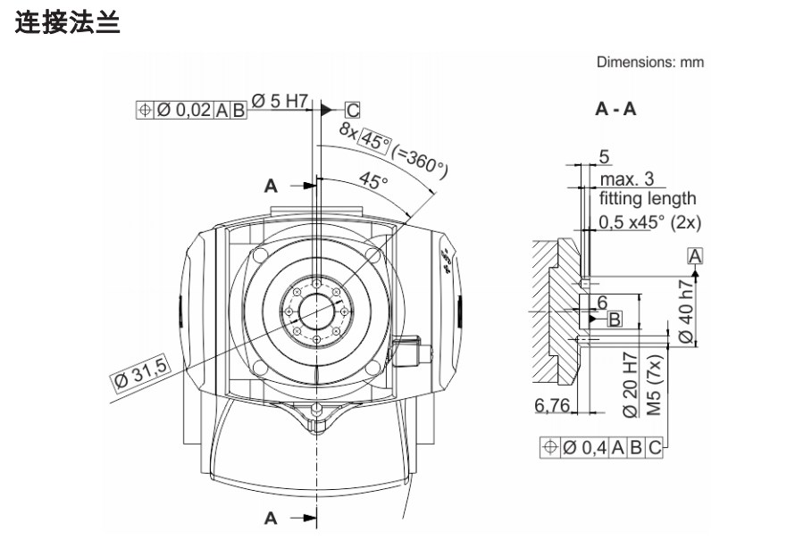
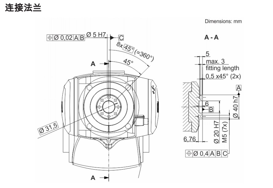
图纸介绍:

下载模型
作品: 283
粉丝: 0
文件列表
1. 0000290002_EN.pdf
388 KB
2. 0000290002_ZH.pdf
475 KB
3. 1.jpg
19 KB
4. 2.jpg
55.6 KB
5. 3.jpg
40.2 KB
6. 4.jpg
46.5 KB
7. 5.jpg
70.2 KB
8. KR_10_R900-2_V01.x_t
8.01 MB
9. spez_kr_agilus_cr_en.pdf
5.82 MB
10. 三维模型图.jpg
45.4 KB
11. 三维模型图1.jpg
57.8 KB
【KUKA KR10_R900-2六轴工业机器人模型资料】相关作品
下载提示
×

下载该图档需要消耗30金币!

确认下载
-- 热门充值套餐 · 限时优惠 --
加载中