川崎BX100L六轴工业机器人三维模型资料AutoCAD,stp 3D模型

3D模型名称为:川崎BX100L六轴工业机器人三维模型资料,属于机械设备,智能装置分类,软件为AutoCAD,stp, 三维模型格式为pdf,可在线预览,可编辑,可供设计参考

加入收藏
模型参数

模型ID:10352645

模型大小:19.66M

软件版本: AutoCAD,stp

模型格式:pdf

是否可编辑:可修改,包括参数

上传时间:2025-12-24

图纸介绍:

下载模型
十步芳草
作品: 0
粉丝: 0
文件列表
1. 2.jpg
31.7 KB
2. BX100L-C001.stp
23.5 MB
3. BX100L参数规格表.pdf
1.74 MB
4. B系列机器人安装和使用手册.pdf
1.59 MB
5. DSZ BX100L-C001.DXF
6.89 MB
6. DSZ BX100L-C001.PDF
760 KB
7. 三维图.jpg
64.8 KB
8. 三维模型图.jpg
72.4 KB
9. 区域图.jpg
73.4 KB
10. 参数表.jpg
105 KB
11. 大型机器人样本.pdf
12.2 MB
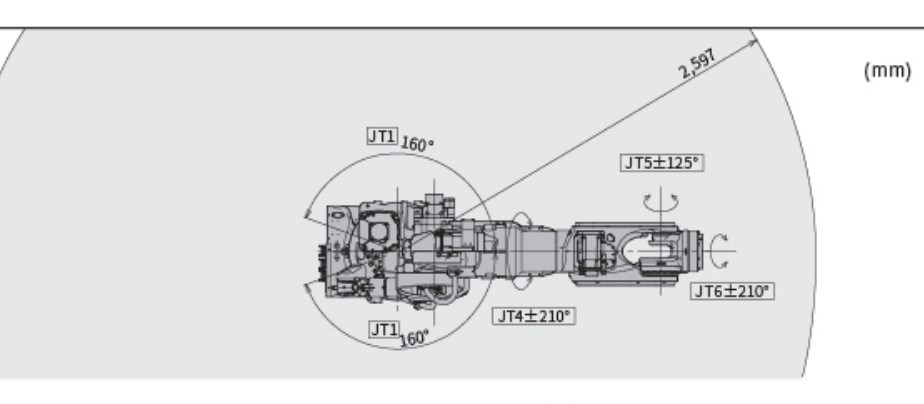
12. 运动区域图.jpg
74.7 KB
【川崎BX100L六轴工业机器人三维模型资料】相关作品
下载提示
×

下载该图档需要消耗50金币!

确认下载
-- 热门充值套餐 · 限时优惠 --
加载中