汽车变速箱端面钻孔专用机床设计【自动】【左端面5-M10孔】【7张CAD图纸】AutoCAD图档

图档名称为:汽车变速箱端面钻孔专用机床设计【自动】【左端面5-M10孔】【7张CAD图纸】,属于交通运输,车辆相关分类,软件为AutoCAD, 图纸格式为dwg,可在线预览,可编辑,可供设计参考

加入收藏
模型参数

模型ID:10338608

模型大小:7.1M

软件版本: AutoCAD 2007

模型格式:dwg

是否可编辑:可修改,包括参数

上传时间:2025-12-12

图纸介绍:

下载模型
作品: 260
粉丝: 0
文件列表
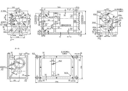
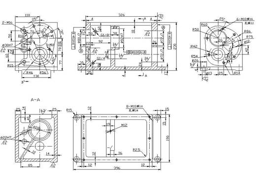
1. 0A0-变速箱箱体零件图.dwg
116 KB
2. 2-8-毕业设计(论文)大纲.doc
88 KB
3. 2015年学生毕业设计任务书填写内容及要求.doc
39.5 KB
4. A0-加工工序图.dwg
84.5 KB
5. A0-多轴箱总图.dwg
177 KB
6. A0-夹具装配图.dwg
176 KB
7. A0-组合机床尺寸联系图.dwg
172 KB
8. A1-加工示意图.dwg
86.6 KB
9. A1-生产率计算卡.dwg
60.4 KB
10. 图纸接合.dwg
953 KB
11. 组合机床设计简明手册.rar
4.99 MB
12. 设计说明书.doc
867 KB
13. 零件图.jpg
29.8 KB
14. 零件图.jpg
39.1 KB
【汽车变速箱端面钻孔专用机床设计【自动】【左端面5-M10孔】【7张CAD图纸】】相关作品
下载提示
×

下载该图档需要消耗20金币!

确认下载
-- 热门充值套餐 · 限时优惠 --
加载中