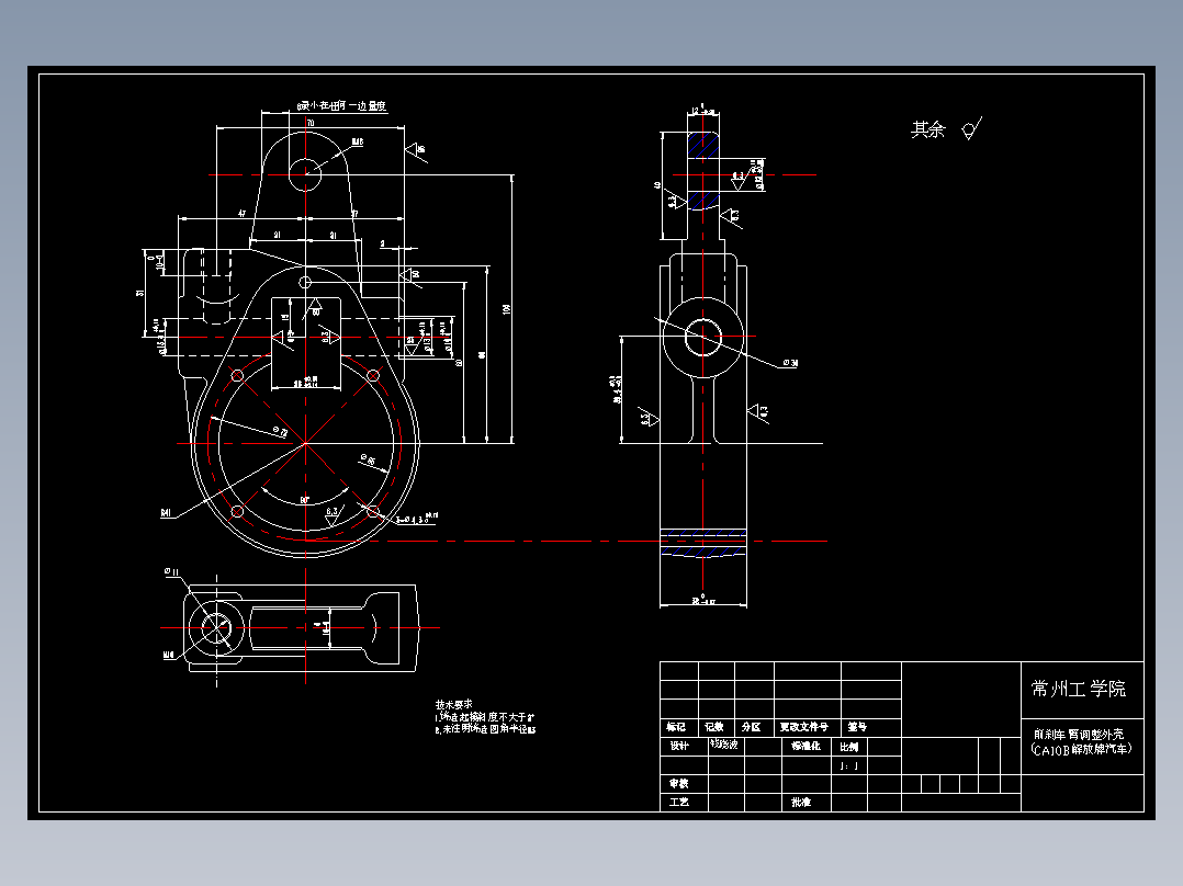
前刹车调整臂钻Ф62mm孔和铣端面夹具设计含CAD图纸+说明书AutoCAD图档

图档名称为:前刹车调整臂钻Ф62mm孔和铣端面夹具设计含CAD图纸+说明书,属于交通运输,车辆相关分类,软件为AutoCAD, 图纸格式为dwg,可在线预览,可编辑,可供设计参考

加入收藏
模型参数

模型ID:10338299

模型大小:320.54KB

软件版本: AutoCAD 2004

模型格式:dwg

是否可编辑:可修改,包括参数

上传时间:2025-12-12

图纸介绍:

下载模型
作品: 287
粉丝: 0
文件列表
1. 1.xls
36 KB
2. 2.xls
30.5 KB
3. 3.xls
36 KB
4. 4.xls
29 KB
5. 5.xls
37 KB
6. 6.xls
45.5 KB
7. 前刹车臂调整外壳设计.doc
76 KB
8. 毛坯图.dwg
64.5 KB
9. 说明书.doc
104 KB
10. 零件图.dwg
69 KB
11. 零件图夹具体.dwg
61 KB
12. 零件图夹具配合.dwg
55.7 KB
【前刹车调整臂钻Ф62mm孔和铣端面夹具设计含CAD图纸+说明书】相关作品
下载提示
×

下载该图档需要消耗20金币!

确认下载
-- 热门充值套餐 · 限时优惠 --
加载中