汽车变速箱加工工艺及粗铣前后端面夹具设计(包含cad图纸+说明书)50AutoCAD图档

图档名称为:汽车变速箱加工工艺及粗铣前后端面夹具设计(包含cad图纸+说明书)50,属于交通运输,车辆相关分类,软件为AutoCAD, 图纸格式为pdf,dwg,可在线预览,可编辑,可供设计参考

加入收藏
模型参数

模型ID:10313406

模型大小:4.22M

软件版本: AutoCAD 2007

模型格式:pdf,dwg

是否可编辑:可修改,包括参数

上传时间:2025-11-17

图纸介绍:

下载模型
作品: 297
粉丝: 0
文件列表
1. Traditional Manufacturing.pdf
690 KB
2. biansuxiangxiangti.prt.11
2.04 MB
3. 中期报告.doc
34 KB
4. 任务书.doc
90 KB
5. 去应力退火.png
3.02 KB
6. 去毛刺、清洗.png
22 KB
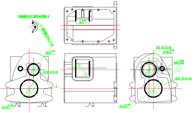
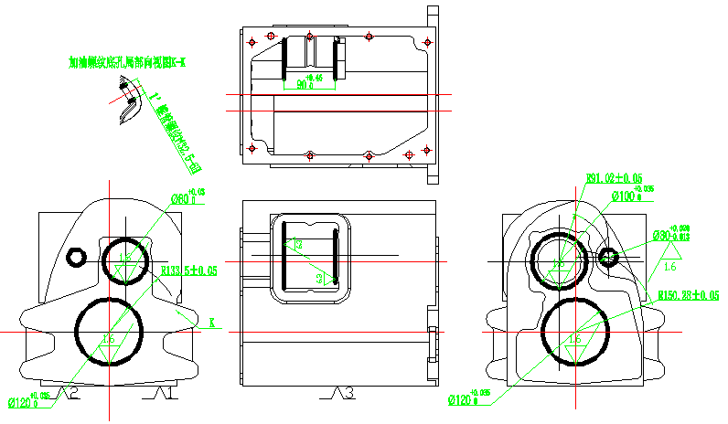
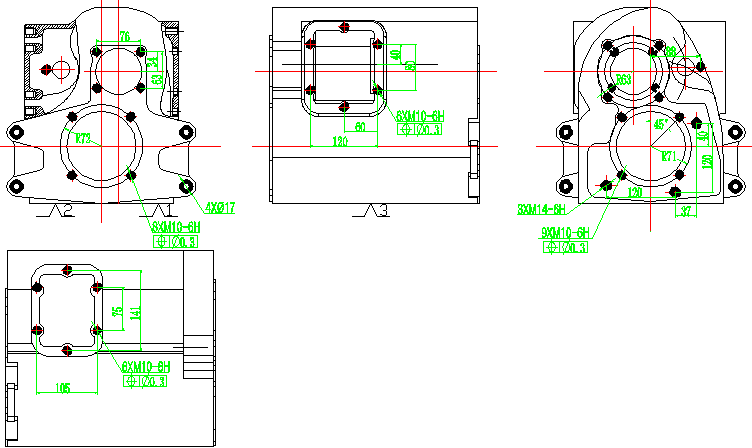
7. 变速箱壳体模型1.png
33.3 KB
8. 变速箱壳体模型2.png
39.3 KB
9. 变速箱壳体模型3.png
47.9 KB
10. 外文翻译.doc
690 KB
11. 夹具体零件图A2.dwg
140 KB
12. 夹具装配图A0.dwg
166 KB
13. 工序卡.doc
598 KB
14. 开题报告.doc
147 KB
15. 毕业设计说明书.doc
2.62 MB
16. 毛坯图.dwg
355 KB
17. 涂底漆.png
16.2 KB
18. 箱体零件图A1.dwg
262 KB
19. 粗精铣顶面.png
7.99 KB
20. 粗铣两侧窗口面.png
8.19 KB
21. 粗铣前后端面.png
8.47 KB
22. 精铣两侧窗口面.png
8.78 KB
23. 精铣前后端面.png
8.84 KB
24. 自动线.png
15.7 KB
25. 钻前后左右面螺纹底孔、通孔、攻丝.png
15.6 KB
26. 钻顶面螺孔及攻丝、钻扩铰工艺孔.png
10.5 KB
27. 铸造毛坯.png
6.04 KB
【汽车变速箱加工工艺及粗铣前后端面夹具设计(包含cad图纸+说明书)50】相关作品
下载提示
×

下载该图档需要消耗20金币!

确认下载
-- 热门充值套餐 · 限时优惠 --
加载中