汽车连杆加工工艺及(小端孔和铣上下端面)专用夹具设计含三维UG模型(中心距190)stp,AutoCAD,ug 3D模型

机械图纸名称为:汽车连杆加工工艺及(小端孔和铣上下端面)专用夹具设计含三维UG模型(中心距190),属于交通运输,车辆工程分类,软件为stp,AutoCAD,ug, 三维模型格式为prt,pdf,dwg,可在线预览,可编辑,可供设计参考

加入收藏
模型参数

模型ID:10401556

模型大小:24.57M

软件版本: stp,AutoCAD 2000,ug

模型格式:prt,pdf,dwg

是否可编辑:可修改,包括参数

上传时间:2026-03-30

图纸介绍:

下载模型
作品: 281
粉丝: 0
文件列表
1. 1709990790895.jpg
69.2 KB
2. 1709990823637.jpg
60.8 KB
3. 1709990823650.jpg
36.5 KB
4. 1709990839792.jpg
34.5 KB
5. 1709990861268.jpg
89.4 KB
6. 1709990871745.jpg
86.4 KB
7. 1709990897869.jpg
268 KB
8. 1709990914355.jpg
236 KB
9. 1709990924937.jpg
280 KB
10. 227_a8x60.prt
172 KB
11. 230_a16.prt
144 KB
12. 233_16.prt
152 KB
13. 693_m10x16.prt
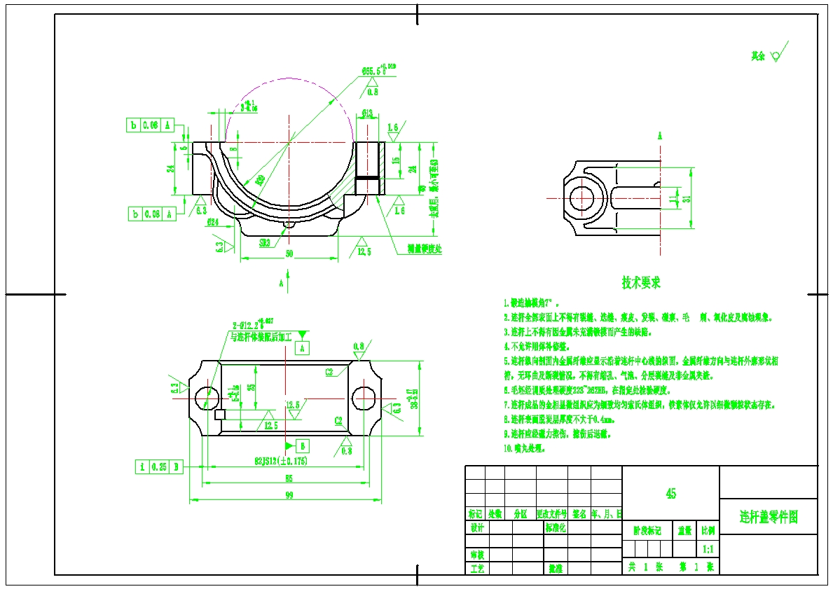
168 KB
14. _柱.prt
284 KB
15. a10.prt
608 KB
16. sanwei.stp
8.03 MB
17. 压块.prt
144 KB
18. 压杆.prt
356 KB
19. 外文翻译.doc
2.6 MB
20. 外文翻译原文.doc
1.72 MB
21. 外文翻译原文.pdf
164 KB
22. 夹具体.prt
740 KB
23. 工序图.dwg
286 KB
24. 工序图.jpg
205 KB
25. 挡销.prt
156 KB
26. 支柱.dwg
196 KB
27. 支柱.jpg
333 KB
28. 汽车连杆(小端孔和上下端面)专用夹具设计(说明书).doc
1.53 MB
29. 连杆.prt
116 KB
30. 连杆_1.prt
116 KB
31. 连杆体.prt
1.61 MB
32. 连杆体零件图.dwg
337 KB
33. 连杆体零件图.jpg
344 KB
34. 连杆机械加工工序卡片.doc
776 KB
35. 连杆机械加工工艺过程卡片.doc
99 KB
36. 连杆毛坯图.dwg
302 KB
37. 连杆毛坯图.jpg
279 KB
38. 连杆盖.prt
764 KB
39. 连杆盖零件图.dwg
287 KB
40. 连杆盖零件图.jpg
350 KB
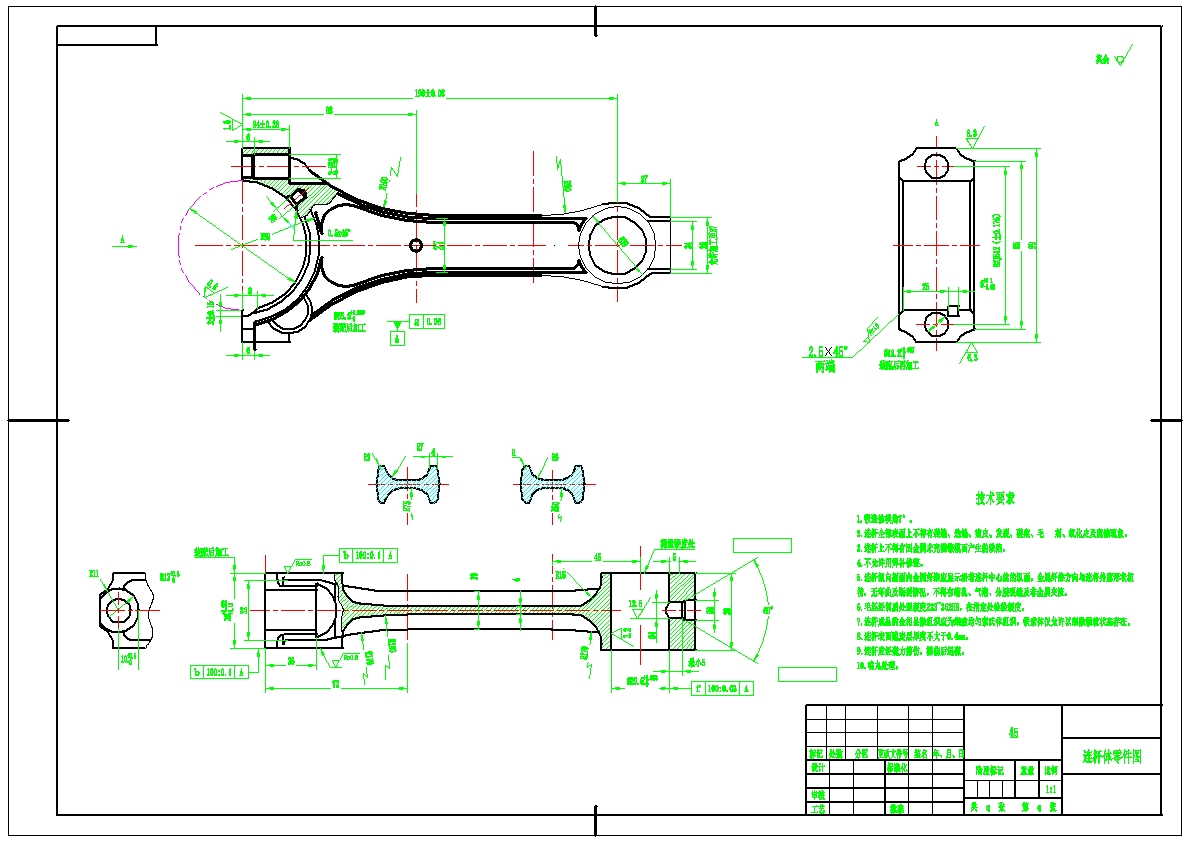
41. 连杆零件图.dwg
353 KB
42. 连杆零件图.jpg
304 KB
43. 铣上下端面夹具.asm.prt
132 KB
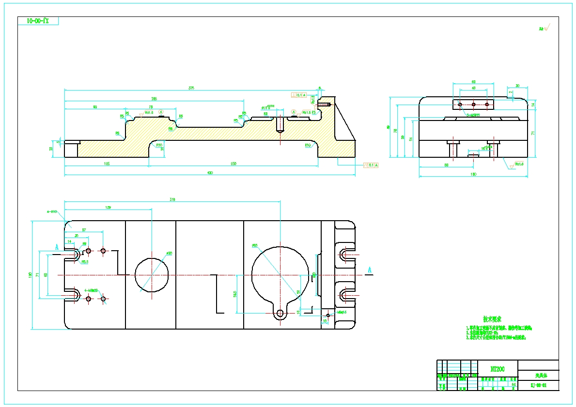
44. 铣上下端面夹具夹具体.dwg
251 KB
45. 铣上下端面夹具夹具体.jpg
270 KB
46. 铣上下端面夹具装配图.dwg
502 KB
47. 铣上下端面夹具装配图.jpg
511 KB
48. 销.prt
132 KB
【汽车连杆加工工艺及(小端孔和铣上下端面)专用夹具设计含三维UG模型(中心距190)】相关作品
下载提示
×

下载该图档需要消耗100金币!

确认下载
-- 热门充值套餐 · 限时优惠 --
加载中