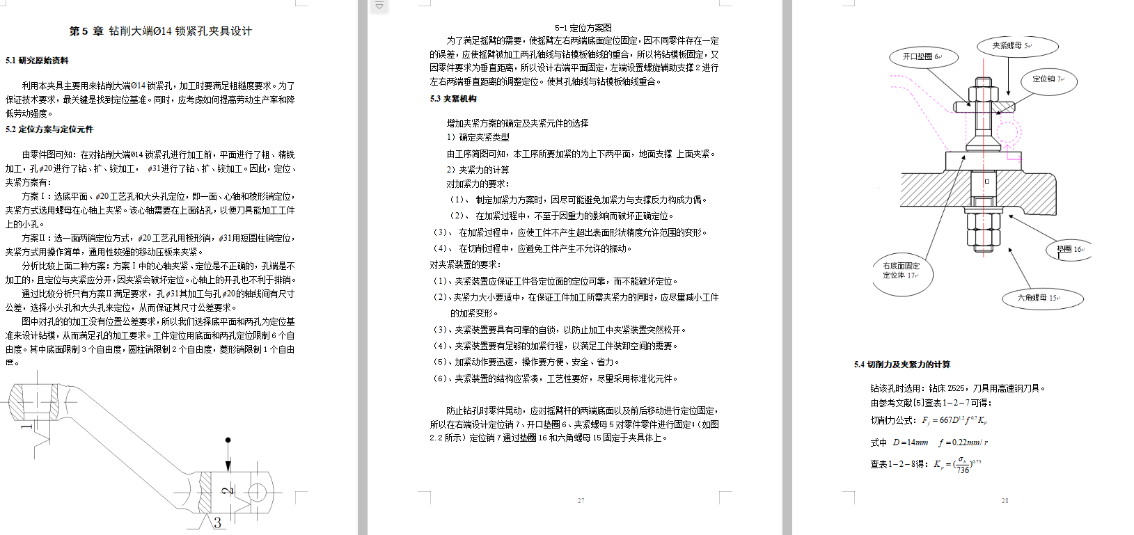
转向杆-摩托车摇臂零件的钻φ14孔夹具设计及加工工艺装备规程含4张CAD图AutoCAD图档

图档名称为:转向杆-摩托车摇臂零件的钻φ14孔夹具设计及加工工艺装备规程含4张CAD图,属于交通运输,车辆工程分类,软件为AutoCAD, 图纸格式为dwg,pdf,可在线预览,可编辑,可供设计参考

加入收藏
模型参数

模型ID:10329375

模型大小:1.83M

软件版本: AutoCAD 2007

模型格式:dwg,pdf

是否可编辑:可修改,包括参数

上传时间:2025-12-02

图纸介绍:

下载模型
青瓦白墙
作品: 0
粉丝: 0
文件列表
1. desktop.ini
118 B
2. ~$论文正文.docx
162 B
3. 加工工序卡片.doc
192 KB
4. 加工工艺过程卡片.doc
48 KB
5. 加工过程卡.PNG
39.1 KB
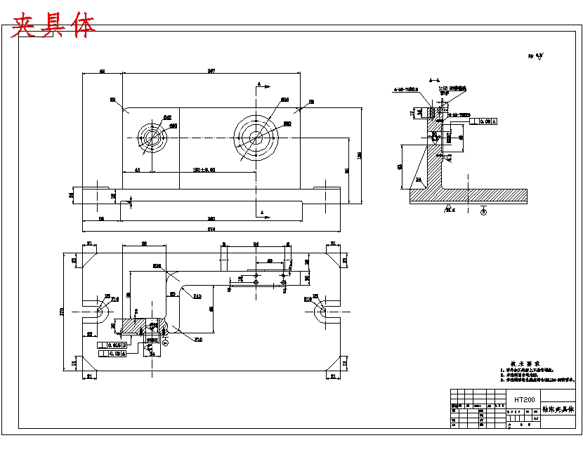
6. 夹具体.dwg
138 KB
7. 夹具体.jpg
146 KB
8. 夹具装配图.dwg
149 KB
9. 夹具装配图.jpg
205 KB
10. 夹具设计部分.PNG
132 KB
11. 字数统计.PNG
18.2 KB
12. 工序卡.PNG
95.9 KB
13. 摩托车摇臂零件图.dwg
97.4 KB
14. 摩托车摇臂零件图.jpg
153 KB
15. 摩托车摇臂零件的钻φ14孔夹具设计及加工工艺装备规程说明书.doc
1.89 MB
16. 设计所包含文件.jpg
27.6 KB
17. 说明书前5页.pdf
156 KB
18. 钻模板.dwg
99.9 KB
19. 钻模板.jpg
146 KB
20. 零件分析.PNG
48 KB
【转向杆-摩托车摇臂零件的钻φ14孔夹具设计及加工工艺装备规程含4张CAD图】相关作品
滚动更载更多~
提示
×

下载该图档需要消耗10金币!

确认下载
加载中