齿轮座零件的钻4-Φ13孔夹具设计及加工工艺装备规程含4张CAD图AutoCAD图档

图档名称为:齿轮座零件的钻4-Φ13孔夹具设计及加工工艺装备规程含4张CAD图,属于设备部件,传动部件分类,软件为AutoCAD, 图纸格式为dwg,可在线预览,可编辑,可供设计参考

加入收藏
模型参数

模型ID:10329771

模型大小:2.36M

软件版本: AutoCAD 2004

模型格式:dwg

是否可编辑:可修改,包括参数

上传时间:2025-12-03

图纸介绍:

下载模型
采葛
作品: 0
粉丝: 0
文件列表
1. 1字数.JPG
105 KB
2. 2说明书前三页.JPG
456 KB
3. 3夹具设计部分.JPG
364 KB
4. 4过程卡.JPG
287 KB
5. 5工序卡.JPG
321 KB
6. 夹具体零件图.dwg
72.7 KB
7. 夹具体零件图.gif
16.1 KB
8. 夹具装配图.dwg
112 KB
9. 夹具装配图.gif
15.8 KB
10. 字数.JPG
105 KB
11. 机械加工工序卡.doc
198 KB
12. 机械加工工艺过程卡.doc
106 KB
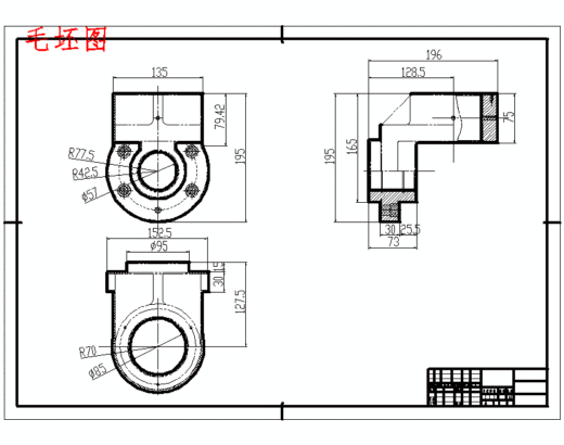
13. 毛坯图.dwg
135 KB
14. 毛坯图.gif
15.6 KB
15. 设计说明书-齿轮座零件的加工工艺规程及钻4-Φ13孔夹具设计.doc
1.26 MB
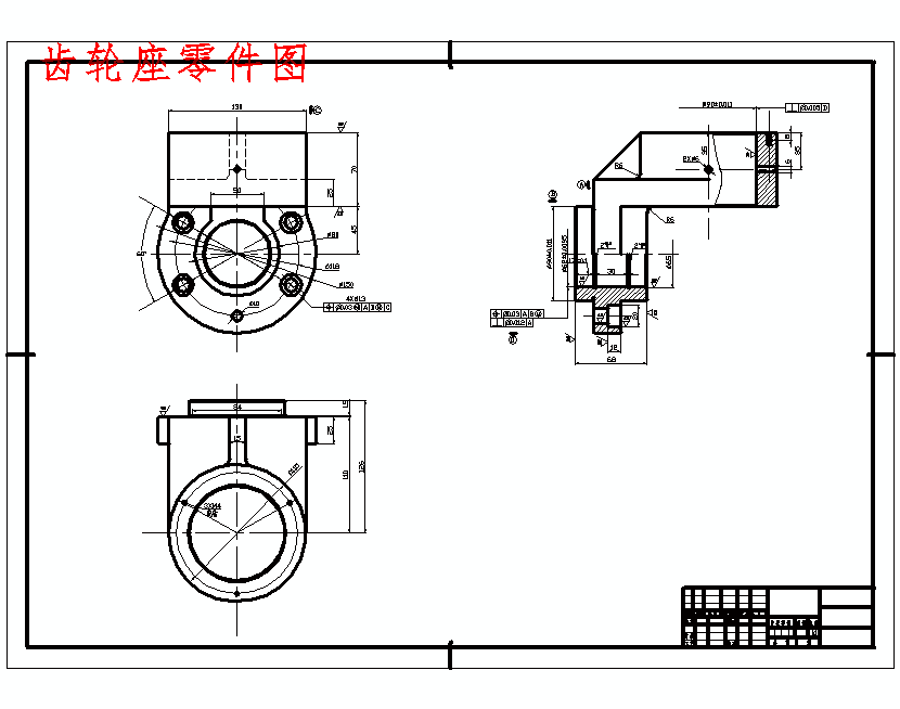
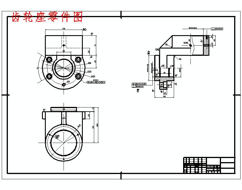
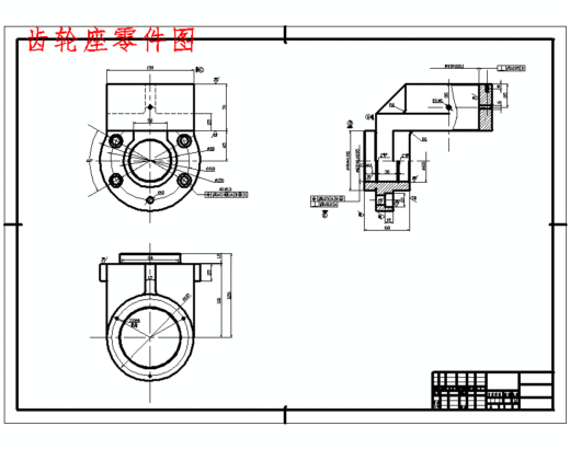
16. 齿轮座零件图.dwg
76.2 KB
17. 齿轮座零件图.gif
15.1 KB
【齿轮座零件的钻4-Φ13孔夹具设计及加工工艺装备规程含4张CAD图】相关作品
滚动更载更多~
提示
×

下载该图档需要消耗20金币!

确认下载
加载中