E1215-绥芬河地区2000∕40吨白条肉冷库设计CAD+说明书AutoCAD图档

图档名称为:E1215-绥芬河地区2000∕40吨白条肉冷库设计CAD+说明书,属于机械设备,非标机械分类,软件为AutoCAD, 图纸格式为pdf,dwg,可在线预览,可编辑,可供设计参考

加入收藏
模型参数

模型ID:10313928

模型大小:4.57M

软件版本: AutoCAD 2007

模型格式:pdf,dwg

是否可编辑:可修改,包括参数

上传时间:2025-11-18

图纸介绍:

下载模型
作品: 281
粉丝: 0
文件列表
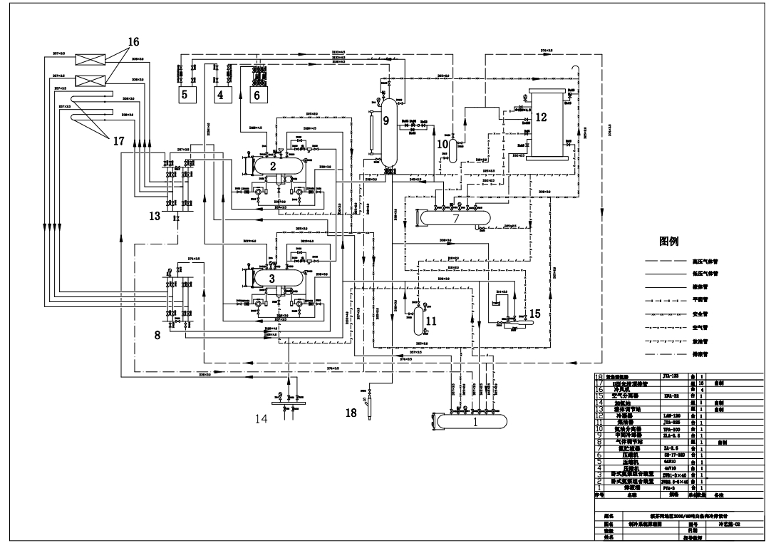
1. A1-制冷系统原理图.PDF
191 KB
2. A1-制冷系统原理图.dwg
105 KB
3. A1-机房透视图.PDF
235 KB
4. A1-机房透视图.dwg
134 KB
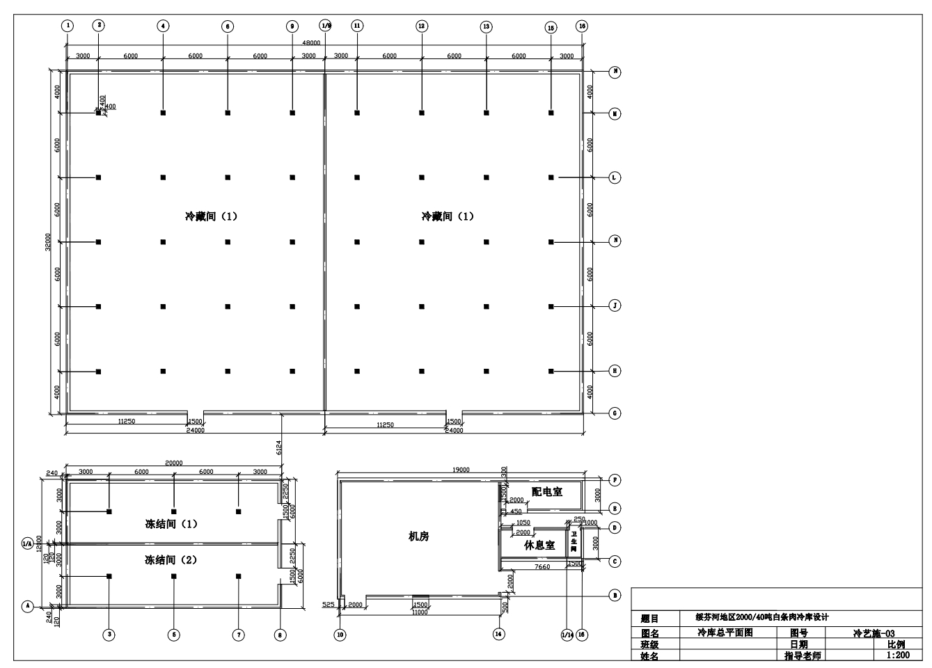
5. A2-冷库总平面图.PDF
66.2 KB
6. A2-冷库总平面图.dwg
89.1 KB
7. A2-图纸目录及工艺说明.PDF
326 KB
8. A2-图纸目录及工艺说明.dwg
52.6 KB
9. A2-库房平面及吊点图.PDF
55.2 KB
10. A2-库房平面及吊点图.dwg
101 KB
11. A2-库房透视图.PDF
67.7 KB
12. A2-库房透视图.dwg
58.9 KB
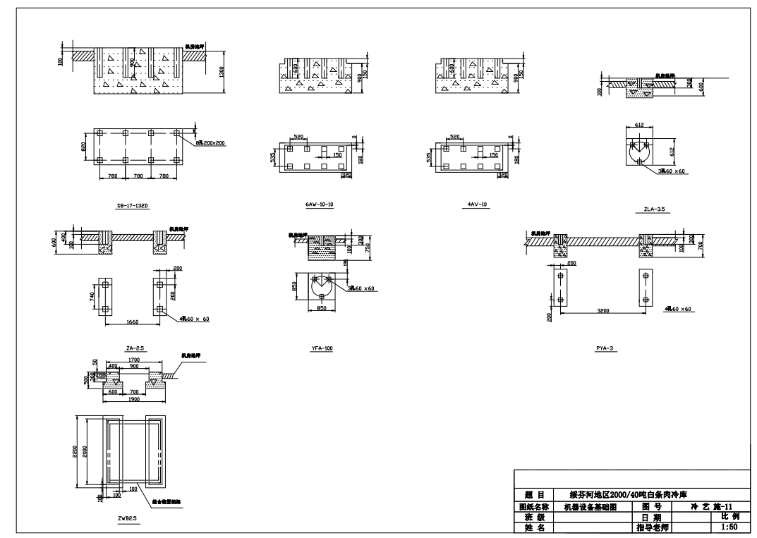
13. A2-机器设备基础图.PDF
65.5 KB
14. A2-机器设备基础图.dwg
110 KB
15. A2-设备材料明细表.PDF
216 KB
16. A2-设备材料明细表.dwg
45.7 KB
17. A2-调节站制作图.PDF
83 KB
18. A2-调节站制作图.dwg
81.6 KB
19. A2-顶排管制作图.PDF
85.9 KB
20. A2-顶排管制作图.dwg
68.2 KB
21. 微信截图_20240328180135.png
164 KB
22. 微信截图_20240328180153.png
549 KB
23. 微信截图_20240328180157.png
255 KB
24. 微信截图_20240328180201.png
209 KB
25. 微信截图_20240328180205.png
164 KB
26. 微信截图_20240328180747.png
210 KB
27. 微信截图_20240328180754.png
165 KB
28. 微信截图_20240328180849.png
138 KB
29. 微信截图_20240328180855.png
139 KB
30. 说明书.docx
261 KB
31. 说明书.pdf
503 KB
【E1215-绥芬河地区2000∕40吨白条肉冷库设计CAD+说明书】相关作品
下载提示
×

下载该图档需要消耗20金币!

确认下载
-- 热门充值套餐 · 限时优惠 --
加载中