D0734-16019地区性降压变电站电气部分+CAD+说明书==830179=250AutoCAD图档

图档名称为:D0734-16019地区性降压变电站电气部分+CAD+说明书==830179=250,属于电力仪表,电气附件分类,软件为AutoCAD, 图纸格式为pdf,dwg,可在线预览,可编辑,可供设计参考

加入收藏
模型参数

模型ID:10365134

模型大小:5.74M

软件版本: AutoCAD 2007

模型格式:pdf,dwg

是否可编辑:可修改,包括参数

上传时间:2026-01-10

图纸介绍:

下载模型
作品: 269
粉丝: 0
文件列表
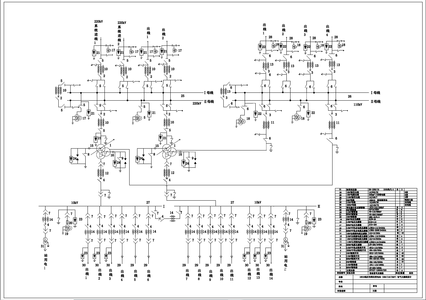
1. 16019地区性降压变电站(220∕110∕10kV)电气主接线设计.PDF
549 KB
2. 16019地区性降压变电站(220∕110∕10kV)电气主接线设计.dwg
302 KB
3. 220kV侧平面布置图.PDF
108 KB
4. 220kV侧平面布置图.dwg
92.3 KB
5. 变压器保护整定展开图.PDF
1.42 KB
6. 变压器保护整定展开图.dwg
120 KB
7. 微信截图_20240630183528.png
249 KB
8. 微信截图_20240630183536.png
311 KB
9. 微信截图_20240630183542.png
228 KB
10. 微信截图_20240630183545.png
238 KB
11. 微信截图_20240630183549.png
216 KB
12. 微信截图_20240630183553.png
253 KB
13. 微信截图_20240630183558.png
191 KB
14. 说明书 (1).pdf
1.19 MB
15. 说明书.doc
3.84 MB
16. 说明书.pdf
1.19 MB
【D0734-16019地区性降压变电站电气部分+CAD+说明书==830179=250】相关作品
下载提示
×

下载该图档需要消耗20金币!

确认下载
-- 热门充值套餐 · 限时优惠 --
加载中