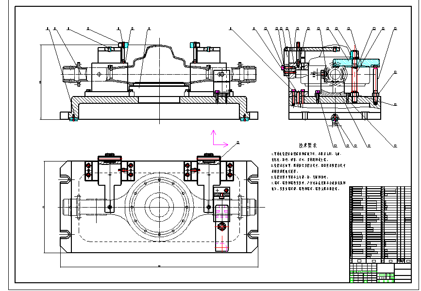
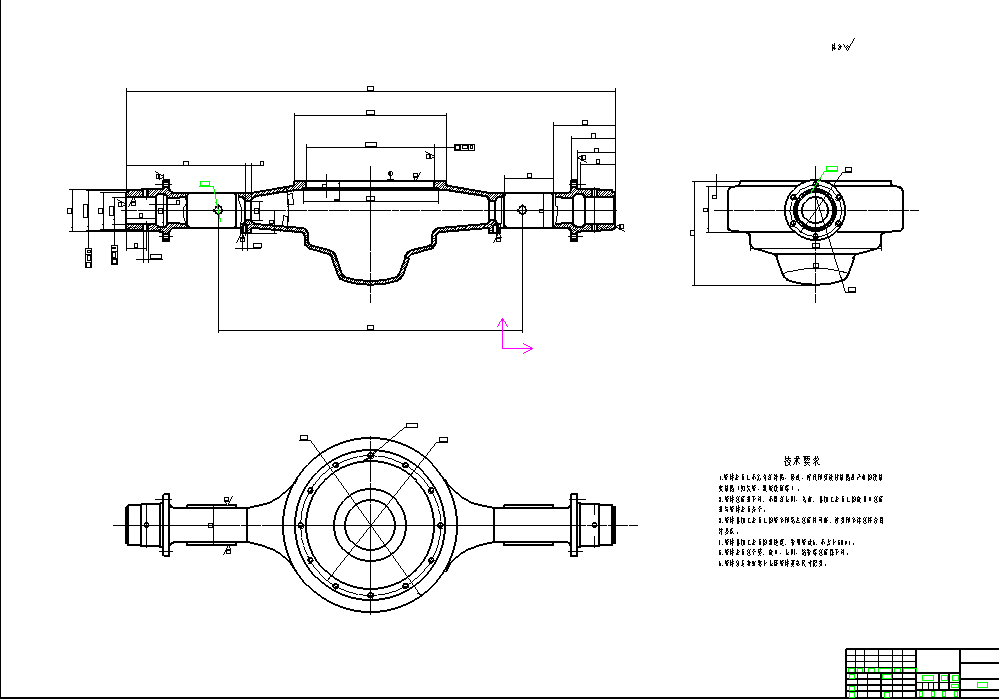
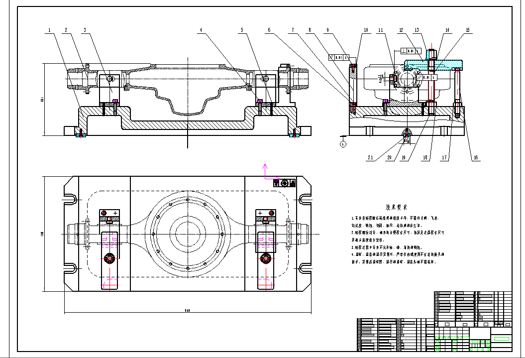
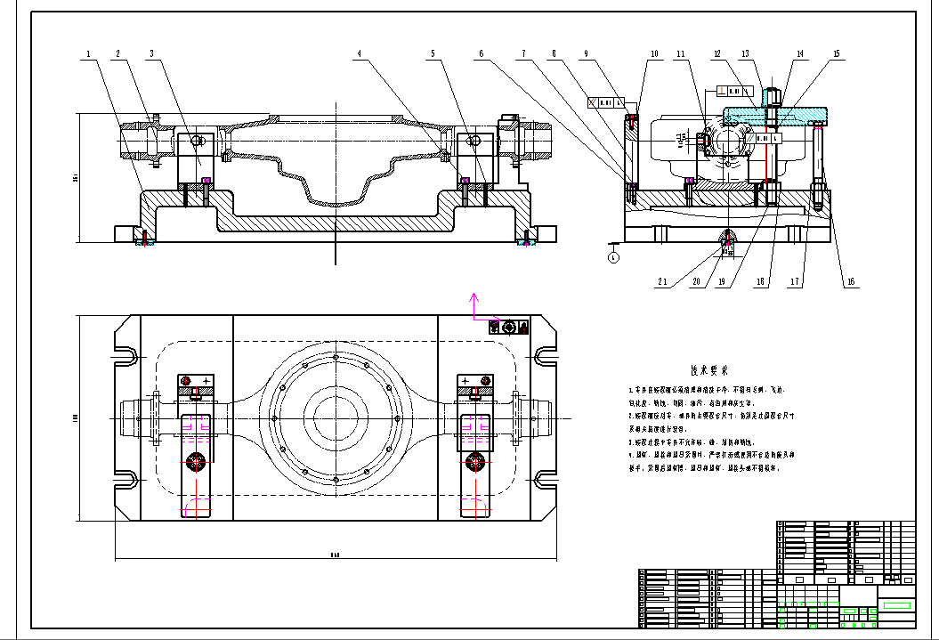
Q330-汽车后壳体机械加工工艺及夹具设计【铣面+钻孔】AutoCAD图档

图档名称为:Q330-汽车后壳体机械加工工艺及夹具设计【铣面+钻孔】,属于交通运输,车辆工程分类,软件为AutoCAD, 图纸格式为dwg,可在线预览,可编辑,可供设计参考

加入收藏
模型参数

模型ID:10300173

模型大小:4.62M

软件版本: AutoCAD 2004

模型格式:dwg

是否可编辑:可修改,包括参数

上传时间:2025-11-04

图纸介绍:

下载模型
无羡
作品: 0
粉丝: 0
文件列表
1. QQ图片20160308105304.png
29 KB
2. QQ图片20160308105348.png
48.1 KB
3. QQ图片20160308105355.png
17.1 KB
4. QQ图片20160308105405.png
7.26 KB
5. QQ图片20160308105414.png
91.7 KB
6. QQ图片20160308105421.png
24.1 KB
7. QQ图片20160308105431.png
29 KB
8. QQ图片20160308105439.png
215 KB
9. QQ图片20160308105556.png
104 KB
10. QQ截图20170216103149.jpg
18.4 KB
11. 毛坯图.dwg
417 KB
12. 毛坯图.dwg
417 KB
13. 汽车后桥壳体加工工艺规程及夹具.doc
988 KB
14. 汽车后桥壳体加工工艺规程及夹具.doc
988 KB
15. 汽车后桥壳体工艺夹具设计开题任务书.doc
30.5 KB
16. 汽车后桥壳体工艺夹具设计开题任务书.doc
30.5 KB
17. 汽车后桥工序卡.doc
562 KB
18. 汽车后桥工序卡.doc
562 KB
19. 汽车后桥机械加工工艺过程卡片.doc
63.5 KB
20. 汽车后桥机械加工工艺过程卡片.doc
63.5 KB
21. 汽车后桥钻床夹具.dwg
285 KB
22. 汽车后桥钻床夹具.dwg
285 KB
23. 汽车后桥铣床夹具.dwg
223 KB
24. 汽车后桥铣床夹具.dwg
223 KB
25. 装配图.dwg
398 KB
26. 装配图.dwg
398 KB
27. 论文模板.doc
215 KB
28. 论文模板.doc
215 KB
29. 零件图.dwg
277 KB
30. 零件图.dwg
277 KB
【Q330-汽车后壳体机械加工工艺及夹具设计【铣面+钻孔】】相关作品
滚动更载更多~
提示
×

下载该图档需要消耗10金币!

确认下载
加载中