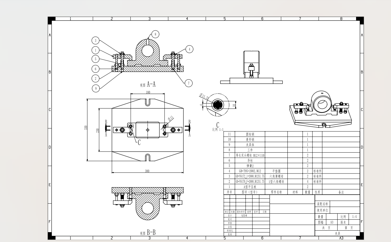
轴承座钻孔夹具ug,AutoCAD 3D模型

机械图纸名称为:轴承座钻孔夹具,属于设备部件,传动部件分类,软件为ug,AutoCAD, 三维模型格式为prt,pdf,dwg,可在线预览,可编辑,可供设计参考

加入收藏
模型参数

模型ID:10405034

模型大小:3.87M

软件版本: ug,AutoCAD 2018

模型格式:prt,pdf,dwg

是否可编辑:可修改,包括参数

上传时间:2026-04-06

图纸介绍:

下载模型
文件列表
1. Admi174CD4E1f0x2
3 B
2. A型平压板.prt
928 KB
3. GB-T6170_F-2000,M12x1.75.prt
272 KB
4. GB-T6172_1-2000,M12x1.75.prt
267 KB
5. GB-T95-2002,M12.prt
168 KB
6. 圆柱销.prt
151 KB
7. 夹具.log
3.69 KB
8. 夹具.pdf
331 KB
9. 夹具.prt
824 KB
10. 夹具_NT.bak
414 KB
11. 夹具_NT.dwg
434 KB
12. 夹具体.prt
379 KB
13. 夹具体建模.png
109 KB
14. 导柱.prt
540 KB
15. 工件.prt
413 KB
16. 工件建模细节.png
177 KB
17. 弹簧2.prt
403 KB
18. 等长双头螺柱 M12×110.prt
536 KB
19. 菱形销.prt
169 KB
20. 轴承座钻孔夹具CAD装配.png
45.9 KB
21. 轴承座钻孔夹具平面.png
139 KB
22. 轴承座钻孔夹具正面.png
150 KB
23. 轴承座钻孔夹具装配.png
180 KB
24. 轴承座钻孔夹具装配工程图.png
69.5 KB
下载提示
×

下载该图档需要消耗10金币!

确认下载
-- 热门充值套餐 · 限时优惠 --
加载中