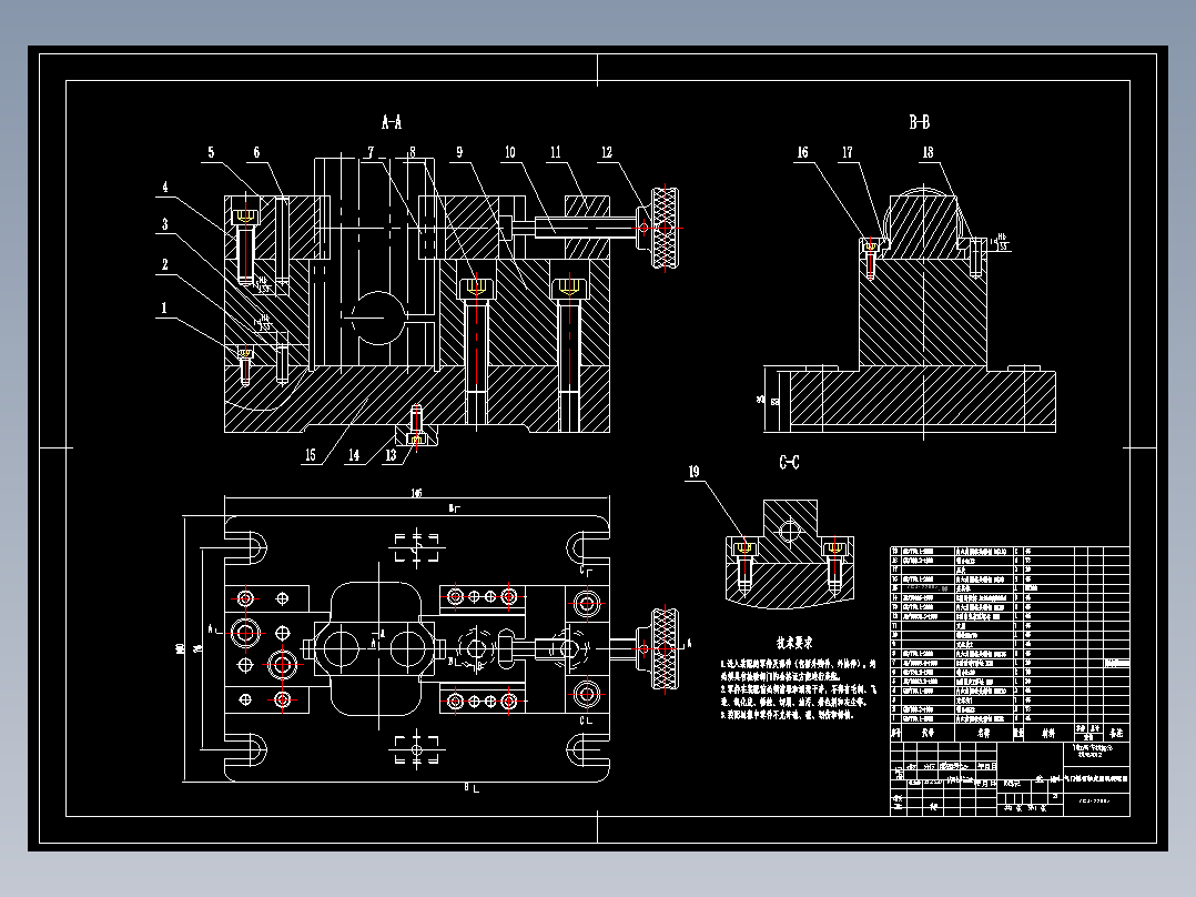
气门摇杆钻孔夹具三维模型SolidWorks 3D模型

机械图纸名称为:气门摇杆钻孔夹具三维模型,属于设备部件,工器具分类,软件为SolidWorks, 三维模型格式为sldprt,sldasm,可在线预览,可编辑,可供设计参考

加入收藏
模型参数

模型ID:10318825

模型大小:1023.98KB

软件版本: SolidWorks

模型格式:sldprt,sldasm

是否可编辑:可修改,包括参数

上传时间:2025-11-23

图纸介绍:

下载模型
文件列表
1. GB/T41-20001型六角螺母C级M16.SLDPRT
92.3 KB
2. 固定轴.SLDPRT
96.7 KB
3. 安装板.SLDPRT
108 KB
4. 支座1.1.SLDPRT
168 KB
5. 气门摇杆.SLDPRT
169 KB
6. 气门摇杆钻孔夹具.SLDASM
292 KB
7. 钻套.SLDPRT
46.3 KB
8. 防转片.SLDPRT
66.3 KB
【气门摇杆钻孔夹具三维模型】相关作品
下载提示
×

下载该图档需要消耗10金币!

确认下载
-- 热门充值套餐 · 限时优惠 --
加载中