关节型机器人腕部结构的设计含9张CAD图AutoCAD图档

图档名称为:关节型机器人腕部结构的设计含9张CAD图,属于机械设备,智能装置分类,软件为AutoCAD, 图纸格式为pdf,dwg,可在线预览,可编辑,可供设计参考

加入收藏
模型参数

模型ID:10401240

模型大小:5.25M

软件版本: AutoCAD 2004

模型格式:pdf,dwg

是否可编辑:可修改,包括参数

上传时间:2026-03-30

图纸介绍:

下载模型
作品: 275
粉丝: 0
文件列表
1. X50简介-关节型机器人腕部结构的设计含9张CAD图.pdf
823 KB
2. 关节型机器人腕部结构的设计答辩稿.pptx
2.98 MB
3. 关节型机器人腕部结构的设计说明书.docx
385 KB
4. 圆柱齿轮A3.dwg
61.3 KB
5. 圆柱齿轮A3.png
19 KB
6. 夹持器A2.dwg
69.2 KB
7. 夹持器A2.png
14.7 KB
8. 字数.JPG
54.7 KB
9. 字数.JPG
54.7 KB
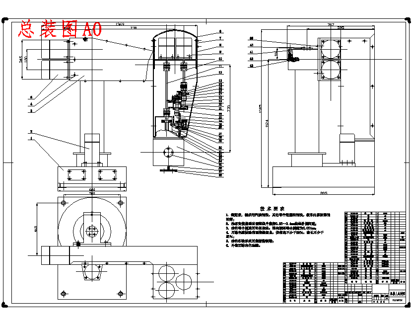
10. 总装图A0.dwg
185 KB
11. 总装图A0.png
22.2 KB
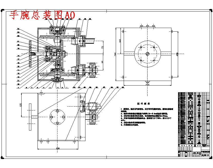
12. 手腕总装图A0.dwg
152 KB
13. 手腕总装图A0.png
28 KB
14. 摘要.JPG
118 KB
15. 目录.JPG
353 KB
16. 设计所包含文件.jpg
123 KB
17. 零件大锥齿轮A2.dwg
72.8 KB
18. 零件大锥齿轮A2.png
19.8 KB
19. 零件小锥齿轮A3.dwg
73.4 KB
20. 零件小锥齿轮A3.png
23 KB
21. 零件轴A3.dwg
62.9 KB
22. 零件轴A3.png
14.1 KB
23. 齿轮轴(圆锥)A3.dwg
71.5 KB
24. 齿轮轴(圆锥)A3.png
19.6 KB
25. 齿轮轴(直齿)A3.dwg
67.8 KB
26. 齿轮轴(直齿)A3.png
19.1 KB
【关节型机器人腕部结构的设计含9张CAD图】相关作品
下载提示
×

下载该图档需要消耗20金币!

确认下载
-- 热门充值套餐 · 限时优惠 --
加载中