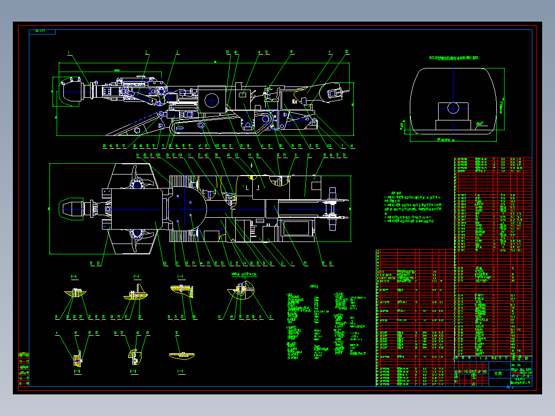
焊接型悬臂式掘进机截割臂的结构设计含11张CAD图AutoCAD图档

图档名称为:焊接型悬臂式掘进机截割臂的结构设计含11张CAD图,属于机械设备,钢结构支架分类,软件为AutoCAD, 图纸格式为dwg,pdf,可在线预览,可编辑,可供设计参考

加入收藏
模型参数

模型ID:10404558

模型大小:26.04M

软件版本: AutoCAD 2004

模型格式:dwg,pdf

是否可编辑:可修改,包括参数

上传时间:2026-04-03

图纸介绍:

下载模型
文件列表
1. A3顶板.dwg
1.64 MB
2. A3顶板.png
11.3 KB
3. X50简介-焊接型悬臂式掘进机截割臂的结构设计含11张CAD图.pdf
832 KB
4. 中隔板.dwg
1.35 MB
5. 中隔板.png
12.2 KB
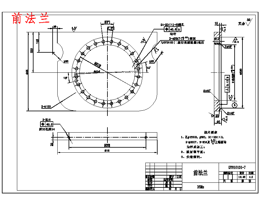
6. 前法兰.dwg
821 KB
7. 前法兰.png
18.8 KB
8. 右伸缩缸内耳座.dwg
1.24 MB
9. 右伸缩缸内耳座.png
12.8 KB
10. 右臂内板.dwg
854 KB
11. 右臂内板.png
12.6 KB
12. 后法兰.dwg
661 KB
13. 后法兰.png
18.3 KB
14. 圆弧底板.dwg
1.27 MB
15. 圆弧底板.png
10.6 KB
16. 字数.JPG
73.4 KB
17. 字数.JPG
73.4 KB
18. 左前底板.dwg
1.38 MB
19. 左前底板.png
10.5 KB
20. 左臂内耳板.dwg
291 KB
21. 左臂内耳板.png
16.9 KB
22. 左顶板.dwg
1.34 MB
23. 左顶板.png
11.4 KB
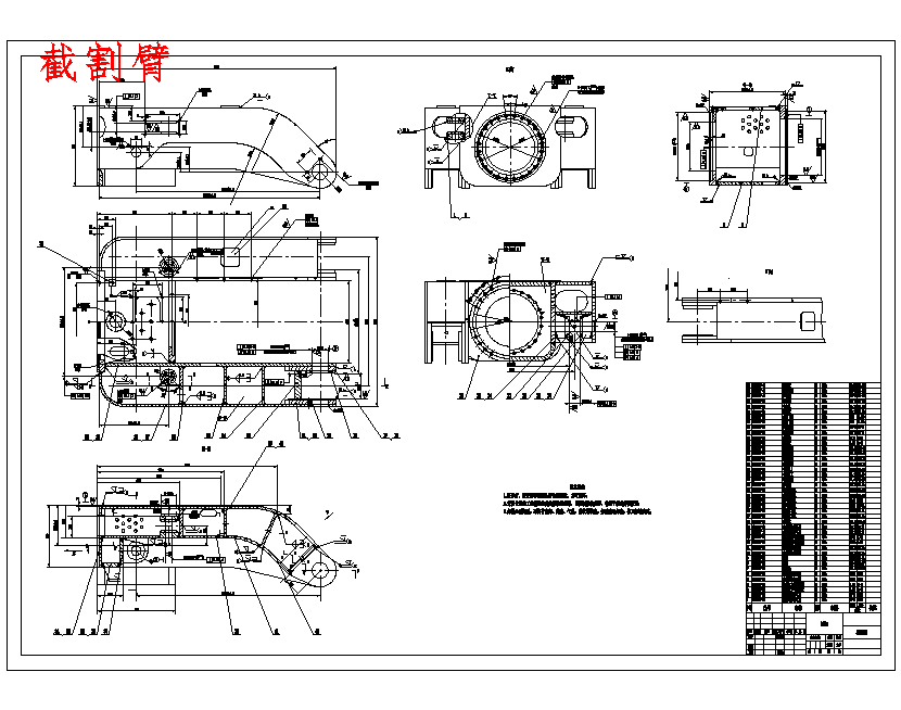
24. 截割臂.dwg
15.9 MB
25. 截割臂.png
26.5 KB
26. 所包含图纸.jpg
138 KB
27. 摘要.JPG
144 KB
28. 文献综述.docx
89.8 KB
29. 焊接型截割臂的结构设计任务书.doc
68.7 KB
30. 焊接型截割臂的结构设计说明书.docx
3.16 MB
31. 目录.JPG
293 KB
32. 设计参数.JPG
29.2 KB
33. 设计参数.JPG
29.2 KB
【焊接型悬臂式掘进机截割臂的结构设计含11张CAD图】相关作品
下载提示
×

下载该图档需要消耗100金币!

确认下载
-- 热门充值套餐 · 限时优惠 --
加载中