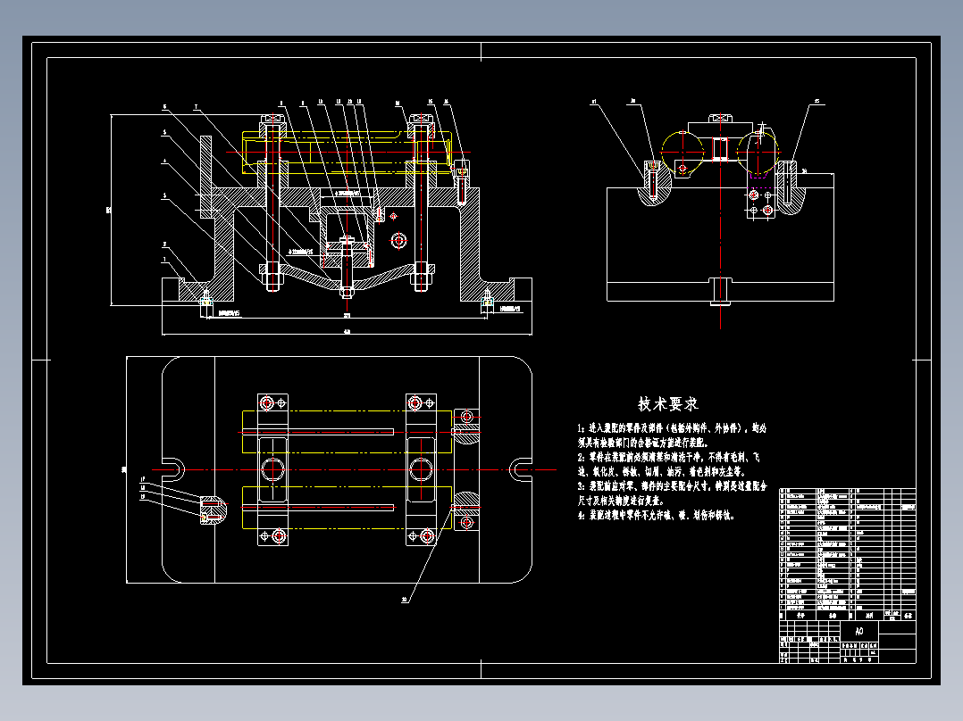
套筒铣双槽液压夹具stp 3D模型

机械图纸名称为:套筒铣双槽液压夹具,属于设备部件,工器具分类,软件为stp, 三维模型格式为,可在线预览,可编辑,可供设计参考

加入收藏
模型参数

模型ID:10387906

模型大小:634.28KB

软件版本: stp

是否可编辑:可修改,包括参数

上传时间:2026-03-13

图纸介绍:

下载模型
文件列表
1. 套筒铣双槽液压夹具.stp
3.27 MB
【套筒铣双槽液压夹具】相关作品
下载提示
×

下载该图档需要消耗10金币!

确认下载
-- 热门充值套餐 · 限时优惠 --
加载中