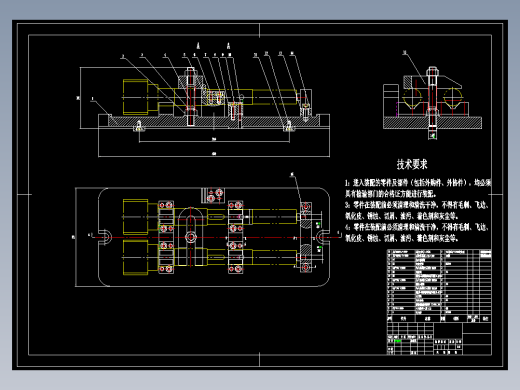
左摆动杠杆加工工艺及铣8mm槽夹具设计AutoCAD图档

图档名称为:左摆动杠杆加工工艺及铣8mm槽夹具设计,属于设备部件,工器具分类,软件为AutoCAD, 图纸格式为dwg,可在线预览,可编辑,可供设计参考

加入收藏
模型参数

模型ID:10341951

模型大小:289.47KB

软件版本: AutoCAD

模型格式:dwg

是否可编辑:可修改,包括参数

上传时间:2025-12-15

图纸介绍:

下载模型
作品: 302
粉丝: 1
文件列表
1. 夹具体.dwg
94.9 KB
2. 夹具装配图.dwg
107 KB
3. 工艺卡和工序卡.doc
406 KB
4. 左摆动杠杆零件图.dwg
208 KB
5. 毛坯图.dwg
105 KB
6. 说明书.doc
285 KB
【左摆动杠杆加工工艺及铣8mm槽夹具设计】相关作品
下载提示
×

下载该图档需要消耗10金币!

确认下载
-- 热门充值套餐 · 限时优惠 --
加载中