JS54双拨叉加工工艺规程及铣槽夹具设计AutoCAD图档

图档名称为:JS54双拨叉加工工艺规程及铣槽夹具设计,属于设备部件,工器具分类,软件为AutoCAD, 图纸格式为dwg,可在线预览,可编辑,可供设计参考

加入收藏
模型参数

模型ID:10296149

模型大小:830.14KB

软件版本: AutoCAD 2007

模型格式:dwg

是否可编辑:可修改,包括参数

上传时间:2025-11-01

图纸介绍:

下载模型
采绿
作品: 0
粉丝: 0
文件列表
1. 夹具体.dwg
101 KB
2. 夹具体.png
7.76 KB
3. 夹具装配图.png
7.45 KB
4. 工序卡.jpg
50.3 KB
5. 工序卡片.doc
108 KB
6. 工艺卡.jpg
40.8 KB
7. 开口垫圈.dwg
79.5 KB
8. 心轴-Model.gif
8.8 KB
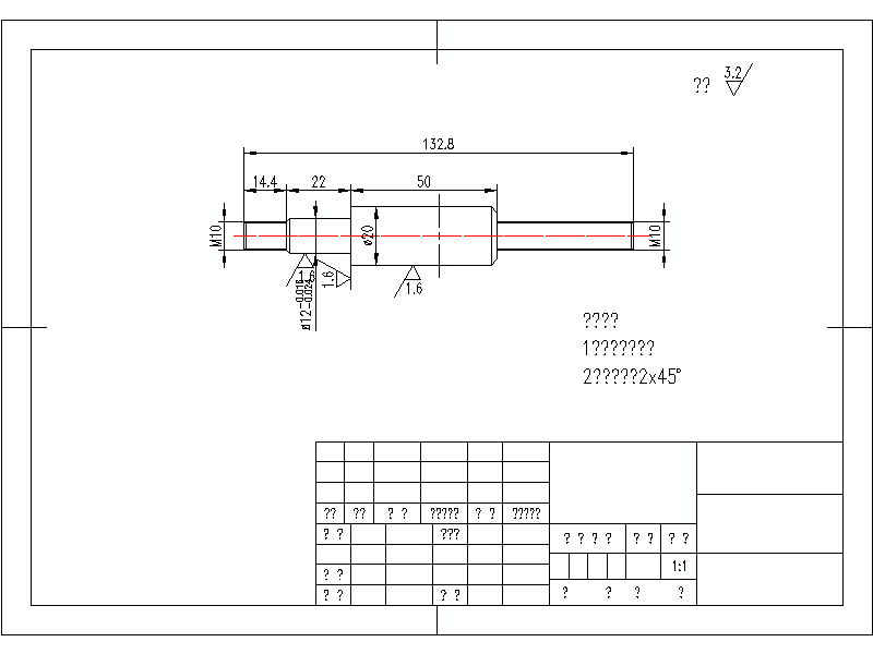
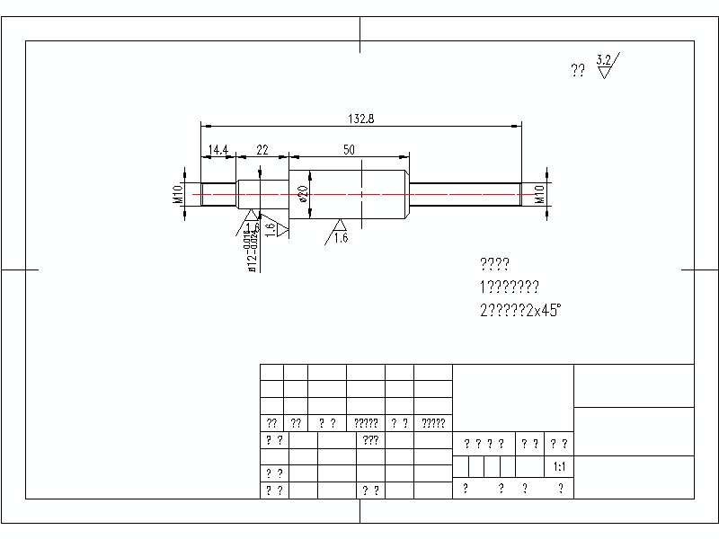
9. 心轴.dwg
81.7 KB
10. 文件.png
101 KB
11. 机械加工工艺过程卡片.doc
61 KB
12. 毛坯图-Model.gif
12.7 KB
13. 毛坯图.dwg
77.3 KB
14. 目录.doc
22.5 KB
15. 目录.jpg
44.8 KB
16. 装配图.dwg
143 KB
17. 设计说明书.doc
354 KB
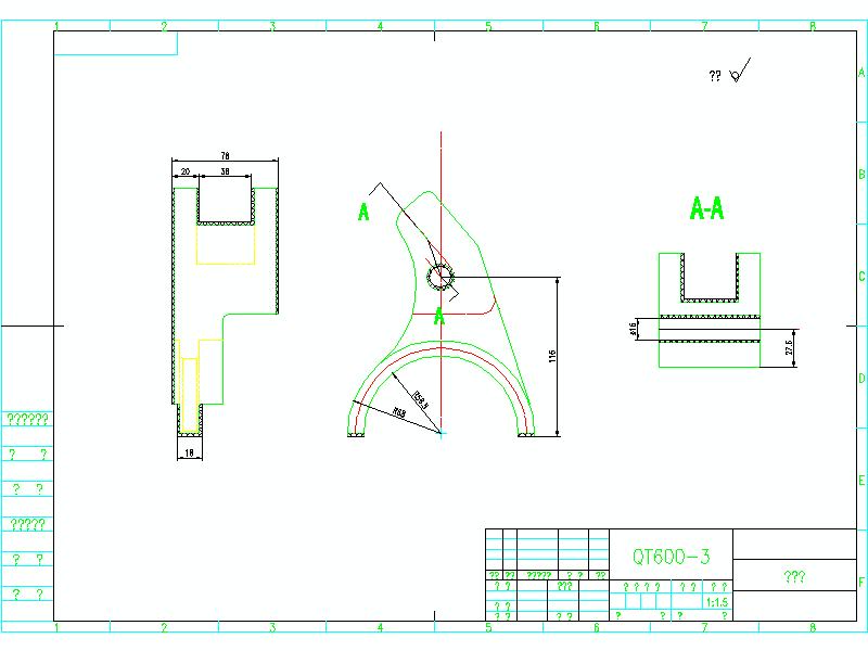
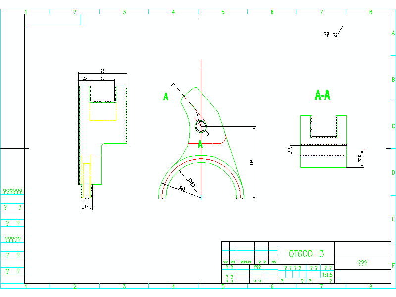
18. 零件图.dwg
108 KB
19. 零件图.jpg
41.9 KB
【JS54双拨叉加工工艺规程及铣槽夹具设计】相关作品
滚动更载更多~
提示
×

下载该图档需要消耗10金币!

确认下载
加载中