D0719-320型柴油机喷油器设计+CAD+说明书 ==776567=250AutoCAD图档

图档名称为:D0719-320型柴油机喷油器设计+CAD+说明书 ==776567=250,属于交通运输,车辆相关分类,软件为AutoCAD, 图纸格式为pdf,dwg,可在线预览,可编辑,可供设计参考

加入收藏
模型参数

模型ID:10369362

模型大小:18.11M

软件版本: AutoCAD 2007

模型格式:pdf,dwg

是否可编辑:可修改,包括参数

上传时间:2026-01-15

图纸介绍:

下载模型
文件列表
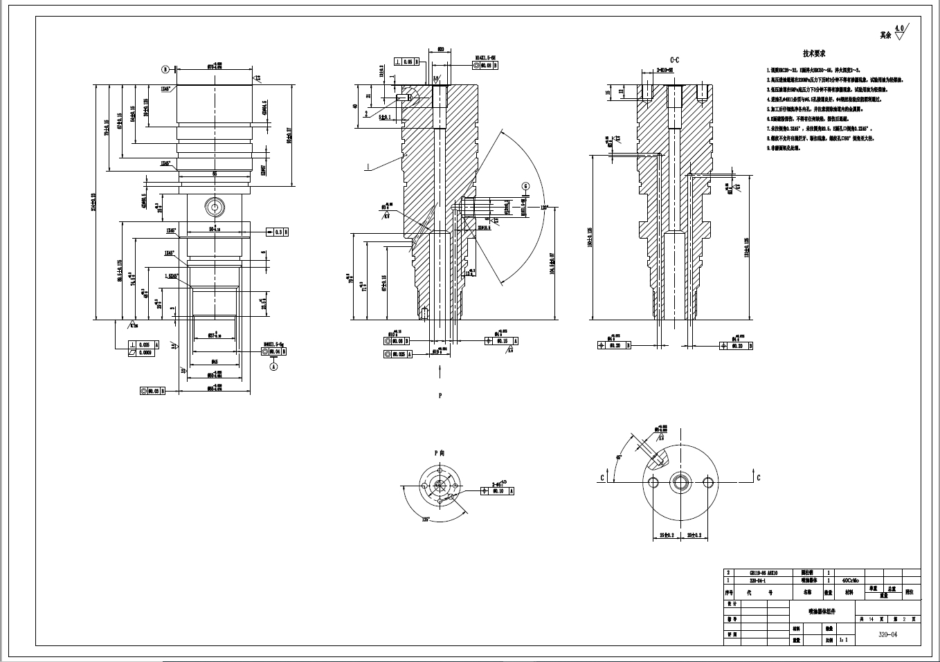
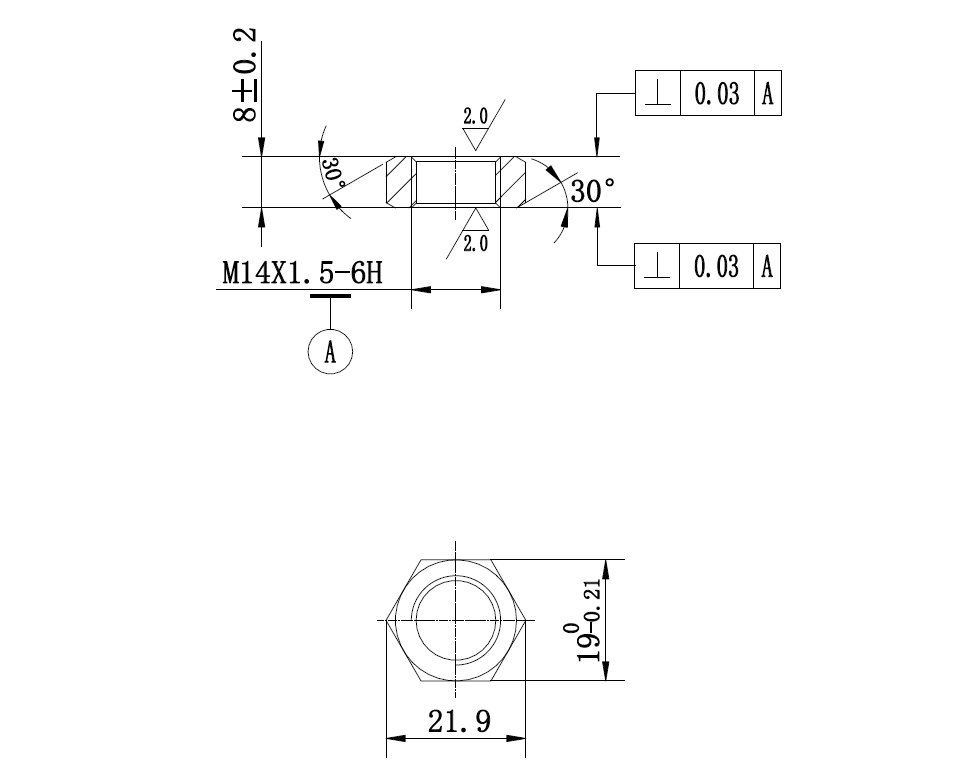
1. A1-喷油器体组件.PDF
478 KB
2. A1-喷油器体组件.dwg
161 KB
3. A2-喷油器总成.PDF
299 KB
4. A2-喷油器总成.dwg
118 KB
5. A3-挺杆.PDF
123 KB
6. A3-挺杆.dwg
66.1 KB
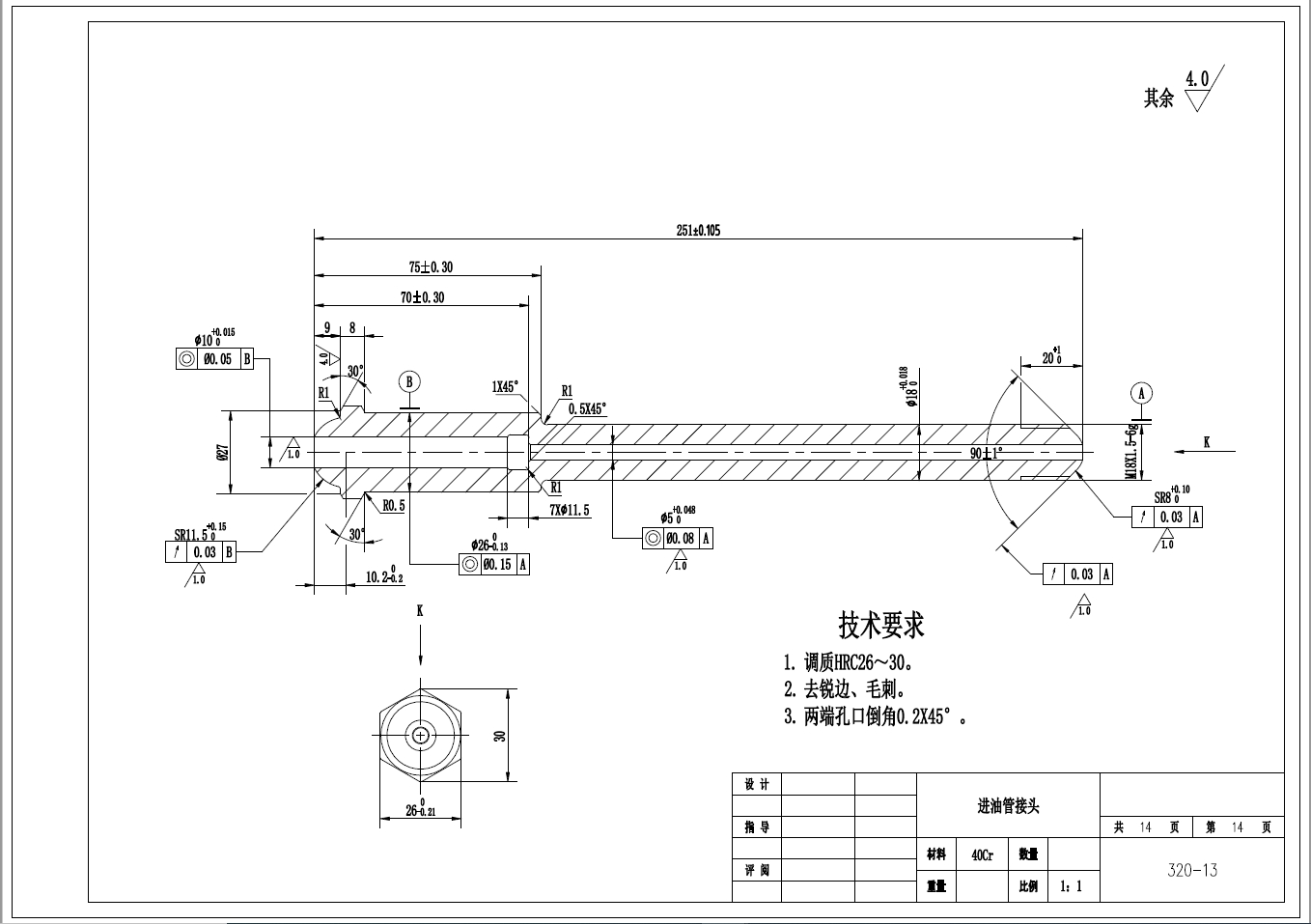
7. A3-进油管接头.PDF
147 KB
8. A3-进油管接头.dwg
78.8 KB
9. A3-针阀.PDF
159 KB
10. A3-针阀.dwg
76.8 KB
11. A3-针阀体.PDF
357 KB
12. A3-针阀体.dwg
155 KB
13. A3-针阀限程盘.PDF
214 KB
14. A3-针阀限程盘.dwg
69.8 KB
15. A4-弹簧座.PDF
75.7 KB
16. A4-弹簧座.dwg
50.8 KB
17. A4-罩帽.PDF
140 KB
18. A4-罩帽.dwg
69.3 KB
19. A4-调压弹簧.PDF
167 KB
20. A4-调压弹簧.dwg
63.3 KB
21. A4-调压螺帽.PDF
93.5 KB
22. A4-调压螺帽.dwg
54.3 KB
23. A4-调压螺杆.PDF
107 KB
24. A4-调压螺杆.dwg
55.1 KB
25. A4-针阀偶件.PDF
113 KB
26. A4-针阀偶件.dwg
84.7 KB
27. A4-锁紧螺母.PDF
92.5 KB
28. A4-锁紧螺母.dwg
62.1 KB
29. 任务书:320型柴油机喷油器设计.doc
72.3 KB
30. 外文翻译原文:通过停止部分喷油器来改善燃油消耗.pdf
3.94 MB
31. 外文翻译译文:通过停止部分喷油器来改善燃油消耗.doc
3.55 MB
32. 开题报告:320型柴油机喷油器设计.doc
25.5 KB
33. 微信截图_20240630181407.png
297 KB
34. 微信截图_20240630181416.png
241 KB
35. 微信截图_20240630181419.png
174 KB
36. 微信截图_20240630181433.png
57.6 KB
37. 微信截图_20240630181443.png
174 KB
38. 微信截图_20240630181448.png
170 KB
39. 文献综述:可变气门升程技术的发展综述.doc
31.6 KB
40. 说明书 (1).pdf
1.23 MB
41. 说明书.docx
4.1 MB
42. 说明书.pdf
1.23 MB
【D0719-320型柴油机喷油器设计+CAD+说明书 ==776567=250】相关作品
下载提示
×

下载该图档需要消耗50金币!

确认下载
-- 热门充值套餐 · 限时优惠 --
加载中